Se non ricordo male dovrebbe essere una cosa del genere
Linea Bilanciata
Moderatori:
carloc,
g.schgor,
BrunoValente,
IsidoroKZ
19 messaggi
• Pagina 2 di 2 • 1, 2
0
voti
[11] Re: Linea Bilanciata
"La follia sta nel fare sempre la stessa cosa aspettandosi risultati diversi".
"Parla soltanto quando sei sicuro che quello che dirai è più bello del silenzio".
Rispondere è cortesia, ma lasciare l'ultima parola ai cretini è arte.
"Parla soltanto quando sei sicuro che quello che dirai è più bello del silenzio".
Rispondere è cortesia, ma lasciare l'ultima parola ai cretini è arte.
-

TardoFreak
73,9k 8 12 13 - -EY Legend-

- Messaggi: 15754
- Iscritto il: 16 dic 2009, 11:10
- Località: Torino - 3° pianeta del Sistema Solare
-1
voti
[12] Re: Linea Bilanciata
Quest'ultimo schema è per la ricezione?e per la trasmissione dei segnali in controfase su due conduttori?le risposte alle domade fatte precedentemente?grazie
0
voti
[13] Re: Linea Bilanciata
Ma ... hai letto le risposte che ti sono state date? 

"La follia sta nel fare sempre la stessa cosa aspettandosi risultati diversi".
"Parla soltanto quando sei sicuro che quello che dirai è più bello del silenzio".
Rispondere è cortesia, ma lasciare l'ultima parola ai cretini è arte.
"Parla soltanto quando sei sicuro che quello che dirai è più bello del silenzio".
Rispondere è cortesia, ma lasciare l'ultima parola ai cretini è arte.
-

TardoFreak
73,9k 8 12 13 - -EY Legend-

- Messaggi: 15754
- Iscritto il: 16 dic 2009, 11:10
- Località: Torino - 3° pianeta del Sistema Solare
-1
voti
[14] Re: Linea Bilanciata
ho letto le risposte di giorgio2570....ma non ho avuto risposte a queste:in tutto questo discorso che fine fa il riferimento comune di tensione???Ai capi di un conduttore del trasformatore ho una certa tensione rispetto all'altro mentre sul secondo conduttore ho la stessa tensione sfasata din180 gradi rispetto al primo?ho capito bene?e per quanto riguarda gli operazionali...che fine fa il riferimento comune di tensione?se sull'uscita non inv ho una certa tensione V1 rispetto al rif comune sull'altro operazionale invert ho la tensione V1 sfasta di 180 rispetto allo stesso riferimento di tensione...quindi il riferimento comune che fine fa nella trasmissione su due conduttori della linea bilanciata?potete spiegare tramite qualche disegno esplicativo un tipico trasferimento di segnali differenziali tramite 2 conduttori mettendo in risalto le tensioni lato trasmettitore e lato ricevitore??ciao graazie
-1
voti
[15] Re: Linea Bilanciata
Come potete vedere in questa figura http://it.wikipedia.org/wiki/Linea_bilanciata esiste un riferimento di tensione sia lato trasmettitore che ricevitore solo che non viene collegato fisicamente l'un l'altro.Quindi l'idea che mi sono fatto è che è necessario un riferimento di tensione (altrimenti non sono in grado di generare contemporaneamente 2 tensioni sfasate fra loro di 180 su 2 conduttori) sia lato trasmettitore che ricevitore solo che il riferimento non si collega perché si assume che sia uguale lato trasmissione che ricezione p.es potenziale di terra.Correggetemi se sbagli...grazie
0
voti
[16] Re: Linea Bilanciata
Credo di capirti. Anche a me è successo molte volte di non capire qualcosa, poi qualcuno me lo spiegava, ma io continuavo a non capire .... come se ci fosse un'impossibilità di comunicazione: l'altro crede di avermi risposto oppure io non credo che mi abbia risposto. Ricordo che il professore di elettronica II se qualcuno non capiva la sua risposta a una domanda diceva: "allora provo a dirglielo con altre parole". E quasi sempre l'altro capiva.
Io provo a dirti questo: il "riferimento" di cui parli (ad esempio la terra, o la massa, etc.) non è strettamente necessario, e spesso crea più problemi di quanti ne risolve. Ma ha una certa utilità pratica. perché non è necessario? perché quello che conta non è tanto "il potenziale" ma è la "differenza di potenziale". La differenza tra 100 e 80 è la stessa che tra 54710 e 54690.
Chissà se sono riuscito a togliere il tuo "blocco"?
Io provo a dirti questo: il "riferimento" di cui parli (ad esempio la terra, o la massa, etc.) non è strettamente necessario, e spesso crea più problemi di quanti ne risolve. Ma ha una certa utilità pratica. perché non è necessario? perché quello che conta non è tanto "il potenziale" ma è la "differenza di potenziale". La differenza tra 100 e 80 è la stessa che tra 54710 e 54690.
Chissà se sono riuscito a togliere il tuo "blocco"?

"Ogni cosa va resa il più possibile semplice, ma non ANCORA più semplice" (A. Einstein)
-

clavicordo
20,7k 6 11 12 - G.Master EY

- Messaggi: 1238
- Iscritto il: 4 mar 2011, 14:10
- Località: Siena
0
voti
[17] Re: Linea Bilanciata
Francamento non ho capito...se qualcuno ci vuole provare a farmi capire meglio....per me il problema è il riferimento...perché non viene collegato tra trasmettitore e ricevitore?
0
voti
[18] Re: Linea Bilanciata
Eh no, non ci sono riuscito! Pazienza.
Tu continui ancora con la stessa domanda, secondo te non si può fare a meno di questo riferimento. Secondo te due fili non bastano a far circolare la corrente se uno dei due non è "ancorato" a terra o a un "riferimento". Secondo te una torcia, se uno dei due elettrodi della batteria non viene collegato alla carcassa ma solo alla lampadina, non potrebbe funzionare; quindi una torcia non può essere di plastica, deve essere per forza di metallo. E' così?
Ma quasi certamente tu continuerai a chiedere "ma perché il riferimento non viene collegato"?
Auguri!
Tu continui ancora con la stessa domanda, secondo te non si può fare a meno di questo riferimento. Secondo te due fili non bastano a far circolare la corrente se uno dei due non è "ancorato" a terra o a un "riferimento". Secondo te una torcia, se uno dei due elettrodi della batteria non viene collegato alla carcassa ma solo alla lampadina, non potrebbe funzionare; quindi una torcia non può essere di plastica, deve essere per forza di metallo. E' così?
Ma quasi certamente tu continuerai a chiedere "ma perché il riferimento non viene collegato"?
Auguri!
"Ogni cosa va resa il più possibile semplice, ma non ANCORA più semplice" (A. Einstein)
-

clavicordo
20,7k 6 11 12 - G.Master EY

- Messaggi: 1238
- Iscritto il: 4 mar 2011, 14:10
- Località: Siena
0
voti
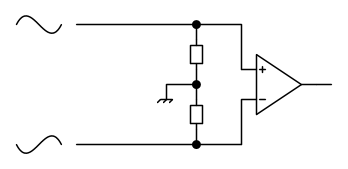
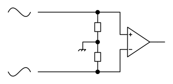
[19] Re: Linea Bilanciata
grigione ha scritto:per me il problema è il riferimento...perché non viene collegato tra trasmettitore e ricevitore?
Per questo ti è gia stato risposto, possono esserci problemi dovuti a rumore indotto sulle linee, e questo rumore produrrebbe tensione tra le due masse.
per il funzionamento senza riferimento di massa...mi viene in mente un circuito del genere.
che ne pensi? secondo me può essere una soluzione che funziona.
-

lelerelele
4.899 3 7 9 - Master

- Messaggi: 5505
- Iscritto il: 8 giu 2011, 8:57
- Località: Reggio Emilia
19 messaggi
• Pagina 2 di 2 • 1, 2
Chi c’è in linea
Visitano il forum: Nessuno e 43 ospiti

Elettrotecnica e non solo (admin)
Un gatto tra gli elettroni (IsidoroKZ)
Esperienza e simulazioni (g.schgor)
Moleskine di un idraulico (RenzoDF)
Il Blog di ElectroYou (webmaster)
Idee microcontrollate (TardoFreak)
PICcoli grandi PICMicro (Paolino)
Il blog elettrico di carloc (carloc)
DirtEYblooog (dirtydeeds)
Di tutto... un po' (jordan20)
AK47 (lillo)
Esperienze elettroniche (marco438)
Telecomunicazioni musicali (clavicordo)
Automazione ed Elettronica (gustavo)
Direttive per la sicurezza (ErnestoCappelletti)
EYnfo dall'Alaska (mir)
Apriamo il quadro! (attilio)
H7-25 (asdf)
Passione Elettrica (massimob)
Elettroni a spasso (guidob)
Bloguerra (guerra)


