Cos'è ElectroYou | Login Iscriviti

ElectroYou - la comunità dei professionisti del mondo elettrico

Trasformatore? Si, ma avrei preferito di no :D

Circuiti, campi elettromagnetici e teoria delle linee di trasmissione e distribuzione dell’energia elettrica

Moderatori: Foto Utenteg.schgor, Foto UtenteIsidoroKZ

0
voti

[21] Re: Trasformatore? Si, ma avrei preferito di no :D

Messaggioda Foto UtenteRenzoDF » 16 set 2011, 18:45

masomaso90 ha scritto:Ops, 10^{-6} :D

\mathfrak{R}=\frac{L}{\mu_0\mu_2S}=\frac{\frac{16\pi}{15}10^{-2}}{4\pi10^{-7}10^4 10^{-6}}

... :?

masomaso90 ha scritto:La formula dell'induttanza è:
\Phi=Li

E quel flusso che flusso sarebbe?

masomaso90 ha scritto:Ho Googlato Hopkinson, mi esce:
F=\mathfrak{R} \Phi

Se ti e' servito Googlare, lasciamo perdere :?

masomaso90 ha scritto:La corrente i, immagino dovrò prenderla dal generatore, i=V_g/R.
... prenderla ? ... Vg/R ? ... e la reattanza dove e' finita?

masomaso90 ha scritto:Ma manca ancora L.. Per trovarla devo impostare quel sistema?
Assomiglia ad una KVL, dovrebbero essere tensioni magnetiche giusto? Ma poi le tratto come le tensioni normali..

Come ti dicevo sopra, qui non e' possibile continuare, questi dubbi puoi risolverli solo con un serio studio autonomo, non puoi risolvere i tuoi dubbi con un paio di domande su un Forum :!:
"Il circuito ha sempre ragione" (Luigi Malesani)
Avatar utente
Foto UtenteRenzoDF
55,9k 8 12 13
G.Master EY
G.Master EY
 
Messaggi: 13189
Iscritto il: 4 ott 2008, 9:55

0
voti

[22] Re: Trasformatore? Si, ma avrei preferito di no :D

Messaggioda Foto UtenteRenzoDF » 16 set 2011, 18:52

Lasciamo che con la tua domanda sul metodo risolutivo provi a cimentarsi qualche altro studente di Elettrotecnica che abbia ben chiaro l'argomento.
"Il circuito ha sempre ragione" (Luigi Malesani)
Avatar utente
Foto UtenteRenzoDF
55,9k 8 12 13
G.Master EY
G.Master EY
 
Messaggi: 13189
Iscritto il: 4 ott 2008, 9:55

0
voti

[23] Re: Trasformatore? Si, ma avrei preferito di no :D

Messaggioda Foto Utentemasomaso90 » 16 set 2011, 19:13

RenzoDF ha scritto:E quel flusso che flusso sarebbe?


Forse non ho capito la domanda, ma quella è la formula da dove si ricava il coefficente di auto-induzione di un filo percorso da una corrente i.

Come ti ho già detto in precedenza, io studio dal "Circuiti" Miano - De Magistris, di questi esercizi non ce ne sono.

Il signor Hopkinson non è nemmeno nominato, idem riluttanze ecc...

Se vuoi avere la gentilezza di segnalarmi qualche articolo dal quale risolvere i miei dubbi, con un serio studio autonomo, io non mi tiro indietro... perche a dispetto di tutto l'esame lo devo fare io...

RenzoDF ha scritto:Lasciamo che con la tua domanda sul metodo risolutivo provi a cimentarsi qualche altro studente di Elettrotecnica che abbia ben chiaro l'argomento.


Credo che la barra delle notifiche si aprirà moolto raramente, ma vabbè :D

Grazie lo stesso per quanto fatto fin ora, spero di poter ritornare sul discorso presto.
Avatar utente
Foto Utentemasomaso90
109 4 7
Frequentatore
Frequentatore
 
Messaggi: 294
Iscritto il: 10 dic 2010, 21:52

0
voti

[24] Re: Trasformatore? Si, ma avrei preferito di no :D

Messaggioda Foto UtenteRenzoDF » 16 set 2011, 22:02

masomaso90 ha scritto:Se vuoi avere la gentilezza di segnalarmi qualche articolo dal quale risolvere i miei dubbi, con un serio studio autonomo, io non mi tiro indietro...

Ho trovato questo,

http://www.diee.unica.it/~musai/Elettro ... NETICI.pdf

... anche se ci sarebbero diversi appunti da fare all'autore :-)
"Il circuito ha sempre ragione" (Luigi Malesani)
Avatar utente
Foto UtenteRenzoDF
55,9k 8 12 13
G.Master EY
G.Master EY
 
Messaggi: 13189
Iscritto il: 4 ott 2008, 9:55

0
voti

[25] Re: Trasformatore? Si, ma avrei preferito di no :D

Messaggioda Foto Utentemasomaso90 » 16 set 2011, 23:32

Grazie,

l'ho già letto quello :D

Ha lo stessa pecca di tutti i testi di teoria, ne parlavo anche l'altro giorno con DirtyDeeds, il testo di teoria da solo non ti mette in condizione di fare gli esercizi, mentre gli eserciziari spesso risolvono i problemi senza fare un minimo accenno alla teoria che motiva i vari passaggi/ipotesi ecc...

Ho letto anche questo:

http://www.die.ing.unibo.it/pers/mastri/didattica/dialm11/07-circuiti-magnetici.pdf

e un altro po' di roba...

Ps, quelle erano davvero leggi di Kirchhoff :D

ahahahhahaha

Ho visto anche la cosa della reattanza, la formula giusta era:

I=\frac{V_g}{R+j\omega L}

che viene da qua:





Poi:
\varphi è l'analogo della tensione.
\Phi è l'analogo della corrente.
La legge di Hopkinson è l'analoga della legge di Ohm.

I flussi concatenati, nel caso di flussi concordi alla corrente, sono:

\Phi_{C1}=\frac{N_1^2 i_1}{\mathfrak{R}}+ \frac{N_1N_2i_2}{\mathfrak{R}}

\Phi_{C2}= \frac{N_1N_2 i_1}{\mathfrak{R}}+ \frac{N_2^2}{\mathfrak{R}}

Le induttanze sono:

L_1=\frac{N_1^2}{\mathfrak{R}}
L_2=\frac{N_2^2}{\mathfrak{R}}
M=\pm \frac{N_1N_2}{\mathfrak{R}}


Per calcolare L_1 devo trovare il flusso concatenato col primo avvolgimento..

Questa volta dovrebbe bastare:

L_1=\frac{N^2}{\mathfrak{R}}

Non so se devo già fare il partitore sul primo lato..

Comunque:

\Phi_1=\frac{N_1}{\mathfrak{R_{eq}}}i_1

\Phi _0=\mu_0 \mu _rSH

Che devo eguagliare tra loro.

Ora dovrei poter calcolare quanto vale I=\frac{V_g}{R+j\omega L}.

(\omega lo ricavo da f.)

Che è la corrente che devo mettere in \Phi _1.

Poi forse uso le relazioni del trasformatore:

V_{AB}=j \omega M I_1-j\omega L_2 I_2

Dove manca I_2, che potrebbe provenire dal partitore, o protrebbe essere un dato alieno venuto per fare esperimenti sugli umani, a quest'ora non sono più in grado di distinguerli :D



Se avessi voluto considerare il metodo lungo, della somma delle amperspire e prodotti di flussi e riluttanze, forse sarebbe stato cosi..




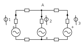
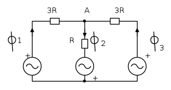
\Phi _1 + \Phi _3 - \Phi _2=0 al nodo A
3\mathfrak{R}\Phi _1 + \mathfrak{R}\Phi _2=+N i_1 + N i_2 alla prima maglia
3\mathfrak{R}\Phi _3 + \mathfrak{R}\Phi _2=2N i_2 alla seconda maglia

Fatto seguendo lo schema di pagina 23 del link che ho messo...

Una buona notte a tutti!
Avatar utente
Foto Utentemasomaso90
109 4 7
Frequentatore
Frequentatore
 
Messaggi: 294
Iscritto il: 10 dic 2010, 21:52

0
voti

[26] Re: Trasformatore? Si, ma avrei preferito di no :D

Messaggioda Foto UtenteRenzoDF » 17 set 2011, 0:28

masomaso90 ha scritto: l'ho già letto quello

L'avrai anche letto, ma un testo di elettrotecnica non basta "leggerlo", li c'e' Hopkinson come anche la definizione di coefficiente di autoinduzione e di flusso concatenato, domande alle quali non hai saputo rispondere.
"Il circuito ha sempre ragione" (Luigi Malesani)
Avatar utente
Foto UtenteRenzoDF
55,9k 8 12 13
G.Master EY
G.Master EY
 
Messaggi: 13189
Iscritto il: 4 ott 2008, 9:55

1
voti

[27] Re: Trasformatore? Si, ma avrei preferito di no :D

Messaggioda Foto UtenteRenzoDF » 17 set 2011, 9:17

Visto che ho un po' di tempo finisco di rispondere al tuo post
masomaso90 ha scritto:Ho visto anche la cosa della reattanza, la formula giusta era:
I=\frac{V_g}{R+j\omega L}

Questa puo' essere utile :ok:

masomaso90 ha scritto:che viene da qua:

Questa non l'ho capita :roll:

masomaso90 ha scritto:\varphi è l'analogo della tensione.
\Phi è l'analogo della corrente.
La legge di Hopkinson è l'analoga della legge di Ohm.... ecc. ecc.

Cos'e' ? ... ti hanno assunto al consorzio Nettuno ? :-)

masomaso90 ha scritto:Per calcolare L_1 devo trovare il flusso concatenato col primo avvolgimento..
Questa volta dovrebbe bastare:
L_1=\frac{N^2}{\mathfrak{R}}

Anche questa potrebbe servire!

masomaso90 ha scritto:Non so se devo già fare il partitore sul primo lato.

Penso proprio di si.

masomaso90 ha scritto:Comunque:
\Phi _0=\mu_0 \mu _rSH ... Che devo eguagliare tra loro.

E questa da dove arriva? ... a che flusso si riferisca e cos'e' che devi uguagliare, non l'ho capito. :roll:

masomaso90 ha scritto:Ora dovrei poter calcolare quanto vale I=\frac{V_g}{R+j\omega L}.

Ok, ma non e' strettamente necessario, basterebba un partitore di tensione per trovare "quello che ci serve" ;-)

masomaso90 ha scritto:Che è la corrente che devo mettere in \Phi _1.

Si, ma "passare" dai flussi possiamo farne anche a meno.

masomaso90 ha scritto:Poi forse uso le relazioni del trasformatore:

Chiamarle "relazioni del trasformatore" e' un po' "azzardato", comunque Ok, visto pero' che I2=0 la relazione si semplifica e ci basterebbe conoscere M (con un occhio di riguardo al segno), ma forse possiamo far a meno pure di "lui" ;-)

masomaso90 ha scritto:Dove manca I_2, che potrebbe provenire dal partitore

La corrente I2 non manca, la conosciamo, vale zero :!:

masomaso90 ha scritto:Se avessi voluto considerare il metodo lungo, della somma delle amperspire e prodotti di flussi e riluttanze, forse sarebbe stato cosi..

In questo caso non serve a nulla ... in gergo si usa ancora parlare di "amperspire", ma ricorda che come unita' di misura sono morte e sepolte (si usavano ai miei tempi :mrgreen: ) ... e comunque occhio ai versi dei generatori. ;-)
"Il circuito ha sempre ragione" (Luigi Malesani)
Avatar utente
Foto UtenteRenzoDF
55,9k 8 12 13
G.Master EY
G.Master EY
 
Messaggi: 13189
Iscritto il: 4 ott 2008, 9:55

0
voti

[28] Re: Trasformatore? Si, ma avrei preferito di no :D

Messaggioda Foto Utentemasomaso90 » 17 set 2011, 10:56

Buon giorno Renzo,

-L’autoinduttanza della spira, per un mezzo lineare, è
definita come il flusso magnetico concatenato per unità di corrente nella spira stessa.

-Il flusso concatenato è: \Phi _C {12}= N \Phi _ {12} :D

RenzoDF ha scritto:masomaso90 ha scritto:che viene da qua:


Intendevo che schematizzo il circuito, e metto l'induttore...

RenzoDF ha scritto:Cos'e' ? ... ti hanno assunto al consorzio Nettuno ? :-)


Sono le loro convenzioni?

ahahahahhahaha :D

Per fare il partitore sul primo lato, visto che ho tre generatori, se non ho capito male, la tensione finale dovrebbe essere:



(So che se mi dici occhio ai versi dei generatori, c'è qualcosa che non va... ma non riesco ad individuarlo.. con la regola della mano destra, visti gli avvolgimenti, viene verso su, verso giù, verso giù..)

V=\frac{N\Phi _1 + N \Phi _3 - N \Phi _2}{\frac{1}{\mathfrak{R}}+\frac{1}{3\mathfrak{R}}+\frac{1}{3\mathfrak{R}}}


Riguardo M:



M tra il primo e il secondo avolgimento, e il secondo e il terzo, dovrebbe venire positivo, visto che se penso ad una corrente, questi flussi sono equiversi alla corrente. Ed essendo N uguale per tutti, M=L_1=\frac{N^2}{\mathfrak{R}}


V_{AB}=j \omega M I_1

M c'è, j e \omega pure, manca I_1, che devo prenderlo dal partitore.

Ho che:

V=\frac{N\Phi _1 + N \Phi _3 - N \Phi _2}{\frac{1}{\mathfrak{R}}+\frac{1}{3\mathfrak{R}}+\frac{1}{3\mathfrak{R}}}

Ma questa la devo moltiplicare per 3\mathfrak{R} (la riluttanza di quel lato di circuito) o per \mathfrak{R}_{eq}?
Avatar utente
Foto Utentemasomaso90
109 4 7
Frequentatore
Frequentatore
 
Messaggi: 294
Iscritto il: 10 dic 2010, 21:52

0
voti

[29] Re: Trasformatore? Si, ma avrei preferito di no :D

Messaggioda Foto UtenteRenzoDF » 17 set 2011, 12:06

Il flusso generato dal primo avvolgimento si dividera' fra i due rami destri nella proporzione 3:1


vista la proporzione fra le lunghezze dei due tronchi e di conseguenza delle relative riluttanze, ne segue che, senza fare tanti conti e sistemi basta notare che

\frac{\Phi _{a}}{\Phi _{b}}=\frac{3}{1}

e visti i versi degli avvolgimenti

\begin{align}
  & V_{1}\propto \Phi =\Phi _{a}+\Phi _{b} \\ 
 & V_{2}=V_{2a}-V_{2b}\propto \Phi _{a}-\Phi _{b} \\ 
\end{align}

e quindi, vista l'uguaglianza del numero di spire N dei due semiavvolgimenti

\frac{V_{2}}{V_{1}}=\frac{\Phi _{a}-\Phi _{b}}{\Phi _{a}+\Phi _{b}}=\frac{\frac{\Phi _{a}}{\Phi _{b}}-1}{\frac{\Phi _{a}}{\Phi _{b}}+1}=\frac{2}{4}=\frac{1}{2}

o anche piu' velocemente, visto l'uguale numero di spire dei tre avvolgimenti nel secondo la tensione sara' 3/4 di quella del primo e nel terzo di 1/4; vista l'opposizione delle due f.e.m. V2 sara' pari alla differenza 3/4-1/4=1/2 della V1.
"Il circuito ha sempre ragione" (Luigi Malesani)
Avatar utente
Foto UtenteRenzoDF
55,9k 8 12 13
G.Master EY
G.Master EY
 
Messaggi: 13189
Iscritto il: 4 ott 2008, 9:55

0
voti

[30] Re: Trasformatore? Si, ma avrei preferito di no :D

Messaggioda Foto Utentemasomaso90 » 17 set 2011, 12:24

Grazie!

Domanda, perché \Phi _b è verso il basso?

Visto l'avvolgimento, con la regola della mano destra verrebbe verso l'alto...
Avatar utente
Foto Utentemasomaso90
109 4 7
Frequentatore
Frequentatore
 
Messaggi: 294
Iscritto il: 10 dic 2010, 21:52

PrecedenteProssimo

Torna a Elettrotecnica generale

Chi c’è in linea

Visitano il forum: Nessuno e 141 ospiti