La sapete la storia del college dove gli studenti di informatica raccontano il loro programma ad un orso di pezza?
Il nostro prof di informatica ce lo diceva sempre
Con me ha funzionato, avevo sbagliato un segno nelle leggi di Kirchhoff
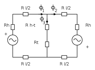
Le riluttanze sono:
per gli elementi verticali
per gli elementi orizzontali
per il traferro
per l'elemento verticale centrale.Il primo flusso è verso l'alto, il secondo verso il basso.
Non avendo generatori collegati, non possiamo dire altro per adesso.
Ho imposto i 3 flussi:
Ho usato le leggi di Kirchhoff:



Sommando membro a membro, ricavo il flusso 1.

Sostituisco nella 2° delle equazioni di Kirchhoff, faccio un po' di conti e trovo:

E poi ho pensato, citando Crozza:
"Oh Ragazzi, siam pazzi? siam mica qui per montare i pannelli fotovoltaici alle LUCCIOLE!"
ahahhahahahhaha
Cosi ho preso tutto, e l'ho dato al mio fidato amico... il Derive
Ponendo:







Et Voilà!
Prendo a, che è il flusso 1, lo moltiplico per
e ho il flusso concatenato.Ora qui ho 2 termini, uno deriva da
(quello che moltiplica i_1) e uno deriva da M, quello che moltiplica i_2.Mi estrapolo M allora.
L'equazione/poema finale è:

Ora sotto con le valutazioni!

Elettrotecnica e non solo (admin)
Un gatto tra gli elettroni (IsidoroKZ)
Esperienza e simulazioni (g.schgor)
Moleskine di un idraulico (RenzoDF)
Il Blog di ElectroYou (webmaster)
Idee microcontrollate (TardoFreak)
PICcoli grandi PICMicro (Paolino)
Il blog elettrico di carloc (carloc)
DirtEYblooog (dirtydeeds)
Di tutto... un po' (jordan20)
AK47 (lillo)
Esperienze elettroniche (marco438)
Telecomunicazioni musicali (clavicordo)
Automazione ed Elettronica (gustavo)
Direttive per la sicurezza (ErnestoCappelletti)
EYnfo dall'Alaska (mir)
Apriamo il quadro! (attilio)
H7-25 (asdf)
Passione Elettrica (massimob)
Elettroni a spasso (guidob)
Bloguerra (guerra)









