semplice circuito a 2 LED
Moderatori:
g.schgor,
IsidoroKZ
10 messaggi
• Pagina 1 di 1
0
voti
salve a tutti, da super neofita che sono vi scrivo perché vorrei realizzare un semplice circuito a 2 led distanti l'uno dall'altro 8 cm lampeggianti in sincrono, il problema è che leggendo su internet ho trovato molte cose non chiare su quali componenti utilizzare. Vi chiedo chiarimenti a voi, posso dirvi che i led da utlizzare sono 2 rossi da 3.3V con batteria da 9 e vorrei fare in modo che lamepeggino molto piano.. mi scuso per i termini utilizzati ma non sono proprio esperto, però voglio provare e ingegnarmi da solo. Grazie a tutti!!
0
voti
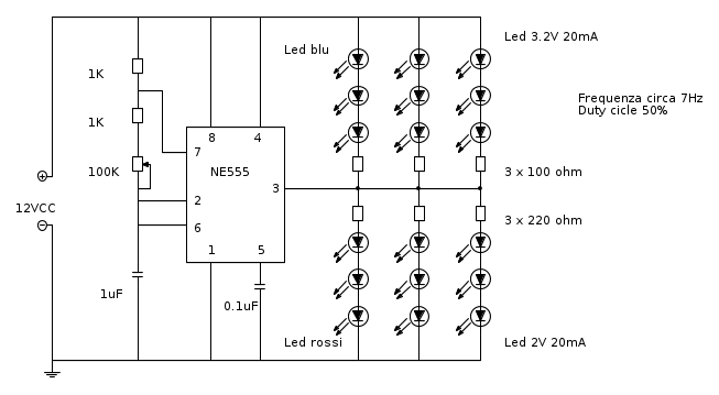
Il circuito che richiedi si puo' realizzare con un integrato NE555; il circuito potrebbe essere simile al seguente:
Qui i led sono molti (avevo lo schema gia' pronto e non avevo voglia di ridisegnarlo) comunque immaginalo con i soli due led, ognuno per ogni ramo in uscita.
La frequenza di accensione/spegnimento puo' essere modificata cambiando il valore delle resistenze e del consensatore e devi deciderla tu.

Qui i led sono molti (avevo lo schema gia' pronto e non avevo voglia di ridisegnarlo) comunque immaginalo con i soli due led, ognuno per ogni ramo in uscita.
La frequenza di accensione/spegnimento puo' essere modificata cambiando il valore delle resistenze e del consensatore e devi deciderla tu.

marco
0
voti
mmh è complicato anche questo schema per me
Cosa dovrei comperare? Sono proprio terra terra... 
0
voti
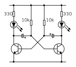
Si può anche realizzare come segue, usando due transistori bipolari NPN generici, come i BC547:
I valori dei condensatori devono essere di alcuni microfarad; variandoli varierà la frequenza di lampeggiamento.
I valori dei condensatori devono essere di alcuni microfarad; variandoli varierà la frequenza di lampeggiamento.
0
voti
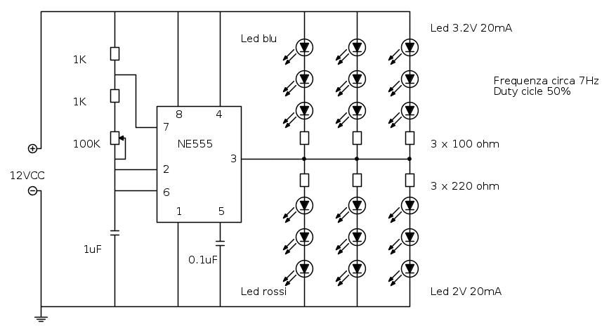
Forse vedendolo con tanti componenti inutili ti e' sembrato complicato; quello che segue e' lo schema che dovresti realizzare:
In pratica 1 NE555, 2 condensatori,4 resistenze ed 1 trimmer.
Se ti sembra complesso, c'e' sempre lo schema proposto da
lucbie, ma non mi sembra tanto meno semplice di questo.
In pratica 1 NE555, 2 condensatori,4 resistenze ed 1 trimmer.
Se ti sembra complesso, c'e' sempre lo schema proposto da
marco
0
voti
marco438 ha scritto:Se ti sembra complesso, c'e' sempre lo schema proposto dalucbie, ma non mi sembra tanto meno semplice di questo.
Non è meno semplice da costruire; è solo più discreto.
0
voti
hyuma ha scritto:...lampeggianti in sincrono...
Che significa che devono lampeggiare contemporaneamente o alternati?
"Computers, operating systems, networks are a hot mess. They're barely manageable, even if you know a decent amount about what you're doing. Nine out of ten software engineers agree: it's a miracle anything works at all."
@fasterthanlime
@fasterthanlime
0
voti
DonJ ha scritto:hyuma ha scritto:...lampeggianti in sincrono...
Che significa che devono lampeggiare contemporaneamente o alternati?
Si intendo dire contemporaneamente si devono accendere e spegnere molto lentamente
0
voti
hyuma ha scritto:
Si intendo dire contemporaneamente si devono accendere e spegnere molto lentamente
Allora avevo frainteso e quanto ho scritto finora non serve a niente.
E tu vorresti ottenere questo risultato con un circuito "semplice"?

marco
0
voti
eh non saprei come fare.. ho visto tanti video su youtube ma ho poche soluzioni purtroppo... 
10 messaggi
• Pagina 1 di 1
Torna a Elettrotecnica generale
Chi c’è in linea
Visitano il forum: Nessuno e 79 ospiti

Elettrotecnica e non solo (admin)
Un gatto tra gli elettroni (IsidoroKZ)
Esperienza e simulazioni (g.schgor)
Moleskine di un idraulico (RenzoDF)
Il Blog di ElectroYou (webmaster)
Idee microcontrollate (TardoFreak)
PICcoli grandi PICMicro (Paolino)
Il blog elettrico di carloc (carloc)
DirtEYblooog (dirtydeeds)
Di tutto... un po' (jordan20)
AK47 (lillo)
Esperienze elettroniche (marco438)
Telecomunicazioni musicali (clavicordo)
Automazione ed Elettronica (gustavo)
Direttive per la sicurezza (ErnestoCappelletti)
EYnfo dall'Alaska (mir)
Apriamo il quadro! (attilio)
H7-25 (asdf)
Passione Elettrica (massimob)
Elettroni a spasso (guidob)
Bloguerra (guerra)








