Misure resistenza a 4 fili
Moderatori:
carloc,
g.schgor,
BrunoValente,
IsidoroKZ
23 messaggi
• Pagina 1 di 3 • 1, 2, 3
0
voti
a quanto so io si... nel libro di misure elettroniche viene indicata per misurare resistenze molto piccole perché molto precisa, dato che non risente delle resistenze dei cavi di collegamento
0
voti
Certo che la aumenta. Elimina l' errore introdotto dalla resistenza dei fili che, tra l' altro, dipende anche dalla temperatura.
l' ho utilizzata più di una volta per la misura della resistenza con l' apparecchiatura distante parecchi metri dalla resistenza da misurare. Ho utilizzato un generatore a corrente costante e ho letto la tensione direttamente sulla resistenza. Misuravo resistenze dell' ordine dei
l' ho utilizzata più di una volta per la misura della resistenza con l' apparecchiatura distante parecchi metri dalla resistenza da misurare. Ho utilizzato un generatore a corrente costante e ho letto la tensione direttamente sulla resistenza. Misuravo resistenze dell' ordine dei

"La follia sta nel fare sempre la stessa cosa aspettandosi risultati diversi".
"Parla soltanto quando sei sicuro che quello che dirai è più bello del silenzio".
Rispondere è cortesia, ma lasciare l'ultima parola ai cretini è arte.
"Parla soltanto quando sei sicuro che quello che dirai è più bello del silenzio".
Rispondere è cortesia, ma lasciare l'ultima parola ai cretini è arte.
-

TardoFreak
73,9k 8 12 13 - -EY Legend-

- Messaggi: 15754
- Iscritto il: 16 dic 2009, 11:10
- Località: Torino - 3° pianeta del Sistema Solare
2
voti
in attesa di una risposta migliore direi che il metodo voltamperometrico utilizzato per misurare il valore di un resistore offre una precisione maggiore di quella offerta da un multimetro,nel caso di una misura di un valore piccolissimo di resistenza lo schema utilizzato può essere del tipo:
il voltmetro risulta derivato a valle dell'amperometro e misura una tensione Vm=V ovvero quella che effettivamente è applicata ai capi del resistore incognito Rx, e l'amperometro rileva un'intensità di corrente parial valore Im =I+Iv cioè considera anche l'intenistà di corrente del voltmetro
(errore sistematico), valore che potrà essere trascurato qualora l'intensità di corrente
che transita nel resistore incognito sia elevata (100 volte maggiore di
) pertanto
se volessimo invece considerare anche la
diverrebbe:

con
la resitenza complessiva del voltmetro.
mentre pe rla misura di resistenze medie risulta conveninete l'inserzione del voltmetro a monte dell'amperometro che segnerà un'intensità di corrente pari al valore
che risulterà essere quella ch eattravers ail resistore Rx ed il voltmetro indicherà una tensione del valore di
dove
risulta essere la cdt sull'amperometro che in questo caso può essere trascurata solo se inferiore alla tensione totale (1/100 di V) in questo caso il resistore incognito assume il valore

con
la resistenza interna dell'amperometro.
nella pratica si preferisce l'inserzione con il voltmetro a valle in quanto la resistenza dei voltmetri Rv risulta indicata dal costruttore in genere,utilizzando strumenti di classe elevata con questo metodo si possono coprire misure piccolissime di resistenza.
il voltmetro risulta derivato a valle dell'amperometro e misura una tensione Vm=V ovvero quella che effettivamente è applicata ai capi del resistore incognito Rx, e l'amperometro rileva un'intensità di corrente parial valore Im =I+Iv cioè considera anche l'intenistà di corrente del voltmetro
(errore sistematico), valore che potrà essere trascurato qualora l'intensità di corrente
che transita nel resistore incognito sia elevata (100 volte maggiore di
) pertanto
se volessimo invece considerare anche la
diverrebbe:
con
la resitenza complessiva del voltmetro.mentre pe rla misura di resistenze medie risulta conveninete l'inserzione del voltmetro a monte dell'amperometro che segnerà un'intensità di corrente pari al valore
che risulterà essere quella ch eattravers ail resistore Rx ed il voltmetro indicherà una tensione del valore di
dove
risulta essere la cdt sull'amperometro che in questo caso può essere trascurata solo se inferiore alla tensione totale (1/100 di V) in questo caso il resistore incognito assume il valore
con
la resistenza interna dell'amperometro.nella pratica si preferisce l'inserzione con il voltmetro a valle in quanto la resistenza dei voltmetri Rv risulta indicata dal costruttore in genere,utilizzando strumenti di classe elevata con questo metodo si possono coprire misure piccolissime di resistenza.
0
voti
E come faresti a fare una misura a 4 fili con un ohmetro? 
"La follia sta nel fare sempre la stessa cosa aspettandosi risultati diversi".
"Parla soltanto quando sei sicuro che quello che dirai è più bello del silenzio".
Rispondere è cortesia, ma lasciare l'ultima parola ai cretini è arte.
"Parla soltanto quando sei sicuro che quello che dirai è più bello del silenzio".
Rispondere è cortesia, ma lasciare l'ultima parola ai cretini è arte.
-

TardoFreak
73,9k 8 12 13 - -EY Legend-

- Messaggi: 15754
- Iscritto il: 16 dic 2009, 11:10
- Località: Torino - 3° pianeta del Sistema Solare
0
voti
guzz ha scritto:ma questa è misura voltamperometrica

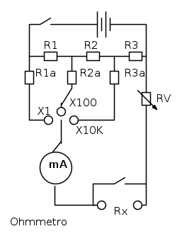
un'ohmmetro analogico, utilizza un milliamperometro (o microamperometro) ed un circuito di resisttori noti opportunamente collegati dove viene inserito il resistore incognito da misurare e l'alimentazione del circuito avviene per mezzo di una batteria con valore noto di tensione, l'intensità di corrente che attraversa la bobina dello strumento è funzione del resistore incognito quindi lo strumento (milliamperometro9 potrà essere dotatodi una adeguata scala graduata in Ohm.
0
voti
schema generico di un'ohmmetro:
0
voti
questo è un ohmetro a due fili, del tipo che si trova nei comunissimi tester.
il mio prof di misure alle superiori lo definiva un'aberrazione elettrotecnica.
nei multimetri, tipo questo:

c'è la possibilità di fare misure con ohmetro a 4 fili, ossia con circuito amperometrico diviso da quello voltmetrico.
se non sbaglio viene impressa una corrente nota dall'amperometrico e misurata la tensione sul voltmetrico, poi viene fatto il calcolo della resistenza
esattamente sotto al scritta function si vede il tasto per al selezione tra ohmetro a 2 (
2W) o 4 (
4W) fili
il mio prof di misure alle superiori lo definiva un'aberrazione elettrotecnica.
nei multimetri, tipo questo:

c'è la possibilità di fare misure con ohmetro a 4 fili, ossia con circuito amperometrico diviso da quello voltmetrico.
se non sbaglio viene impressa una corrente nota dall'amperometrico e misurata la tensione sul voltmetrico, poi viene fatto il calcolo della resistenza
esattamente sotto al scritta function si vede il tasto per al selezione tra ohmetro a 2 (
2W) o 4 (
4W) fili
23 messaggi
• Pagina 1 di 3 • 1, 2, 3
Chi c’è in linea
Visitano il forum: Nessuno e 315 ospiti

Elettrotecnica e non solo (admin)
Un gatto tra gli elettroni (IsidoroKZ)
Esperienza e simulazioni (g.schgor)
Moleskine di un idraulico (RenzoDF)
Il Blog di ElectroYou (webmaster)
Idee microcontrollate (TardoFreak)
PICcoli grandi PICMicro (Paolino)
Il blog elettrico di carloc (carloc)
DirtEYblooog (dirtydeeds)
Di tutto... un po' (jordan20)
AK47 (lillo)
Esperienze elettroniche (marco438)
Telecomunicazioni musicali (clavicordo)
Automazione ed Elettronica (gustavo)
Direttive per la sicurezza (ErnestoCappelletti)
EYnfo dall'Alaska (mir)
Apriamo il quadro! (attilio)
H7-25 (asdf)
Passione Elettrica (massimob)
Elettroni a spasso (guidob)
Bloguerra (guerra)





