Cos'è ElectroYou | Login Iscriviti

ElectroYou - la comunità dei professionisti del mondo elettrico

Falso circuito del second'ordine.

Circuiti, campi elettromagnetici e teoria delle linee di trasmissione e distribuzione dell’energia elettrica

Moderatori: Foto Utenteg.schgor, Foto UtenteIsidoroKZ

0
voti

[1] Falso circuito del second'ordine.

Messaggioda Foto Utentemasomaso90 » 18 set 2011, 19:45

Ciao a tutti,

Foto UtenteRenzoDF di ricomnciare con un nuovo post questo esercizio, e io lo ricomincio, quindi non prendetelo come un doppio post (o se volete cancellate quello vecchio) :D


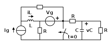
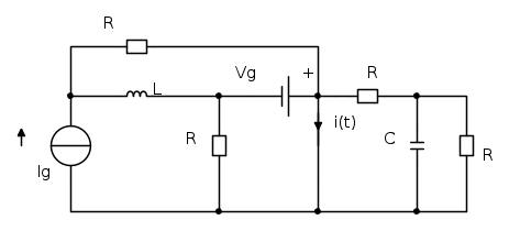
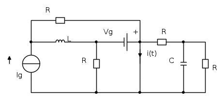
Calcolare la corrente i(t), t=0, t>0, sapendo che k chiude a t=0 e che la rete è a regime.


Dati:

R= 2 \Omega
L= 1 mH
V_g=6 V
I_g=1 A
C=1 mF



Ho calcolato la resistenza letta ai capi di induttore e condensatore, con K chiuso..

R_L=R
R_C=R/2

Ok, le condizioni iniziali danno i_0=0, perche il circuito è aperto.

La corrente a regime è i_\infty, che calcolo con la sovrapposizione degli erffetti:

1) stacco il generatore di tensione ---> la corrente che scorre nel corto circuito è tutta la corrente erogata dal generatore.:




2) Stacco l'altro generatore, calcolo la corrente:

i_2=\frac{V_g}{R}= 3 A


La somma dei 2 contributi mi da: i_\infty=3+1=4 A

E fin qua c'ero.. ora si tratta di vedere il transitorio...

Poi Foto UtenteRenzoDF mi ha detto:

"... alla chiusura dell'interruttore, visto il cortocircuito, puoi calcolare i(t) come somma dei contributi delle correnti dovute alle due semireti destra e sinistra, nelle quali la rete puo' essere vista suddivisa."



Le costanti di tempo sono:
\tau_C=CR_C

\tau_L=\frac{R_L}{L}



Il contributo della parte destra è stato facile da immaginare, si tratta di partitore di corrente.

Quindi calcolo il contributo alla corrente di competenza del condensatore, durante il transitorio.

Per arrivare a scrivere una cosa del genere:

i(t)=i_c+i_L+i_\infty

Dovrebbe essere:

i_c=\frac{-i_\infty^{-\frac{t}{\tau _c}}}{2}

Ora, per i_L posso fare 2 cose, o ragiono sul caso particolare, o in generale.

Sul caso particolare, dico che:

i(0)=i_c+i_L+i_\infty=0

Conosco, è un'equazione ad un'incognita, ricavo i_L.

Possibilmente è valido sempre, basta mettere al posto di 0, il valore di i_0, e quindi dal particolare vado al generale... e magari all'esame fare cosi.

Ma siamo qui anche per imparare, giusto? :D

E io vorrei capire dallo schema, perche:

i_L=\frac{-i_\infty^{-\frac{t}{\tau _L}}}{2}

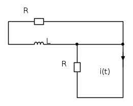
Ho provato quindi a fare uno schema, togliendo i generatori e la semi rete destra:



Ma il risultato non combacia...

E siccome i conti sono migliori dei grafici, è il grafico sbagliato, e non il conto :D

Mi potreste dire, per piacere, se quanto detto fin ora è corretto?

E poi, mi potreste far vedere dal circuito perche i_L viene in quella maniera?

Grazie
Avatar utente
Foto Utentemasomaso90
109 4 7
Frequentatore
Frequentatore
 
Messaggi: 294
Iscritto il: 10 dic 2010, 21:52

3
voti

[2] Re: Falso circuito del second'ordine.

Messaggioda Foto UtenteRenzoDF » 21 set 2011, 16:06

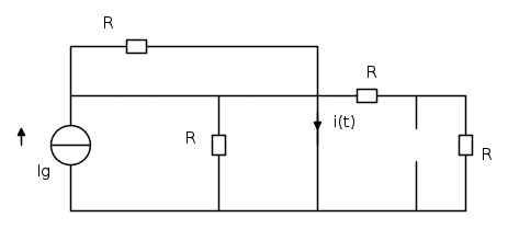
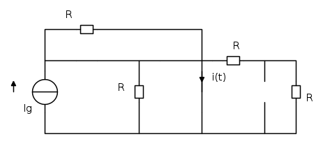
Ci sono diversi errori in quello che scrivi, comunque provo a spiegarti cosa intendevo fare
a) ritraccio lo schema

b) lo studio per t<0 con interruttore aperto, da semplice ispezione visiva si deduce che iL(0-)=4 ampere in quanto il resistore superiore e' sottoposto a 6 volt mentre per vC(0-) basta vedere che semplificando i due paralleli fra GIT e R e GIC e R, la f.e.m. totale di maglia e' pari a 8 volt che si ripartiscono sui tre resistori in parti uguali; di conseguenza vC(0-)=8/3 V

c) a questo punto, avendo determinato le condizioni iniziali studiamo il circuito per t>0
iL(0+)=iL(0-)=4A e vC(0+)=vC(0-)=8/3V e visto la posizione topologica del cortocircuito, possiamo studiare il comportamento della rete spezzandola nelle due sottoreti destra e sinistra e ottenendo la corrente i(t) cercata come somma delle correnti parziali ia e ib

e' chiaro che ia non puo' che essere costante e pari a 4 ampere, mentre ib non sara' altro che la emicorrente di scarica del condensatore con costante di tempo RC/2.
Ne segue che scrivere i(t) e' quanto mai semplice

i(t)=i_{a}(t)+i_{b}(t)=4+\frac{1}{2}\left( \frac{2v_{C}(0+)}{R} \right)\,e^{-\frac{2t}{RC}}=4+\frac{8}{6}e^{-1000t}\ \text{A}
"Il circuito ha sempre ragione" (Luigi Malesani)
Avatar utente
Foto UtenteRenzoDF
55,9k 8 12 13
G.Master EY
G.Master EY
 
Messaggi: 13189
Iscritto il: 4 ott 2008, 9:55

0
voti

[3] Re: Falso circuito del second'ordine.

Messaggioda Foto Utentemasomaso90 » 21 set 2011, 19:32

Ciao Foto UtenteRenzoDF,

grazie per la risposta.

Ricapitolando, l'induttore non vede variazione di corrente, quindi per lui non c'è transitorio.

Della corrente derivante dalla scarica del condensatore, il 50% si riversa nel corto circuito.

E poi c'è il solito i_\infty...

Oggi ho addirittura fatto la teoria che giustifica la formula che usiamo solitamente :D

aahhahahahhahah
Avatar utente
Foto Utentemasomaso90
109 4 7
Frequentatore
Frequentatore
 
Messaggi: 294
Iscritto il: 10 dic 2010, 21:52

0
voti

[4] Re: Falso circuito del second'ordine.

Messaggioda Foto UtenteRenzoDF » 21 set 2011, 21:11

masomaso90 ha scritto:E poi c'è il solito i_\infty...

No, non c'e', e' incluso nella somma ;-)

masomaso90 ha scritto:Oggi ho addirittura fatto la teoria che giustifica la formula che usiamo solitamente :D

Quale formula ?
"Il circuito ha sempre ragione" (Luigi Malesani)
Avatar utente
Foto UtenteRenzoDF
55,9k 8 12 13
G.Master EY
G.Master EY
 
Messaggi: 13189
Iscritto il: 4 ott 2008, 9:55

0
voti

[5] Re: Falso circuito del second'ordine.

Messaggioda Foto Utentemasomaso90 » 21 set 2011, 21:26

La formula:

y(t)=(y_0-y_\infty)e^{-\frac{t}{\tau }}+y_\infty

:D
Avatar utente
Foto Utentemasomaso90
109 4 7
Frequentatore
Frequentatore
 
Messaggi: 294
Iscritto il: 10 dic 2010, 21:52

4
voti

[6] Re: Falso circuito del second'ordine.

Messaggioda Foto Utentemasomaso90 » 21 ott 2011, 12:12

Ciao a tutti!


Riprendo questo post, non per seccarvi con altre domande, ma per ringraziarvi tutti :D

Finalmente anche questo mattone, elettrotecnica, è stato tolto!

Ringrazio Foto Utenteasdf per la compagnia e la simpatia, durante il comune percorso d'apprendimento.

Ringrazio Foto Utentepinklady per la sua cortesia e disponibilità.

Infine, il grazie più grosso di tutti va a Foto UtenteRenzoDF, che s'è messo un'estate sana appresso a me, per aiutarmi a raggiungere il livello di preparazione necessario :D

Regula falsi a parte :D

ahahahahhaha

Ciao ragazzi, siete grandi! sentirete ancora parlare di me :D

ahahhahahahah
Avatar utente
Foto Utentemasomaso90
109 4 7
Frequentatore
Frequentatore
 
Messaggi: 294
Iscritto il: 10 dic 2010, 21:52

0
voti

[7] Re: Falso circuito del second'ordine.

Messaggioda Foto Utenteasdf » 21 ott 2011, 12:17

Figurati Foto Utentemasomaso90 :D
Sono contento che l'esame sia andato bene e ciò rende merito del lavoro fatto quest'estate e dell'aiuto che ti ha concesso tante volte Foto UtenteRenzoDF.
Complimenti ancora :D :ok:
Avatar utente
Foto Utenteasdf
25,3k 8 11 13
Master EY
Master EY
 
Messaggi: 4762
Iscritto il: 11 apr 2010, 9:19

0
voti

[8] Re: Falso circuito del second'ordine.

Messaggioda Foto Utentealev » 21 ott 2011, 12:29

Complimenti per l'esame :ok:
Per quanto riguarda Foto UtenteRenzoDF, non c'erano dubbi che il suo aiuto sarebbe servito, è davvero un ottimo idraulico :D
Avatar utente
Foto Utentealev
5.990 2 9 12
free expert
 
Messaggi: 6282
Iscritto il: 19 lug 2010, 14:38
Località: Altrove

1
voti

[9] Re: Falso circuito del second'ordine.

Messaggioda Foto Utentemasomaso90 » 21 ott 2011, 12:36

Grazie a tutti :D

Ottimo idraulico, e non solo :D

ahahahhaha
Avatar utente
Foto Utentemasomaso90
109 4 7
Frequentatore
Frequentatore
 
Messaggi: 294
Iscritto il: 10 dic 2010, 21:52

1
voti

[10] Re: Falso circuito del second'ordine.

Messaggioda Foto Utentejordan20 » 21 ott 2011, 14:57

Bravo masino :!: :D
"Lo scienziato descrive ciò che esiste, l'ingegnere crea ciò che non era mai stato."
(T. von Kármán)
Avatar utente
Foto Utentejordan20
13,0k 5 11 13
G.Master EY
G.Master EY
 
Messaggi: 1550
Iscritto il: 13 lug 2011, 12:55
Località: Palermo

Prossimo

Torna a Elettrotecnica generale

Chi c’è in linea

Visitano il forum: Nessuno e 141 ospiti