![\[E_{1}=20V\] \[E_{1}=20V\]](/forum/latexrender/pictures/42a48485e03fa70842c2cb0e3c0c4658.png)
![\[E_{2}=25V\] \[E_{2}=25V\]](/forum/latexrender/pictures/e4cd1d2d90cbbf97c84703457d72490f.png)
![\[J=3A\] \[J=3A\]](/forum/latexrender/pictures/f43c3c6139fa1bd6e29ca5c5156885a3.png)
![\[R=10\Omega \] \[R=10\Omega \]](/forum/latexrender/pictures/f4c51378793e8078a04b5b97ca1820ee.png)
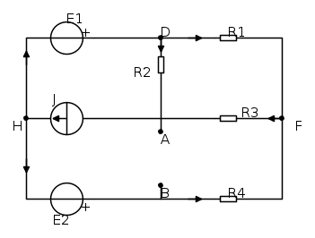
Io ho scelto come nodo di riferimento il nodo H. E quindi ho proseguito in questo modo:
![\[U_{H}=0 \] \[U_{H}=0 \]](/forum/latexrender/pictures/0f01074926ec55ecc7b74fd34d1e12c0.png)
![\[U_{H}-U_{D} = -U_{D}=E_{1}\] \[U_{H}-U_{D} = -U_{D}=E_{1}\]](/forum/latexrender/pictures/5f3691349742d2d4db43868d29a466dc.png)
![\[U_{D}-U_{A} =R_{2}\cdot i_{2}\] \[U_{D}-U_{A} =R_{2}\cdot i_{2}\]](/forum/latexrender/pictures/83001426f0bae5df6fc8baf9384e8b74.png)
![\[U_{D}-U_{F} =R_{1}\cdot i_{1}\] \[U_{D}-U_{F} =R_{1}\cdot i_{1}\]](/forum/latexrender/pictures/1575e9f91fd1b94f9b886209969947b9.png)
![\[U_{F}-U_{A} =R_{3}\cdot i_{3}\] \[U_{F}-U_{A} =R_{3}\cdot i_{3}\]](/forum/latexrender/pictures/89caa103b16936ad219bcbaf20636d6b.png)
![\[U_{B}-U_{F} =R_{4}\cdot i_{4}\] \[U_{B}-U_{F} =R_{4}\cdot i_{4}\]](/forum/latexrender/pictures/8bf46343a525ece164564174ee11c422.png)
![\[U_{H}-U_{B} =U_{B}=-E_{2}\] \[U_{H}-U_{B} =U_{B}=-E_{2}\]](/forum/latexrender/pictures/d2260e10d8ca0ccbdea06f01f0a4c5b8.png)
![\[U_{A}-U_{H} =U_{A}=U_{J}\] \[U_{A}-U_{H} =U_{A}=U_{J}\]](/forum/latexrender/pictures/4cb8b04807c1f385837a6c87fd7fe35f.png)
A questo punto,scrivo le LKC a tutti i nodi:
![\[Nodo D : -i_{E1}+i_{2}+i_{1}=0\] \[Nodo D : -i_{E1}+i_{2}+i_{1}=0\]](/forum/latexrender/pictures/133a31d2a352afc445172458f3133e66.png)
![\[Nodo F : -i_{1}+i_{3}-i_{4}=0\] \[Nodo F : -i_{1}+i_{3}-i_{4}=0\]](/forum/latexrender/pictures/46e772f226e7f3dbad09df592e88b018.png)
![\[Nodo A : -i_{2}+J-i_{3}=0\] \[Nodo A : -i_{2}+J-i_{3}=0\]](/forum/latexrender/pictures/c1ddc7d70823db1fc17a2ae470c95120.png)
![\[Nodo B : -i_{E2}+i_{4}=0\] \[Nodo B : -i_{E2}+i_{4}=0\]](/forum/latexrender/pictures/c8e6733d38d660ff99a314ab9d946892.png)
Arrivata qui,non so come proseguire in quanto il potenziale del nodo B è noto. Quello del nodo A come lo trovo?
Moderatori:
g.schgor,
IsidoroKZ
![\[E_{1}=20V\] \[E_{1}=20V\]](/forum/latexrender/pictures/42a48485e03fa70842c2cb0e3c0c4658.png)
![\[E_{2}=25V\] \[E_{2}=25V\]](/forum/latexrender/pictures/e4cd1d2d90cbbf97c84703457d72490f.png)
![\[J=3A\] \[J=3A\]](/forum/latexrender/pictures/f43c3c6139fa1bd6e29ca5c5156885a3.png)
![\[R=10\Omega \] \[R=10\Omega \]](/forum/latexrender/pictures/f4c51378793e8078a04b5b97ca1820ee.png)
![\[U_{H}=0 \] \[U_{H}=0 \]](/forum/latexrender/pictures/0f01074926ec55ecc7b74fd34d1e12c0.png)
![\[U_{H}-U_{D} = -U_{D}=E_{1}\] \[U_{H}-U_{D} = -U_{D}=E_{1}\]](/forum/latexrender/pictures/5f3691349742d2d4db43868d29a466dc.png)
![\[U_{D}-U_{A} =R_{2}\cdot i_{2}\] \[U_{D}-U_{A} =R_{2}\cdot i_{2}\]](/forum/latexrender/pictures/83001426f0bae5df6fc8baf9384e8b74.png)
![\[U_{D}-U_{F} =R_{1}\cdot i_{1}\] \[U_{D}-U_{F} =R_{1}\cdot i_{1}\]](/forum/latexrender/pictures/1575e9f91fd1b94f9b886209969947b9.png)
![\[U_{F}-U_{A} =R_{3}\cdot i_{3}\] \[U_{F}-U_{A} =R_{3}\cdot i_{3}\]](/forum/latexrender/pictures/89caa103b16936ad219bcbaf20636d6b.png)
![\[U_{B}-U_{F} =R_{4}\cdot i_{4}\] \[U_{B}-U_{F} =R_{4}\cdot i_{4}\]](/forum/latexrender/pictures/8bf46343a525ece164564174ee11c422.png)
![\[U_{H}-U_{B} =U_{B}=-E_{2}\] \[U_{H}-U_{B} =U_{B}=-E_{2}\]](/forum/latexrender/pictures/d2260e10d8ca0ccbdea06f01f0a4c5b8.png)
![\[U_{A}-U_{H} =U_{A}=U_{J}\] \[U_{A}-U_{H} =U_{A}=U_{J}\]](/forum/latexrender/pictures/4cb8b04807c1f385837a6c87fd7fe35f.png)
![\[Nodo D : -i_{E1}+i_{2}+i_{1}=0\] \[Nodo D : -i_{E1}+i_{2}+i_{1}=0\]](/forum/latexrender/pictures/133a31d2a352afc445172458f3133e66.png)
![\[Nodo F : -i_{1}+i_{3}-i_{4}=0\] \[Nodo F : -i_{1}+i_{3}-i_{4}=0\]](/forum/latexrender/pictures/46e772f226e7f3dbad09df592e88b018.png)
![\[Nodo A : -i_{2}+J-i_{3}=0\] \[Nodo A : -i_{2}+J-i_{3}=0\]](/forum/latexrender/pictures/c1ddc7d70823db1fc17a2ae470c95120.png)
![\[Nodo B : -i_{E2}+i_{4}=0\] \[Nodo B : -i_{E2}+i_{4}=0\]](/forum/latexrender/pictures/c8e6733d38d660ff99a314ab9d946892.png)


![\[R_{Th}=6\Omega \] \[R_{Th}=6\Omega \]](/forum/latexrender/pictures/584ecf415fd9b3f933145c2891ee1a7a.png)















ed
.
<----> 
<-----> 
. Io mi trovo
e di conseguenza:



lillo ha scritto:potrei sbagliarmi ma ho il sospetto che il circuito sia questo:
Torna a Elettrotecnica generale
Visitano il forum: Nessuno e 15 ospiti