Allora sono appena tornato.
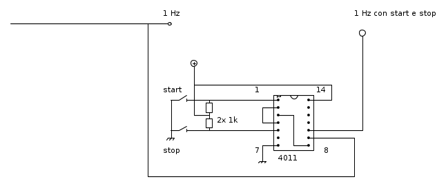
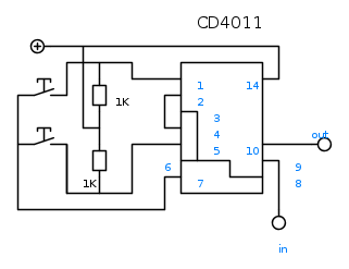
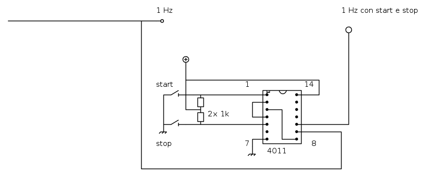
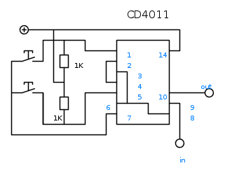
Oggi ho montato il circuito con generatore di clock e display 7 segmenti con contatore 4518.
Funziona tutto perfettamente.
Il display conta da 0 a 9.
Però c'è un problema da cui non riesco a venirne a capo: il sistema start/stop non funziona o meglio lo stop funziona solo se l'interruttore di stop è costantemente a massa.
Non riesco a risolvere,forse qualche connessione sbagliata nel mio schema.
questo è il mio schema:
qualcuno può aiutarmi?

Elettrotecnica e non solo (admin)
Un gatto tra gli elettroni (IsidoroKZ)
Esperienza e simulazioni (g.schgor)
Moleskine di un idraulico (RenzoDF)
Il Blog di ElectroYou (webmaster)
Idee microcontrollate (TardoFreak)
PICcoli grandi PICMicro (Paolino)
Il blog elettrico di carloc (carloc)
DirtEYblooog (dirtydeeds)
Di tutto... un po' (jordan20)
AK47 (lillo)
Esperienze elettroniche (marco438)
Telecomunicazioni musicali (clavicordo)
Automazione ed Elettronica (gustavo)
Direttive per la sicurezza (ErnestoCappelletti)
EYnfo dall'Alaska (mir)
Apriamo il quadro! (attilio)
H7-25 (asdf)
Passione Elettrica (massimob)
Elettroni a spasso (guidob)
Bloguerra (guerra)





