posta10100 ha scritto:donciccio ha scritto:al posto delle lampade metti i led
Che passeranno a miglior vita prima che possa vederli accesi.![]()
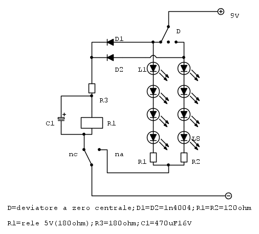
Se vuol utilizzare quello schema deve aggiungere le resistenze in serie.
cosi va meglio:
Moderatori:
carloc,
g.schgor,
BrunoValente,
IsidoroKZ
posta10100 ha scritto:donciccio ha scritto:al posto delle lampade metti i led
Che passeranno a miglior vita prima che possa vederli accesi.![]()
Se vuol utilizzare quello schema deve aggiungere le resistenze in serie.
marco438 ha scritto:Cosi' va un po' meglio.
Resta il fatto che il sistema del diodo lampeggiante non e' il "massimo della tecnica elettronica".![]()
donciccio ha scritto:marco438 ha scritto:per un semplice lampeggio come in questo caso va piu che bene,è un circuito semplicissimo sfido chiunque a farne uno piu semplice e funzionale,che non fa uso ne di transistor ne di ic


donciccio ha scritto:per un semplice lampeggio come in questo caso va piu che bene,è un circuito semplicissimo sfido chiunque a farne uno piu semplice e funzionale,che non fa uso ne di transistor ne di ic
Visitano il forum: Majestic-12 [Bot] e 44 ospiti