Salve a tutti, salto i convenevoli facendo solo i complimenti per l'ottimo forum.
Ho un problema con un vecchio alimentatore per lampade a filamento per uso
cinematografico con una potenza, diciamo, mai superiore a 700/800W.
L'alimentatore è un comune circuito a ponte di diodi, doppia semionda,
con batteria di condensatori di filtro, per un totale di 18 mF.
L'alimentatore, da targa, deve fornire 120 Dc @ 9A
Il trasformatore originale ha in uscita una seconda coppia di fili a cui è collegato
un condensatore AC da 14 µF, 660 V.
Il malfunzionamento è che collegando il carico (la lampada), la tensione DC ai suoi
capi non raggiunge i valori richiesti (da 70 a 110 V, regolabili tramite reostato), non
superando il valore di 70V con reoastato a manetta.
Controllando la bontà dei componenti, pare che il trasformatore sia il problema.
Essendo quasi impossibile trovare un trasformatore dalle caratteristiche simili, ho provato
a collegarne uno nuovo, (230 / 115) che a giudicare dalla stazza potrebbe tranquillamente
superare i 1500 VA; succede che azionando l'interruttore termico sul quadro, scatta
istantaneamente, provocando una scintilla sul catodo di uno dei diodi.
Il trafo funziona correttamente, l'ho provato anche dopo "l'incidente".
Qualcuno di voi conosce l'utilità di quel condensatore AC sul "secondo" secondario?
Esiste una sorta di "avviamento" di un trasformatore...?
ps: collegando un fusibile (da 10A) tra ponte e condensatore/filtro, scatta sempre il termico
e il fusibile rimane intatto.
Grazie mille
Franco
Alimentatore "vintage"
Moderatori:
g.schgor,
IsidoroKZ
32 messaggi
• Pagina 1 di 4 • 1, 2, 3, 4
0
voti
Ri-ciao a tutti, ho visto che qualcuno ha letto il mio post,
ma non ho ricevuto risposta: c'è qualcosa che non va?
Ho sbagliato qualcosa nell'inserimento del post?
Come avrete intuito, sono nuovo del forum, anche se
mi sono registrato mesi fa...
ciao ciao
Franco
ma non ho ricevuto risposta: c'è qualcosa che non va?
Ho sbagliato qualcosa nell'inserimento del post?
Come avrete intuito, sono nuovo del forum, anche se
mi sono registrato mesi fa...
ciao ciao
Franco
2
voti
faraanco ha scritto: ..pare che il trasformatore sia il problema.
verifica la bontà del trasformatore, misurando il valore Ohmico degli avvolgimenti, in genere fra i componenti che hai descritto nella composizione dell'alimentatore i più critici sono i condensatori, pertanto puoi provare a sostituire questi ultimi lasciando il trasformatore originale; per quanto concerne il condensatore/avvolgimento ausiliario, credo che sia opportuno che posti uno schema di come sia realizzato l'alimentatore pe rpoter dare maggiori informazioni a chi potrà risponderti.
per disegnar elo schema puoi utilizzare il semplice ma potente strumento di disegno fidocadj, qui hai tutte le infoper utilizzarlo.
faraanco ha scritto:scatta sempre il termico
se ti riferisci al magnetotermico di protezione sull'impianto prese non è escluso che intervenga per magnetica e non per termica.
faraanco ha scritto:ho visto che qualcuno ha letto il mio post,
ma non ho ricevuto risposta: c'è qualcosa che non va?
Ho sbagliato qualcosa nell'inserimento del post?
non c'è nulla che non va semplicemente io l'ho letto ora, e per quel che posso ho risposto.
2
voti
mir ha scritto: verifica la bontà del trasformatore, misurando il valore Ohmico degli avvolgimenti
questo effettivamente non l'ho fatto
mir ha scritto:in genere fra i componenti che hai descritto nella composizione dell'alimentatore i più critici sono i condensatori
ho già provato a sostituire i componenti: con ponte e condensatori nuovi il comportamento è lo stesso
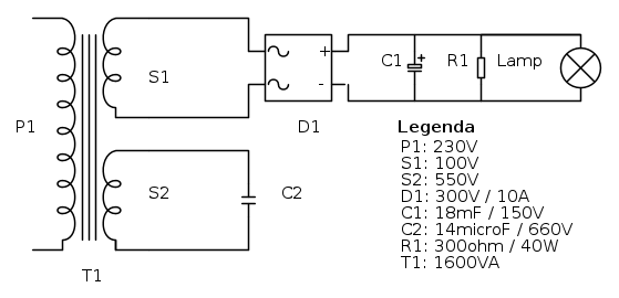
qua c'è lo schemamir ha scritto:per disegnar elo schema puoi utilizzare il semplice ma potente strumento di disegno fidocadj
mir ha scritto:se ti riferisci al magnetotermico di protezione sull'impianto prese non è escluso che intervenga per magnetica e non per termica.
probabile. c'è un modo per accertarlo?
mir ha scritto:non c'è nulla che non va semplicemente io l'ho letto ora, e per quel che posso ho risposto.
ottimo!
grazie mille
franco
0
voti
faraanco ha scritto:ho già provato a sostituire i componenti: con ponte e condensatori nuovi il comportamento è lo stesso
bene, quindi escludiamo i componenti passivi del circuito,
faraanco ha scritto: mir ha scritto: verifica la bontà del trasformatore, misurando il valore Ohmico degli avvolgimenti
questo effettivamente non l'ho fatto
è una verifica che va fatta,e se hai modo (strumento disponibile) verifica anche l'isolamento del trafo, qualora anche questo componente sia in buono stato , non rimane che considerare la protezione a monte della fonte di alimentazione ovvero il magnetotermico.
per quanto concerne il secondario N2 con C2 connesso al momento non ho lumi.

0
voti
mir ha scritto: è una verifica che va fatta,e se hai modo (strumento disponibile) verifica anche l'isolamento del trafo, qualora anche questo componente sia in buono stato , non rimane che considerare la protezione a monte della fonte di alimentazione ovvero il magnetotermico.
il trafo presenta resistenze dell'ordine di qualche ohm sia al primario che ai 2 secondari; valori che ho incontrato anche sul secondo trafo, quello funzionante: mi pare un poco bassina...
l'isolamento non l'ho misurato.
quello che non capisco è il perché collegando un trafo più recente, con singolo secondario (anche questo presenta resistene molto basse sia su primario che secondario: errore mio nel misurare il valore ohmico...?!), con caratteristiche simili e comunque perfettamente sotto i parametri massimi dei componenti passivi, si verifica un corto che con un altro trasformatore più antico (del modello con condensatore AC sul secondo secondario) non si verifica
mir ha scritto:per quanto concerne il secondario N2 con C2 connesso al momento non ho lumi.
è proprio quello che mi piacerebbe scoprire...
Si parla di elettronica costruita, a naso, negli anni 60, quindi contavo su qualche "vecchio saggio" che magari si sia, nella sua esperienza, trovato alle prese con questo modello di trafo...
grazie mille
franco
0
voti
faraanco ha scritto:il trafo presenta resistenze dell'ordine di qualche ohm sia al primario che ai 2 secondari
quindi non ha gli avvolgimenti aperti, e dando per buono anche l'isolamento (che andrebbe verificato) si direbbe funzionante,pertanto riassumendo se si installa il trafo con la configurazione come da schema precedente e con i componenti nuovi si ha il problema che il magnetotermico a monte interviene, giusto?
a questo punto mi chiedo di che magnetotermico stiamo parlando ? marca/modello..
faraanco ha scritto:perché collegando un trafo più recente, con singolo secondario .... con caratteristiche simili e comunque perfettamente sotto i parametri massimi dei componenti passivi, si verifica un corto
e qui dovresti fornire qualche informazione in più, ovvero dove esattamente si realizzerebbe questo cortocircuito ?
perdona le domande ma vorrei capire.
faraanco ha scritto:Si parla di elettronica costruita, a naso, negli anni 60, quindi contavo su qualche "vecchio saggio" che magari si sia, nella sua esperienza, trovato alle prese con questo modello di trafo...
di Elettrotecnica costruita a naso, non ne ho mai sentito parlare..
saggi
in questo forum ci sono senz'altro dei Grandi dell'Elettrotecnica come nel frattempo cerco di capire il perché di quel secondario con il condensatore..
0
voti
no, con trafo e componenti originali, funziona tutto, ma con carico collegato (lampada) la tensione in uscita cala a livelli non accettabili (vorrei una tensione di 120 VDC, ma non arriva a 100VDC, pregiudicando la corretta illuminazione della lanterna).mir ha scritto:quindi non ha gli avvolgimenti aperti, e dando per buono anche l'isolamento (che andrebbe verificato) si direbbe funzionante,pertanto riassumendo se si installa il trafo con la configurazione come da schema precedente e con i componenti nuovi si ha il problema che il magnetotermico a monte interviene, giusto?
Sostituendo il trafo con uno nuovo, con singolo secondario (quindi senza quel condensatore del secondo secondario) e con caratterisiche paragonabili all'originale, il magneto termico che funziona con certezza (Hager MLN716, C16, 6000, 7,5kA link del produttore) scatta appena alimento il trafo.
mir ha scritto:e qui dovresti fornire qualche informazione in più, ovvero dove esattamente si realizzerebbe questo cortocircuito ?
non lo so dove si realizza il corto, di sicuro vedo una scintilla su un terminale di uno dei 4 diodi.
mir ha scritto:perdona le domande ma vorrei capire.
vai tranquillo
mir ha scritto:di Elettrotecnica costruita a naso, non ne ho mai sentito parlare..
non ho scritto "elettronica costruita a naso, negli anni 60...", ho scritto "elettronica costruita, a naso, negli anni 60...", intendendo che io credo (a naso, appunto) che sia stata costruita in quel periodo. attenzione alle virgole
grazie mille!
franco
0
voti
Ciao!
Intendi se la lampada fa parte dell'impianto dell'epoca?
Non credo, immagino che la lanterna (complesso lampada+controlli+reostati) possa essere stata sostituita con una simile; o forse anche no. Non è rilevante però: in ogni caso, provando l'alimentatore su due lanterne simili, si comporta allo stesso modo.
Viceversa un secondo alimentatore (sempre "vinatge" ma funzionante) lavora a dovere con entrambe le lanterne.
A presto
franco
Intendi se la lampada fa parte dell'impianto dell'epoca?
Non credo, immagino che la lanterna (complesso lampada+controlli+reostati) possa essere stata sostituita con una simile; o forse anche no. Non è rilevante però: in ogni caso, provando l'alimentatore su due lanterne simili, si comporta allo stesso modo.
Viceversa un secondo alimentatore (sempre "vinatge" ma funzionante) lavora a dovere con entrambe le lanterne.
A presto
franco
32 messaggi
• Pagina 1 di 4 • 1, 2, 3, 4
Torna a Elettrotecnica generale
Chi c’è in linea
Visitano il forum: Nessuno e 24 ospiti

Elettrotecnica e non solo (admin)
Un gatto tra gli elettroni (IsidoroKZ)
Esperienza e simulazioni (g.schgor)
Moleskine di un idraulico (RenzoDF)
Il Blog di ElectroYou (webmaster)
Idee microcontrollate (TardoFreak)
PICcoli grandi PICMicro (Paolino)
Il blog elettrico di carloc (carloc)
DirtEYblooog (dirtydeeds)
Di tutto... un po' (jordan20)
AK47 (lillo)
Esperienze elettroniche (marco438)
Telecomunicazioni musicali (clavicordo)
Automazione ed Elettronica (gustavo)
Direttive per la sicurezza (ErnestoCappelletti)
EYnfo dall'Alaska (mir)
Apriamo il quadro! (attilio)
H7-25 (asdf)
Passione Elettrica (massimob)
Elettroni a spasso (guidob)
Bloguerra (guerra)



