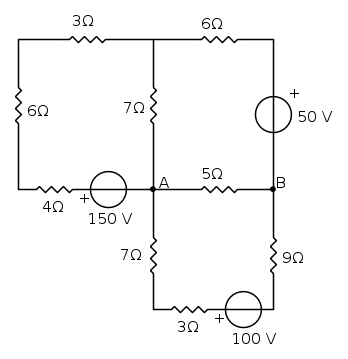
[b]Scusatemi ragazzi... non sono il tipo che vuole già la pappa pronta... ma proprio thevenin non l'ho capito bene.... potete spiegarmi come risolvere questo circuitoo... che cel'ho nel compito domani? grazie mille.
inizialmente tolgo il ramo AB per calcolarmi la ReqAB..... poi come continuo? vi ringrazio tanto...
EDIT alev: le immagini con link da siti esterni non sono gradite; usare la funzione "Invia allegato" con l'opzione "in linea con il testo", dimensione massima 640x480
Ragazzi non riesco a risolvere questo circuito :@
Moderatori:
g.schgor,
IsidoroKZ
15 messaggi
• Pagina 1 di 2 • 1, 2
0
voti
Condizioni necessarie:
1. Ridisegna il circuito con FidoCADJ
2. Abbozza la soluzione
Ciao.
Paolo.
1. Ridisegna il circuito con FidoCADJ
2. Abbozza la soluzione
Ciao.
Paolo.
"Houston, Tranquillity Base here. The Eagle has landed." - Neil A.Armstrong
-------------------------------------------------------------
PIC Experience - http://www.picexperience.it
-------------------------------------------------------------
PIC Experience - http://www.picexperience.it
-

Paolino
32,6k 8 12 13 - G.Master EY

- Messaggi: 4226
- Iscritto il: 20 gen 2006, 11:42
- Località: Vigevano (PV)
0
voti
non sono pratico.. non ci sono quasi mai vicino al PC... vi prego aiutatemi....
-

raffaele955
0 2 - Messaggi: 3
- Iscritto il: 24 nov 2011, 16:17
0
voti
Nonostante sia d'accordo con Paolino, cerco di darti almeno una traccia della soluzione.
dapprima rimuovi la sottorete delimitata dai morsetti A-B e calcoli la E_th=V_AB.
dopo rendi passiva la rete, ricordando che agli effetti esterni disattivare un generatore di corrente significa renderlo equivalente ad un circuito aperto e disattivare un gen di tensione significa cortocircuitarlo, trovi la Z_th che in tal caso è una R_th eseguendo serie e paralleli delle resistenze.
dapprima rimuovi la sottorete delimitata dai morsetti A-B e calcoli la E_th=V_AB.
dopo rendi passiva la rete, ricordando che agli effetti esterni disattivare un generatore di corrente significa renderlo equivalente ad un circuito aperto e disattivare un gen di tensione significa cortocircuitarlo, trovi la Z_th che in tal caso è una R_th eseguendo serie e paralleli delle resistenze.
0
voti
http://www.electroyou.it/phpBB2/viewtopic.php?f=35&t=29825#p246022
Esattamente qui trovi da dove scaricare FidoCadJ:
http://www.electroyou.it/darwinne/wiki/fidocadj#Scaricare_FidoCadJ_e_requisiti_tecnici
mentre qui in generale puoi leggere tutte le info utili relative a come usare FidoCadJ:
http://www.electroyou.it/darwinne/wiki/fidocadj
Come ripetiamo sempre ai nuovi iscritti come te, FidoCadJ è facile da usare.
Questa inizialmente potrà sembrarti la strada più lunga ma in realtà è quella più breve da seguire se vuoi ottenere, in questo forum, delle spiegazioni utili per capire l'esercizio.
0
voti
Io do un ulteriore consiglio a
raffaele955, che gli sarà senz'altro poco utile per il compito di domani, ma lo potrà essere per i compiti futuri.
Non dire mai "àiutatemi, vi prego, è per il compito di domani!" (l'accento è per aggirare la censura).
Qui oltre ad essere allergici alle implorazioni, alle suppliche ed alle sollecitazioni, si è completamente indifferenti a questo tipo di bisogno che non è vitale.
Quindi l'esercizio va postato per tempo, non il giorno prima, con uno schema invitante e pulito, non con un'oscura foto fatta con un telefonino (ma perché poi tutte così scure: non ci sono mai lampade disponibili?). Sicuramente ci sarà qualcuno che ti darà una risposta che ti verrà voglia di incorniciare. Tra l'altro Thevenin è un tema gettonatissimo, oltre che utilissimo.
Non dire mai "àiutatemi, vi prego, è per il compito di domani!" (l'accento è per aggirare la censura).
Qui oltre ad essere allergici alle implorazioni, alle suppliche ed alle sollecitazioni, si è completamente indifferenti a questo tipo di bisogno che non è vitale.
Quindi l'esercizio va postato per tempo, non il giorno prima, con uno schema invitante e pulito, non con un'oscura foto fatta con un telefonino (ma perché poi tutte così scure: non ci sono mai lampade disponibili?). Sicuramente ci sarà qualcuno che ti darà una risposta che ti verrà voglia di incorniciare. Tra l'altro Thevenin è un tema gettonatissimo, oltre che utilissimo.
0
voti
No, non ho lampade... sono povero, vivo così... per strada
-

raffaele955
0 2 - Messaggi: 3
- Iscritto il: 24 nov 2011, 16:17
4
voti
è brutto lasciare i thread così, e dubito che raffaele955 accetterà le condizioni, e poi, a quest'ora il compito lo avrà brillantemente terminato
senza usare Thevenin ma un altro teorema:

da cui la corrente:

da A verso B.
può darsi che abbia sbagliato qualche conto, tutte quelle frazioni mi danno alla testa

OT: ma perché non riesco a inserire le lettere greche in uno schema fidocad? invece di
mi esce la W 
1
voti
lillo ha scritto:OT: ma perché non riesco a inserire le lettere greche in uno schema fidocad? invece dimi esce la W
, però credo (forse) di aver usato un "modo" differente dal tuo per inserirla.
15 messaggi
• Pagina 1 di 2 • 1, 2
Torna a Elettrotecnica generale
Chi c’è in linea
Visitano il forum: Nessuno e 23 ospiti

Elettrotecnica e non solo (admin)
Un gatto tra gli elettroni (IsidoroKZ)
Esperienza e simulazioni (g.schgor)
Moleskine di un idraulico (RenzoDF)
Il Blog di ElectroYou (webmaster)
Idee microcontrollate (TardoFreak)
PICcoli grandi PICMicro (Paolino)
Il blog elettrico di carloc (carloc)
DirtEYblooog (dirtydeeds)
Di tutto... un po' (jordan20)
AK47 (lillo)
Esperienze elettroniche (marco438)
Telecomunicazioni musicali (clavicordo)
Automazione ed Elettronica (gustavo)
Direttive per la sicurezza (ErnestoCappelletti)
EYnfo dall'Alaska (mir)
Apriamo il quadro! (attilio)
H7-25 (asdf)
Passione Elettrica (massimob)
Elettroni a spasso (guidob)
Bloguerra (guerra)










