Ciao a tutti,
avrei una domanda da farvi se potete darmi una delucidazione.
Ogni tanto, almeno una volta all'anno, mi capita di sostituire una scheda che monta 2 coppie di transistor per il pilotaggio di due elettrovalvole. Praticamente le 2 coppie di transistor hanno una configurazione tipo high side: c'è un transistor NPN che pilota un PNP.
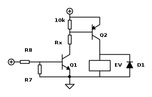
Quello che capita è che una volta ogni anno devo cambiare almeno uno dei due NPN perché non funziona più. Riporto l'immagine della configurazione dell'NPN con i valori delle resistenze che ho visto.
Non è che forse c'è un errore nel calcolo delle resistenze?
Allora, se non dico fesserie, ho che con tali resistenze, sul collettore del BD537 ho una corrente di 1.2mA (ipotizzando una tensione di 12V che arriva a circa 13.3V in quanto l'alimentazione arriva da una batteria, la quale viene poi caricata dall'alternatore).
Dal datasheet del componente considero un hfe medio = 40 e vado a calcolare il valore di Ib=30uA. Con questi valori (spero di aver ragionato bene) salta fuori una Rb di circa 3367Kohm, quindi la resistenza che è stata scelta di 330kohm andrebbe anche bene. Mettendo però una resistenza di pull-down da 220kohm non rischio di avere avere una Veb troppo alta considerato che quella massima dal datasheet è di 5V?
Attraverso il partitore, con una tensione in ingresso di 12V, avrei sulla base una tensione di 4.8V che poi supera di 5V con una tensione di 13.3V...
Saluti
Edge
EDIT alev: trasferita immagine sul forum
Circuito pilotaggio
Moderatori:
carloc,
g.schgor,
BrunoValente,
IsidoroKZ
26 messaggi
• Pagina 1 di 3 • 1, 2, 3
0
voti
Sulla base del transistore in quelle condizioni dovresti avere la tensione minima necessaria per accendere il transistore, ma R7 è meglio metterla più grande di R8. Puoi riportare i calcoli con Latex che hai fatto per calcolare le resistenze?
Gli schemi se puoi falli con FidoCad. Come è collegato il PNP? Se è come penso io, forse manca una resistenza, quella cerchiata in rosso
Ciao
Gli schemi se puoi falli con FidoCad. Come è collegato il PNP? Se è come penso io, forse manca una resistenza, quella cerchiata in rosso
Ciao
0
voti
Il circuito è proprio come lo hai disegnati te senza la resistenza cerchiata in rosso. Uguale.
Per quanto riguarda i calcoli , non sono io il progettista del circuito eh, ho solo fatto un ipotetico calcolo a spanne per capire come mai il progettista ha messo quelle resistenze.
Avendo una Vi di 12V ho un Ic = 12V/10Kohm = 1.2mA
Ib = Ic/hfe= circa 30uA da cui poi ricavo Rb <= (Vi - 0,7)/ Ib
quindi suppongo abbia scelto un Rb di 330kohm
edge
Per quanto riguarda i calcoli , non sono io il progettista del circuito eh, ho solo fatto un ipotetico calcolo a spanne per capire come mai il progettista ha messo quelle resistenze.
Avendo una Vi di 12V ho un Ic = 12V/10Kohm = 1.2mA
Ib = Ic/hfe= circa 30uA da cui poi ricavo Rb <= (Vi - 0,7)/ Ib
quindi suppongo abbia scelto un Rb di 330kohm
edge
0
voti
Ma un diodo di ricircolo per la protezione del transistor c'è?
It's a sin to write
instead of
(Anonimo).
...'cos you know that
ain't
, right?
You won't get a sexy tan if you write
in lieu of
.
Take a log for a fireplace, but don't take
for
arithm.
instead of
(Anonimo)....'cos you know that
ain't
, right?You won't get a sexy tan if you write
in lieu of
.Take a log for a fireplace, but don't take
for
arithm.-

DirtyDeeds
55,9k 7 11 13 - G.Master EY

- Messaggi: 7012
- Iscritto il: 13 apr 2010, 16:13
- Località: Somewhere in nowhere
1
voti
La resistenza cerchiata in rosso è meglio che ci sia, anzi, ci deve essere. Per il diodo di ricircolo sul PNP, mi sembra che in una discussione in cui aveva partecipato pure
IsidoroKZ, lui stesso aveva accennato che non serve.. Spero di non confondermi e di non aver capito ciocca per brocca, ma non trovo il thread..
0
voti
In effetti mi ricordavo male, il thread è questo. Scusa
DirtyDeeds
La resistenza da 10k nello schema serve anche come pull-up per il PNP.. Quella che ti manca serve per limitare la corrente di base di quest'ultimo.. Vedi anche questo link.
La resistenza da 10k nello schema serve anche come pull-up per il PNP.. Quella che ti manca serve per limitare la corrente di base di quest'ultimo.. Vedi anche questo link.
0
voti
Ma un diodo di ricircolo per la protezione del transistor c'è?
C'è un diodo di ricircolo sul carico (ovvero nella pipetta dell'elettrovalvola). Dovrebbe esserci anche un varistore se non erro.
Comunque il transistor che salta è l'NPN, non il PNP. Per l'esattezza salta la giunzione B-E dell'NPN. Ho appena provato quale è la giunzione saltata.
Edge
1
voti
Ti serve la resistenza cerchiata in rosso. Dunque il circuito è questo:
Q2 non lo conosciamo.. In base alla corrente di cui ha bisogno l'elettrovalvola calcoli Rx.. Sbaglio o si può fare a meno del PNP?
Q2 non lo conosciamo.. In base alla corrente di cui ha bisogno l'elettrovalvola calcoli Rx.. Sbaglio o si può fare a meno del PNP?
1
voti
Edge ha scritto:Comunque il transistor che salta è l'NPN, non il PNP
Appunto.
l'NPN salta perché, come ti è stato detto:
gohan ha scritto:Quella che ti manca serve per limitare la corrente di base di quest'ultimo.. Vedi anche questo link.
EDIT: spiego meglio per

0
voti
alev ha scritto:l'NPN salta perché, come ti è stato detto
Ecco cosa succede a fare troppo cose contemporaneamente... non mi ero accorto che il transistor che saltava fosse l'npn
It's a sin to write
instead of
(Anonimo).
...'cos you know that
ain't
, right?
You won't get a sexy tan if you write
in lieu of
.
Take a log for a fireplace, but don't take
for
arithm.
instead of
(Anonimo)....'cos you know that
ain't
, right?You won't get a sexy tan if you write
in lieu of
.Take a log for a fireplace, but don't take
for
arithm.-

DirtyDeeds
55,9k 7 11 13 - G.Master EY

- Messaggi: 7012
- Iscritto il: 13 apr 2010, 16:13
- Località: Somewhere in nowhere
26 messaggi
• Pagina 1 di 3 • 1, 2, 3
Chi c’è in linea
Visitano il forum: Nessuno e 207 ospiti

Elettrotecnica e non solo (admin)
Un gatto tra gli elettroni (IsidoroKZ)
Esperienza e simulazioni (g.schgor)
Moleskine di un idraulico (RenzoDF)
Il Blog di ElectroYou (webmaster)
Idee microcontrollate (TardoFreak)
PICcoli grandi PICMicro (Paolino)
Il blog elettrico di carloc (carloc)
DirtEYblooog (dirtydeeds)
Di tutto... un po' (jordan20)
AK47 (lillo)
Esperienze elettroniche (marco438)
Telecomunicazioni musicali (clavicordo)
Automazione ed Elettronica (gustavo)
Direttive per la sicurezza (ErnestoCappelletti)
EYnfo dall'Alaska (mir)
Apriamo il quadro! (attilio)
H7-25 (asdf)
Passione Elettrica (massimob)
Elettroni a spasso (guidob)
Bloguerra (guerra)




