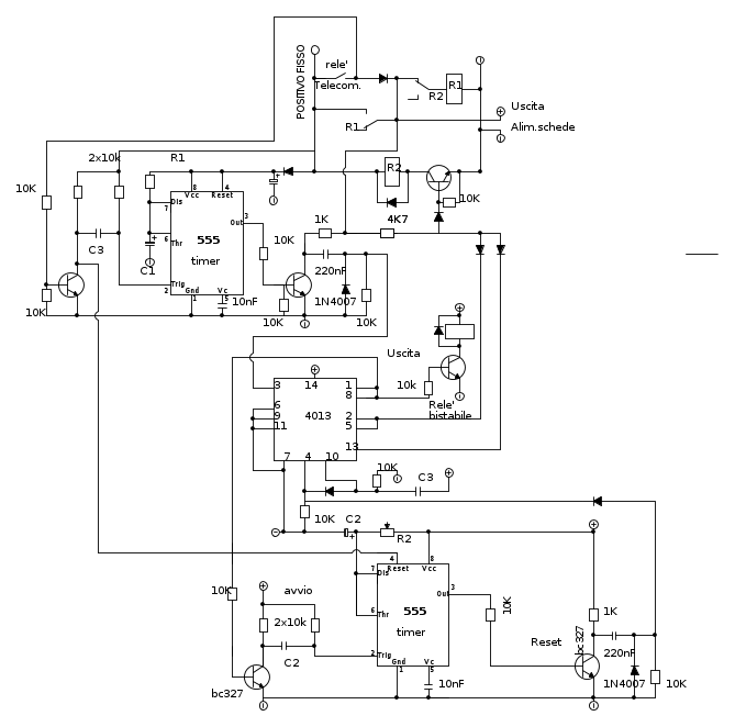
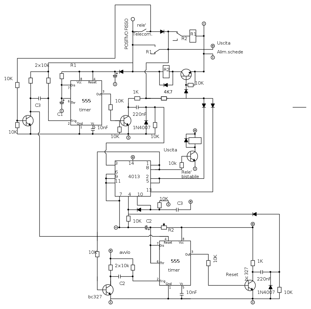
Penso di aver trovato una soluzione semplice.
Se il pin4 (Reset) del 555 che stabilisce il tempo massimo
(non quello dei 2s) viene portato a "0", interrompe
la temporizzazione, quindi forza a "0" anche l'uscita
del 4013 e ferma tutto.
Allora basta staccare questo pin dal +12V e collegarlo
al collettore del transistor che inverte il segnale
del telecomando (cioè il transistor che fornisce
il trigger al 555 dei 2s).
centralina passo passo con timer auto off
Moderatori:
carloc,
g.schgor,
BrunoValente,
IsidoroKZ
0
voti
cosi va bene?
Chi c’è in linea
Visitano il forum: Nessuno e 178 ospiti

Elettrotecnica e non solo (admin)
Un gatto tra gli elettroni (IsidoroKZ)
Esperienza e simulazioni (g.schgor)
Moleskine di un idraulico (RenzoDF)
Il Blog di ElectroYou (webmaster)
Idee microcontrollate (TardoFreak)
PICcoli grandi PICMicro (Paolino)
Il blog elettrico di carloc (carloc)
DirtEYblooog (dirtydeeds)
Di tutto... un po' (jordan20)
AK47 (lillo)
Esperienze elettroniche (marco438)
Telecomunicazioni musicali (clavicordo)
Automazione ed Elettronica (gustavo)
Direttive per la sicurezza (ErnestoCappelletti)
EYnfo dall'Alaska (mir)
Apriamo il quadro! (attilio)
H7-25 (asdf)
Passione Elettrica (massimob)
Elettroni a spasso (guidob)
Bloguerra (guerra)



