(non ci capisco nulla di elettroca ma sembrava così semplice....e adesso è diventata una cosa di principio)
Una volta completate tutte le saldature la cassa borbotta solo quando tocco il positivo della tensione e basta
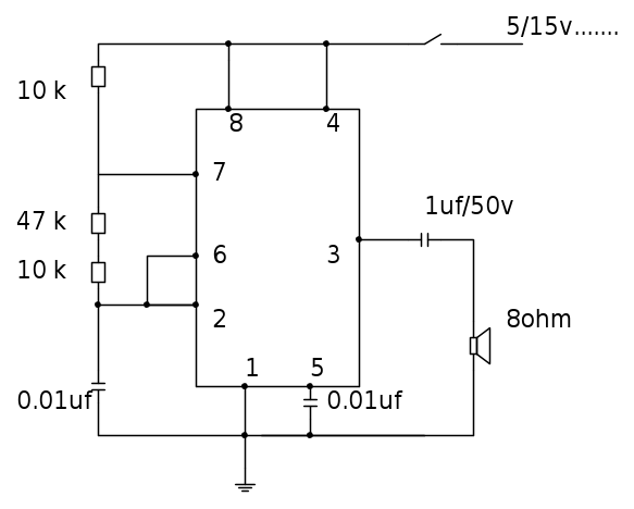
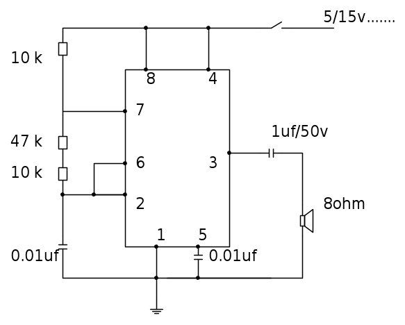
Sotto il disegno da cui stò prendendo spunto, unica cosa di diverso mi è toccato cambiare è la resistenza da 56k, che non riuscendo a recuperarla in nessuno posto (cerco di recuperarre tutti i componenti prendendoli da altre schede da buttare), l'ho sostituita con 2 in serie la 1° da 47k e la seconda da 10k e il condensatore da 1uf 15v con 1uf 50v.......
adesso mi sorge il dubbio che possa essere ciò la causa?
c'è qualcuno con tanta pazienza che mi possa aiutare?
grazie in anticipo anche solo del tempo perso per leggere il post....

Elettrotecnica e non solo (admin)
Un gatto tra gli elettroni (IsidoroKZ)
Esperienza e simulazioni (g.schgor)
Moleskine di un idraulico (RenzoDF)
Il Blog di ElectroYou (webmaster)
Idee microcontrollate (TardoFreak)
PICcoli grandi PICMicro (Paolino)
Il blog elettrico di carloc (carloc)
DirtEYblooog (dirtydeeds)
Di tutto... un po' (jordan20)
AK47 (lillo)
Esperienze elettroniche (marco438)
Telecomunicazioni musicali (clavicordo)
Automazione ed Elettronica (gustavo)
Direttive per la sicurezza (ErnestoCappelletti)
EYnfo dall'Alaska (mir)
Apriamo il quadro! (attilio)
H7-25 (asdf)
Passione Elettrica (massimob)
Elettroni a spasso (guidob)
Bloguerra (guerra)



