Mi sembra di aver capito che il tuo problema principale sia comprendere esattamente cosa è e a cosa serve Thevenin. Prova a guardare qui per cominciare.
Ciao
Piercarlo
fisica 2 calcolare espressione corrente I(t)
Moderatori:
IsidoroKZ,
PietroBaima,
Ianero
0
voti
si ma non so come si fa, per questo chiedo aiuto! potresti spiegarmi? in pratica io devo trovare la I(0) da inserire nell'equazione della corrente in funzione del tempo, e la I(0) dipende appunto dal circuito a regime prima che il deviatore scambi posizione. come calcolo la Feq?
-

platinumdj
0 4 - Frequentatore

- Messaggi: 116
- Iscritto il: 25 mar 2009, 23:21
3
voti
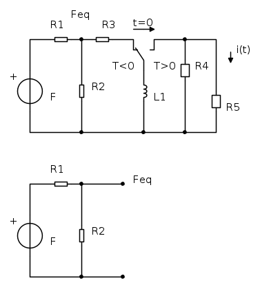
Il circuito sarebbe questo...
Volendo usare Thévenin, è opportuno applicarlo ai morsetti A-B...


essendo la
la tensione a vuoto in corrispondenza dei morsetti A-B e
la resistenza equivalente "vista" dai morsetti AB dopo aver cortocircuitato il generatore di tensione....
In questo modo si ottiene la rete così modificata...
A questo punto, puoi procedere con il calcolo della

ovvero, come avevo già scritto nel post [16], ottieni...

Spero che ti sia chiaro il procedimento....
Volendo usare Thévenin, è opportuno applicarlo ai morsetti A-B...


essendo la
la tensione a vuoto in corrispondenza dei morsetti A-B e
la resistenza equivalente "vista" dai morsetti AB dopo aver cortocircuitato il generatore di tensione....In questo modo si ottiene la rete così modificata...
A questo punto, puoi procedere con il calcolo della


ovvero, come avevo già scritto nel post [16], ottieni...

Spero che ti sia chiaro il procedimento....

Ultima modifica di
Lele_u_biddrazzu il 9 dic 2011, 1:24, modificato 2 volte in totale.
-

Lele_u_biddrazzu
8.154 3 8 13 - Master EY

- Messaggi: 1288
- Iscritto il: 23 gen 2007, 16:13
- Località: Modena
1
voti
platinumdj ha scritto: come calcolo la Feq?
Rifletti bene sulla seconda parte del disegno sottostante e calcola la sua Feq. Essa sarà anche la Feq del tuo circuito perché... (continua tu)
Ciao
Piercarlo
0
voti
Per non scombinare ulteriormente le cose: il procedimento usato da Lele è quello completo che ti porta alla soluzione di questo esercizio. Valuta però anche il mio "incompleto" e completalo per arrivare al risultato di Lele. Se riuscirai a far questo avrai in mano il bandolo della matassa per affrontare tutti i problemi di questo tipo (che nei circuiti elettrici vengono fuori a carrettate).
Ciao
Piercarlo
Ciao
Piercarlo
0
voti
Comunque in caso di ulteriori questioni, facci sapere

-

Lele_u_biddrazzu
8.154 3 8 13 - Master EY

- Messaggi: 1288
- Iscritto il: 23 gen 2007, 16:13
- Località: Modena
1
voti
Lele_u_biddrazzu ha scritto:[..]
essendo lala tensione a vuoto in corrispondenza dei morsetti A-B [..]
...e dopo aver tolto la resistenza R...
...che sarà inserita per calcolare

1
voti
, tale resistenza non viene più presa in considerazione.-

Lele_u_biddrazzu
8.154 3 8 13 - Master EY

- Messaggi: 1288
- Iscritto il: 23 gen 2007, 16:13
- Località: Modena
0
voti
sto sicuramente capendo di più, e vista la tua disponibilità ne approfitto per levarmi ulteriori dubbi. tu hai calcolato la Eth = (R/(R+R))V(0), ma il rapporto tra resistenze nella parentesi da dove è uscito fuori? ciò che non capisco è: la Eth da dove la ricavi? spiegami questo perché è la parte del discorso in cui mi perdo =(
-

platinumdj
0 4 - Frequentatore

- Messaggi: 116
- Iscritto il: 25 mar 2009, 23:21
1
voti
platinumdj ha scritto:... tu hai calcolato la Eth = (R/(R+R))V(0), ma il rapporto tra resistenze nella parentesi da dove è uscito fuori? ...(
Quella formula viene comunemente chiamata "formula del partitore di tensione" e la trovi in tutti i libri di elettrotecnica :)
p.s. ringrazio
-

Lele_u_biddrazzu
8.154 3 8 13 - Master EY

- Messaggi: 1288
- Iscritto il: 23 gen 2007, 16:13
- Località: Modena
Chi c’è in linea
Visitano il forum: Nessuno e 1 ospite

Elettrotecnica e non solo (admin)
Un gatto tra gli elettroni (IsidoroKZ)
Esperienza e simulazioni (g.schgor)
Moleskine di un idraulico (RenzoDF)
Il Blog di ElectroYou (webmaster)
Idee microcontrollate (TardoFreak)
PICcoli grandi PICMicro (Paolino)
Il blog elettrico di carloc (carloc)
DirtEYblooog (dirtydeeds)
Di tutto... un po' (jordan20)
AK47 (lillo)
Esperienze elettroniche (marco438)
Telecomunicazioni musicali (clavicordo)
Automazione ed Elettronica (gustavo)
Direttive per la sicurezza (ErnestoCappelletti)
EYnfo dall'Alaska (mir)
Apriamo il quadro! (attilio)
H7-25 (asdf)
Passione Elettrica (massimob)
Elettroni a spasso (guidob)
Bloguerra (guerra)






