Cos'è ElectroYou | Login Iscriviti

ElectroYou - la comunità dei professionisti del mondo elettrico

Dimensionamento resistenze

Elettronica lineare e digitale: didattica ed applicazioni

Moderatori: Foto Utentecarloc, Foto Utenteg.schgor, Foto UtenteBrunoValente, Foto UtenteIsidoroKZ

0
voti

[1] Dimensionamento resistenze

Messaggioda Foto UtenteMoriduri » 19 dic 2011, 14:47

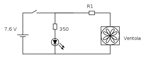
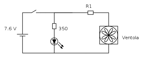
ciao! ho preso come spunto un circuito che mi ha consigliato Marcoursino per esercitarmi a dimensionare le resistenze.. lo schema è questo:



volevo trovare R1.. per avere 20mA sul led e 70mA sulla ventola... sapendo R2 = 350 Ohm ... con il seguente sistema avevo pensato di ricavare il valore di R1:

\begin{Bmatrix}
I_{ventola}=I_{totale}*\frac{350}{350+R_1}\\

I_{totale}=\frac{R_1+350}{R_1*350}*7,6

\end{Bmatrix}

a questo punto decido che Iventola debba essere uguale a 0,070A...

\begin{Bmatrix}
0,070=I_{totale}*\frac{350}{350+R_1}\\

I_{totale}=\frac{R_1+350}{R_1*350}*7,6

\end{Bmatrix}

sostituisco...

\begin{Bmatrix}
0,070=\frac{R_1+350}{R_1*350}*7,6*\frac{350}{350+R_1}\\

I_{totale}=\frac{R_1+350}{R_1*350}*7,6

\end{Bmatrix}

da qua in avanti ho provato a risolverlo.. senza riuscirci.. dovrebbe essere tutto giusto (come impostazione)... non importa se ci sono metodi più facili per dimensionare quella resistenza... quello che a me interessa è riuscire ad ottenere un valore di R1.. cosa che non riesco a fare perché non sono bravissimo in matematica.. specie nei sistemi.. se qualcuno potesse risolverlo per me, mi farebbe un grosso favore! Grazie in anticipo.

Matteo.
Ultima modifica di Foto UtenteDirtyDeeds il 19 dic 2011, 14:50, modificato 1 volta in totale.
Motivazione: Modificato titolo
Avatar utente
Foto UtenteMoriduri
79 4
New entry
New entry
 
Messaggi: 82
Iscritto il: 9 dic 2011, 18:54

0
voti

[2] Re: Dimensionamento resistenze

Messaggioda Foto UtenteIsidoroKZ » 19 dic 2011, 14:54

L'impostazione non e` giusta, non hai due resistenze in parallelo. In serie a ogni resistenza c'e` un carico con caratteristiche non lineari.

Inoltre i due rami sono in parallelo, alimentati a tensione costante (circa) e quindi puoi risolvere un ramo per volta.

Che cosa hai studiato di elettrotecnica? (risposta dettagliata)
Per usare proficuamente un simulatore, bisogna sapere molta più elettronica di lui
Plug it in - it works better!
Il 555 sta all'elettronica come Arduino all'informatica! (entrambi loro malgrado)
Se volete risposte rispondete a tutte le mie domande
Avatar utente
Foto UtenteIsidoroKZ
121,2k 1 3 8
G.Master EY
G.Master EY
 
Messaggi: 21059
Iscritto il: 17 ott 2009, 0:00

0
voti

[3] Re: Dimensionamento resistenze

Messaggioda Foto UtenteMoriduri » 19 dic 2011, 18:30

IsidoroKZ ha scritto:Che cosa hai studiato di elettrotecnica? (risposta dettagliata)


kirchhoff, condensatori, resistenze, induttori (ma non ho capito gran che), generatori, diodi, transistor (non ci ho capito niente, ma devo finire di studiarli), alternata (non ho approfondito molto) e poi un po' di formule per fare le varie cose.. dal dimensionare un cavo a dimensionare un condensatore... però forse dimensionare 2 resistenze in parallelo mi manca! perché 1 resistenza in serie sono capace, ma in parallelo non ci avevo mai provato.. ho buttato giù l'idea del sistema dopo aver ragionato su cosa volevo trovare e ricordandomi di come applicavo kirchhoff.. ossia come impostare la sostituzione.. pensavo di esserci riuscito... =((((((((
Avatar utente
Foto UtenteMoriduri
79 4
New entry
New entry
 
Messaggi: 82
Iscritto il: 9 dic 2011, 18:54

0
voti

[4] Re: Dimensionamento resistenze

Messaggioda Foto Utentemir » 19 dic 2011, 19:17

Salve Foto UtenteMoriduri,
forse è il caso di considerare singolarmente i due circuiti come ha correttamente suggerito Foto UtenteIsidoroKZ,

pertanto si potrebbe considerare il primo circuito di alimentazione del diodo led, il quale ha una tensione di alimentazione Va di 7,6 Ve per il quale hai stabilito un valore di intensità di corrente di polarizzazione di 20 mA, a questo punto non resta che applicare quanto indicato in questo articolo da Foto Utenteg.schgor per determinare il valore di R2 ;
per la ventolina occorre conoscere l'intnesità di corrente che assorbe la stessa ed il suo valore di alimentazione, anche se nella pratica applicazione non credo sia il migliore dei modi per limitare la tensione di alimentazione di una ventolina.
Avatar utente
Foto Utentemir
66,0k 9 12 13
G.Master EY
G.Master EY
 
Messaggi: 21870
Iscritto il: 19 ago 2004, 21:10

0
voti

[5] Re: Dimensionamento resistenze

Messaggioda Foto UtenteMoriduri » 19 dic 2011, 19:38

hmm :-) la ventola è questa http://www.futureelectronics.com/en/technologies/electromechanical/thermal-management/fans/Pages/9678814-AD0512MB-G76.aspx sopra di essa c'è anche scritto DC=12V 0,07A
non so se possa tornare utile! ;)
Avatar utente
Foto UtenteMoriduri
79 4
New entry
New entry
 
Messaggi: 82
Iscritto il: 9 dic 2011, 18:54

1
voti

[6] Re: Dimensionamento resistenze

Messaggioda Foto Utentemarioursino » 19 dic 2011, 19:47

La ventola deve funzionare a 12 V, se poi la batteria ha una tensione inferiore ti conviene direttamente non limitarla con una resistenza!

Il motivo è che il carico è un motore DC e non possono essere applicati banalmente i calcoli come fosse lineare. La resistenza al led serve, mentre la ventola già così funziona male. Se vuoi regolare la sua velocità dovrai affidarti ad una tensione di 12 V e un controllo PWM (è più facile di quel che pensi), che però mi sembra sia fuori dalla portata dei tuoi studi per adesso. Se ne vorrai comunque realizzare uno noi saremo qui per aiutarti! Purtroppo dovrai "fidarti" dei nostri consigli dato che almeno un po di elettronica di base ci vuole per comprendere a fondo questi argomenti.
Avatar utente
Foto Utentemarioursino
5.687 3 9 13
G.Master EY
G.Master EY
 
Messaggi: 1598
Iscritto il: 5 dic 2009, 4:32

0
voti

[7] Re: Dimensionamento resistenze

Messaggioda Foto UtenteMoriduri » 19 dic 2011, 20:06

ahhh ok! allora niente resistenza! oook! :mrgreen: la mia paura era, visto che sulla ventola ci sono scritti "0,07A", che questa potesse bruciarsi, essendo senza resistenza e quindi con una corrente di gran lunga maggiore a 70mA.. :mrgreen:

quindi mi basta dimensionare la resistenza del led per avere circa 20mA.. il ramo del circuito che comprende la ventola lo lascio perdere! tanto non penso si bruci, almeno, spero! :mrgreen:
Avatar utente
Foto UtenteMoriduri
79 4
New entry
New entry
 
Messaggi: 82
Iscritto il: 9 dic 2011, 18:54

0
voti

[8] Re: Dimensionamento resistenze

Messaggioda Foto Utentemarioursino » 19 dic 2011, 20:10

Hai inteso male, le targhe riportano (nella quasi totalità dei casi) l'assorbimento quando il carico è alimentato alla sua tensione nominale. Ad esempio nel tuo caso la ventola assorbe quella corrente quando è alimentata a 12 V, mentre essendo alimentata ad una tensione minore assorbirà meno (che di solito è il caso generale a meno ci circuiti strani).

Questo perché "nel mondo reale" si vendono di solito dispositivi comandati in tensione dato che le sorgenti (rete elettrica, batterie, alimentatori...) impongono la tensione, mentre la corrente assorbita dipende dal circuito che si utilizza. Nel caso dei led è diverso, o si fa il calcolo per ottenere la corrente giusta disponendo di una tensione fissa (il tuo caso) oppure si ricorre a un generatore di corrente costante, se ti interessa ne ho realizzato giusto uno grazie all'aiuto del forum, lo trovi qui.

quindi mi basta dimensionare la resistenza del led per avere circa 20mA.. il ramo del circuito che comprende la ventola lo lascio perdere!


Esatto :ok:
Avatar utente
Foto Utentemarioursino
5.687 3 9 13
G.Master EY
G.Master EY
 
Messaggi: 1598
Iscritto il: 5 dic 2009, 4:32

0
voti

[9] Re: Dimensionamento resistenze

Messaggioda Foto UtenteMoriduri » 19 dic 2011, 20:18

Adesso mi è tutto chiarissimo!! :D scusa un'ultima cosa, ma quel sistema che ho "ideato" all'inizio può andare bene se al posto della ventola ci fosse ad esempio un carico/utilizzatore che non sia un motore DC? :roll:
Avatar utente
Foto UtenteMoriduri
79 4
New entry
New entry
 
Messaggi: 82
Iscritto il: 9 dic 2011, 18:54

0
voti

[10] Re: Dimensionamento resistenze

Messaggioda Foto UtenteMoriduri » 19 dic 2011, 21:24

no lascia perdere l'ultimo messaggio! xP adesso il mio problema è un altro...



mettiamo che al posto della ventola ci sia un normale utilizzatore... che assorbe 5V, in parallelo al led che ne assorbe 2V... alimentati a 9V da una batteria..
ho provato a dimensionare le resistenze facendo come mi ha consigliato IsidoroKZ, ossia dimensionando un ramo per volta.. allora ho fatto così:

- prima il led:

9V-2V=7V

R_L=\frac{7V}{0.020A} = 350\Omega (voglio farlo lavorare a 0,020A)

- dopo l'utilizzatore:

9V-5V=4V

R_U=\frac{4V}{0.070A} = 57.14\Omega (voglio farlo lavorare a 0,070A)

a questo punto come verifica uso la formula del partitore di corrente...

R_e_q=\frac{350*57.14}{350+57.14}=49.12\Omega

I_t_o_t=\frac{9V}{49.12}=0.183A

ora calcolo I_L:

I_L=I_t_o_t*\frac{R_U}{R_L+R_U}=0.183*\frac{57.14}{350+57.14}= 0.025A ???? doveva essere 0,020A

ora I_U:

I_U=I_t_o_t-I_L=0.183A-0.025A=0.158A ?????? doveva essere 0,070A


come mai non torna?? eppure dovrebbe essere giusto! :(
Avatar utente
Foto UtenteMoriduri
79 4
New entry
New entry
 
Messaggi: 82
Iscritto il: 9 dic 2011, 18:54

Prossimo

Torna a Elettronica generale

Chi c’è in linea

Visitano il forum: Majestic-12 [Bot] e 43 ospiti