stavo cercando di calcolare il guadagno di questo amplificatore a BJT ma non riesco a capire come trovare la tensione su RL
(click per ingrandire)
TRACCIA
Edit DD: eliminata figura, gli schemi si fanno con FidocadJ
CALCOLI
Edit DD: eliminati i conti, che vanno presentati nel messaggio con LaTeX
Calcolo guadagno a medie frequenze
Moderatori:
carloc,
g.schgor,
BrunoValente,
IsidoroKZ
19 messaggi
• Pagina 1 di 2 • 1, 2
0
voti
Prima leggi la guida all'utilizzo del forum, l'utilizzo di FidocadJ per postare gli schemi e come usare LaTeX per scrivere formule.
It's a sin to write
instead of
(Anonimo).
...'cos you know that
ain't
, right?
You won't get a sexy tan if you write
in lieu of
.
Take a log for a fireplace, but don't take
for
arithm.
instead of
(Anonimo)....'cos you know that
ain't
, right?You won't get a sexy tan if you write
in lieu of
.Take a log for a fireplace, but don't take
for
arithm.-

DirtyDeeds
55,9k 7 11 13 - G.Master EY

- Messaggi: 7012
- Iscritto il: 13 apr 2010, 16:13
- Località: Somewhere in nowhere
0
voti
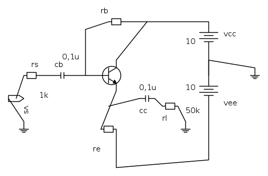
ecco il disegno
mi date qualche dritta su come trovare il guadagno a medie frequenze? in particolare come trovare la tensione su rl?
mi date qualche dritta su come trovare il guadagno a medie frequenze? in particolare come trovare la tensione su rl?
-

Fabioamd87
2 4 - New entry

- Messaggi: 52
- Iscritto il: 7 apr 2009, 17:40
0
voti
Sai calcolare i parametri differenziali del transistore?
A medie frequenze puoi considerare il condensatore di disaccoppiamento un cortocircuito.
A medie frequenze puoi considerare il condensatore di disaccoppiamento un cortocircuito.
-

marioursino
5.687 3 9 13 - G.Master EY

- Messaggi: 1598
- Iscritto il: 5 dic 2009, 4:32
0
voti
Su Fidocadj puoi ruotare i componenti usando il tasto R, e anche specchiarli, se serve, con il tasto S.
Per trovare l'amplificazione a media frequenza, quindi avendo gia` linearizzato tutto il circuito, devi come prima cosa calcolare il punto di funzionamento a riposo del transistore, quindi apri tutti i condensatori, guardi solo la continua, calcoli Ic e da li` i parametri differenziali del transistore (rpi e gm).
Poi passi al segnale: metti a zero tutte le tensioni costanti, quindi le batterie diventano dei corticircuiti, consideri tutti i condensatori in cortocircuito e vedi che circuito salta fuori: verra` uno stadio a collettore comune, con un carico che dipende da Re ed Rl, sull'ingresso hai un partitore di tensione prima del transistore, puoi ad esempio fare un equivalente Thevenin della maglia di ingresso in cui c'e` Rs e Rb e poi usi i risultati noti dello stadio a collettore comune.
Se tracci le righe di connessione dritte, lo schema e` migliore :)
Che cosa stai studiando? Se sei all'uni, ateneo, facolta`, corso di laurea, materia e libro di testo. Se sei alle superiori, scuola, corso, materia e libro di testo :)
Per trovare l'amplificazione a media frequenza, quindi avendo gia` linearizzato tutto il circuito, devi come prima cosa calcolare il punto di funzionamento a riposo del transistore, quindi apri tutti i condensatori, guardi solo la continua, calcoli Ic e da li` i parametri differenziali del transistore (rpi e gm).
Poi passi al segnale: metti a zero tutte le tensioni costanti, quindi le batterie diventano dei corticircuiti, consideri tutti i condensatori in cortocircuito e vedi che circuito salta fuori: verra` uno stadio a collettore comune, con un carico che dipende da Re ed Rl, sull'ingresso hai un partitore di tensione prima del transistore, puoi ad esempio fare un equivalente Thevenin della maglia di ingresso in cui c'e` Rs e Rb e poi usi i risultati noti dello stadio a collettore comune.
Se tracci le righe di connessione dritte, lo schema e` migliore :)
Che cosa stai studiando? Se sei all'uni, ateneo, facolta`, corso di laurea, materia e libro di testo. Se sei alle superiori, scuola, corso, materia e libro di testo :)
Per usare proficuamente un simulatore, bisogna sapere molta più elettronica di lui
Plug it in - it works better!
Il 555 sta all'elettronica come Arduino all'informatica! (entrambi loro malgrado)
Se volete risposte rispondete a tutte le mie domande
Plug it in - it works better!
Il 555 sta all'elettronica come Arduino all'informatica! (entrambi loro malgrado)
Se volete risposte rispondete a tutte le mie domande
0
voti
il modello equivalente è corretto?
Ultima modifica di
Fabioamd87 il 23 dic 2011, 13:54, modificato 2 volte in totale.
-

Fabioamd87
2 4 - New entry

- Messaggi: 52
- Iscritto il: 7 apr 2009, 17:40
0
voti
No. Suggerisco di raddrizzare i componenti, al posto del generatore di corrente rotondo negli ultimi anni e` entrato in uso la forma a rombo per i generatori pilotati.
Cio` detto tu rispondi alle domande che ho fatto (tutte e 5) e io ti dico perche' il circuito equivalente non e` corretto.
Cio` detto tu rispondi alle domande che ho fatto (tutte e 5) e io ti dico perche' il circuito equivalente non e` corretto.
Per usare proficuamente un simulatore, bisogna sapere molta più elettronica di lui
Plug it in - it works better!
Il 555 sta all'elettronica come Arduino all'informatica! (entrambi loro malgrado)
Se volete risposte rispondete a tutte le mie domande
Plug it in - it works better!
Il 555 sta all'elettronica come Arduino all'informatica! (entrambi loro malgrado)
Se volete risposte rispondete a tutte le mie domande
0
voti
ok ruotato, per il generatore controllato non son riuscito a trovarlo sul fido cad.
studio ingegneria a cassino ed uso il libro sedra smith.
studio ingegneria a cassino ed uso il libro sedra smith.
-

Fabioamd87
2 4 - New entry

- Messaggi: 52
- Iscritto il: 7 apr 2009, 17:40
0
voti
Ateneo: Cassino
Facolta`: Ingegneria
Corso di laurea: ?? (che include l'indicazione triennale/magistrale)
Materia: ??
Testo: Sedra Smith.
3 su 5, non un granche' per un ingegnere.
Dove e` collegato il generatore di segnale Vs nel circuito originale? E in quello equivalente?
Dimenticavo: il generatore pilotato a rombo non e` presente, bisogna farlo con 5 segmenti.
Facolta`: Ingegneria
Corso di laurea: ?? (che include l'indicazione triennale/magistrale)
Materia: ??
Testo: Sedra Smith.
3 su 5, non un granche' per un ingegnere.
Dove e` collegato il generatore di segnale Vs nel circuito originale? E in quello equivalente?
Dimenticavo: il generatore pilotato a rombo non e` presente, bisogna farlo con 5 segmenti.
Per usare proficuamente un simulatore, bisogna sapere molta più elettronica di lui
Plug it in - it works better!
Il 555 sta all'elettronica come Arduino all'informatica! (entrambi loro malgrado)
Se volete risposte rispondete a tutte le mie domande
Plug it in - it works better!
Il 555 sta all'elettronica come Arduino all'informatica! (entrambi loro malgrado)
Se volete risposte rispondete a tutte le mie domande
0
voti
hai ragione, nel circuito equivalente andrebbe a massa
comunque il corso di laurea è informatica e tlc e la materia ovviamente è elettronica.
comunque il corso di laurea è informatica e tlc e la materia ovviamente è elettronica.
-

Fabioamd87
2 4 - New entry

- Messaggi: 52
- Iscritto il: 7 apr 2009, 17:40
19 messaggi
• Pagina 1 di 2 • 1, 2
Chi c’è in linea
Visitano il forum: Google [Bot] e 163 ospiti

Elettrotecnica e non solo (admin)
Un gatto tra gli elettroni (IsidoroKZ)
Esperienza e simulazioni (g.schgor)
Moleskine di un idraulico (RenzoDF)
Il Blog di ElectroYou (webmaster)
Idee microcontrollate (TardoFreak)
PICcoli grandi PICMicro (Paolino)
Il blog elettrico di carloc (carloc)
DirtEYblooog (dirtydeeds)
Di tutto... un po' (jordan20)
AK47 (lillo)
Esperienze elettroniche (marco438)
Telecomunicazioni musicali (clavicordo)
Automazione ed Elettronica (gustavo)
Direttive per la sicurezza (ErnestoCappelletti)
EYnfo dall'Alaska (mir)
Apriamo il quadro! (attilio)
H7-25 (asdf)
Passione Elettrica (massimob)
Elettroni a spasso (guidob)
Bloguerra (guerra)

