Microcontrollore + scheda relè
Moderatore:
Paolino
0
voti
grazie marco nel frattempo sto cercando di imparare ad usare FIDOCADJ ma una volta che sono riuscito a disegnare lo schema come faccio a caricarllo qui nel form per farvelo vedere se ho fatto tutto bene perché mi permette solo di caricare immagine [img]
-

simon77blitz
15 1 4 - Messaggi: 32
- Iscritto il: 7 gen 2012, 11:31
0
voti
Oltre ai giusti consigli di
marco438, mi sento di darti un consiglio sacrosanto. Ogni volta che ti appresti ad usare un circuito integrato, leggiti sempre il datasheet prima di fare lo schema.
Non esistono e non sono ammesse scuse (che non hai avuto tempo, che non hai potuto cercarlo etc.). Nessuna,
Il circuito integrato ed il datasheet li devi conoscere meglio della tua fidanzata
Ecco perché al messaggio [9] l'ho linkato subito, ma vedo che se l'hai letto, non lo hai fatto con molta attenzione
Dal pin 1 al pin 8 sono tutti ingressi, mentre i pin opposti sono le corrispettive uscite. Il pin 9 lo devi collegare al potenziale di riferimento (GND) mentre il pin 10 alla tensione di alimentazione, cosi
Dallo schema interno puoi anche vedere che l'integrato dispone di diodi di protezione interni.. Dovrebbero essere sufficienti per il ricircolo, però ora non mi apre il link del datasheet
Non esistono e non sono ammesse scuse (che non hai avuto tempo, che non hai potuto cercarlo etc.). Nessuna,
Il circuito integrato ed il datasheet li devi conoscere meglio della tua fidanzata
Ecco perché al messaggio [9] l'ho linkato subito, ma vedo che se l'hai letto, non lo hai fatto con molta attenzione
Dal pin 1 al pin 8 sono tutti ingressi, mentre i pin opposti sono le corrispettive uscite. Il pin 9 lo devi collegare al potenziale di riferimento (GND) mentre il pin 10 alla tensione di alimentazione, cosi
Dallo schema interno puoi anche vedere che l'integrato dispone di diodi di protezione interni.. Dovrebbero essere sufficienti per il ricircolo, però ora non mi apre il link del datasheet
0
voti
Ragazzi veramente grazie per l'aiuto che mi date,avete tutti ragione bisogna studiare e studiare prima di voler fare qualcosa come nel mio caso, mi sà che sono partito troppo sparato (proprio con il piede sbagliato) e per questo stò ricominciando da 0. Ora stò cercando di utilizzare Fidocad ho disegnato il primo spunto da farvi vedere ma penso che ho commesso ancora errori e (spero di aver capito come inserirllo qui nel forum) fatemi sapere
-

simon77blitz
15 1 4 - Messaggi: 32
- Iscritto il: 7 gen 2012, 11:31
0
voti
Lo schema lo hai correttamente inserito nel forum ma, il colore dove lo hai preso?
Solitamente si disegna in nero che e' il colore piu' evidente e visibile; i colori servono solo per evidenziare qualche particolare e per altri scopi.
Io faccio fatica a leggerlo cosi',
E poi, visto che ci siamo, ma quel rele' che hai disegnato, di che tipo sarebbe?
Perche' hai messo l'ingresso della 230V tra i piedini della bobina?
P.S. ho visto che [user]gohan[/user] ti ha gia' corretto gli errori fatti nella tua descrizione; quindi aggiusta un po' lo schema cosi vediamo di andare avanti.
Solitamente si disegna in nero che e' il colore piu' evidente e visibile; i colori servono solo per evidenziare qualche particolare e per altri scopi.
Io faccio fatica a leggerlo cosi',
E poi, visto che ci siamo, ma quel rele' che hai disegnato, di che tipo sarebbe?
Perche' hai messo l'ingresso della 230V tra i piedini della bobina?
P.S. ho visto che [user]gohan[/user] ti ha gia' corretto gli errori fatti nella tua descrizione; quindi aggiusta un po' lo schema cosi vediamo di andare avanti.
marco
0
voti
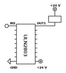
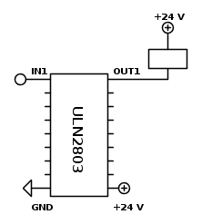
[user]Gohan[/user], vedo che probabilmente c'e' stata un' incomprensione.
simon77blitz ha indicato e linkato uno schema che impiega un integrato ULN2003A che ha 16 pin;
tu al contrario fai riferimento al ULN2803 che, pur essendo simile per funzione, ha 18 pin.
Di conseguenza certe tue osservazioni sui collegamenti credo debbano essere riviste.
tu al contrario fai riferimento al ULN2803 che, pur essendo simile per funzione, ha 18 pin.
Di conseguenza certe tue osservazioni sui collegamenti credo debbano essere riviste.
marco
1
voti
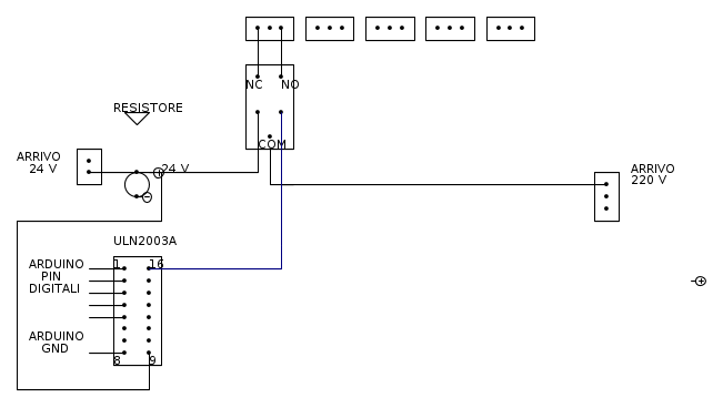
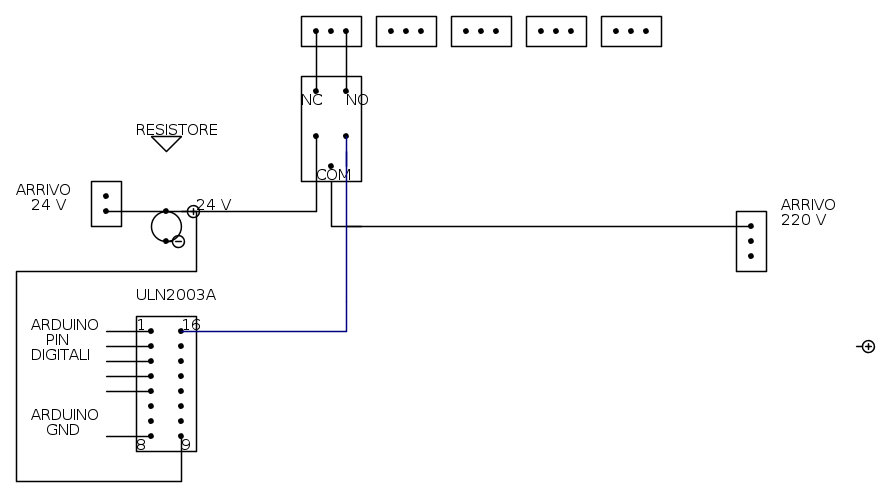
Per voi sarà una cosa banale ma io sono felicissimo e ancora non ci credo che ho iniziato a disegnare con Fidocad e sopratutto che sono riuscito ad inserire il disegno nel form ora riprovo ad inserirllo di nuovo il disegno e ho corretto il colore ho lasciato solo il blu per far capire che è il filo che va all'integrato (l'integrato che stò usando è ULN 2003A 24 V ed è con 16 piedini in totale)
-

simon77blitz
15 1 4 - Messaggi: 32
- Iscritto il: 7 gen 2012, 11:31
0
voti
Beh, c'e' ancora qualcosa che non va ma, nell'insieme, mi pare che ci siamo.
Ora vorrei sapere da te cosa ancora non hai capito in modo da perdere il minor tempo possibile.
P.S. non hai risposto alla mia precedente domanda.
Ora vorrei sapere da te cosa ancora non hai capito in modo da perdere il minor tempo possibile.
P.S. non hai risposto alla mia precedente domanda.
marco
0
voti
Attenzione che la fonte di alimentazione deve essere la stessa sia per i relè che per Arduino. A questo ti conviene mettere un regolatore da max 9 -10V di output, ma per dirlo con esattezza serve sapere quale modello usi. Infine, i GND devono essere in comune, altrimenti non funziona, e dicci quale Arduino usi se non la vuoi rompere.
Ciao
Ciao
2
voti
Per quanto riguarda della 220 V collegata al piedino centrale ho capito che andasse messo cosi se mi sono sbagliato corregetemi il piedino centrle si chiama COM.
Se lo schema che ho realizzato fino ad ora va bene vorrei sapere dove devo collegare le masse sia della 220 V che quella della 24 V e se va bene il GND di arduino mega dove lo HO collegato.
Se lo schema che ho realizzato fino ad ora va bene vorrei sapere dove devo collegare le masse sia della 220 V che quella della 24 V e se va bene il GND di arduino mega dove lo HO collegato.
-

simon77blitz
15 1 4 - Messaggi: 32
- Iscritto il: 7 gen 2012, 11:31
Torna a Realizzazioni, interfacciamento e nozioni generali.
Chi c’è in linea
Visitano il forum: Nessuno e 2 ospiti

Elettrotecnica e non solo (admin)
Un gatto tra gli elettroni (IsidoroKZ)
Esperienza e simulazioni (g.schgor)
Moleskine di un idraulico (RenzoDF)
Il Blog di ElectroYou (webmaster)
Idee microcontrollate (TardoFreak)
PICcoli grandi PICMicro (Paolino)
Il blog elettrico di carloc (carloc)
DirtEYblooog (dirtydeeds)
Di tutto... un po' (jordan20)
AK47 (lillo)
Esperienze elettroniche (marco438)
Telecomunicazioni musicali (clavicordo)
Automazione ed Elettronica (gustavo)
Direttive per la sicurezza (ErnestoCappelletti)
EYnfo dall'Alaska (mir)
Apriamo il quadro! (attilio)
H7-25 (asdf)
Passione Elettrica (massimob)
Elettroni a spasso (guidob)
Bloguerra (guerra)





