Esatto, lo schema è quello.
Quando fai i calcoli devi considerare che il drop out minimo di quell'integrato è di 1,5V quindi alimentandolo con 12V in ingresso avrai al massimo in uscita 10,5V o poco più (dipende dalla corrente).
Ti calcoli la caduta di tensione totale sui led considerando che ogni diodo fa cadere circa 1,5V quindi su colonne da 6 cadranno più o meno 9V. Quindi risali al valore della resistenza.
Il resto vien da se, riducendo la tensione in uscita la corrente in ogni ramo calerà di conseguenza.
Scelta LED IR per head-tracking.
Moderatori:
carloc,
g.schgor,
BrunoValente,
IsidoroKZ
33 messaggi
• Pagina 2 di 4 • 1, 2, 3, 4
0
voti
Allora, ho realizzato questo semplice circuito (i valori sono specificati meglio nell'immagine sotto). Perdona la grossolanità dello schema, ma non ho mai usato fidocadJ e questo è il mio primo tentativo. Cosa ne pensi?
Qui invece ti posto i miei calcoli: sono corretti? :)
A questo punto se è tutto corretto inizio a lavorare per le piste del circuito stampato :)
Per le due resistenze del regolatore come mi regolo? :)
Qui invece ti posto i miei calcoli: sono corretti? :)
A questo punto se è tutto corretto inizio a lavorare per le piste del circuito stampato :)
Per le due resistenze del regolatore come mi regolo? :)
2
voti
Bene lo schema, devi fare soltanto una cosa, quando l'alleghi non allegarlo come immagine ma come schema così che io lo possa importare e modificare. Per fare ciò devi selezionare lo schema (da FidoCadJ) con una finestra poi lo copi (con i tasti ctrl+C) e lo incolli (ctrl+V) dentro ai tag di FidoCadJ selezionabili dalla barra sopra alla finestra di testo tramite il bottone "fcd". In questo modo alleghi direttamente lo schema e chi interessato lo può modificare e riallegare senza starlo a ridisegnare
.
Se non sono stato chiaro trovi tutte le istruzioni in questo bell'articolo di
elettrodomus al paragrafo: Postare un disegno su EY.
Per quel che riguarda i calcoli ci sono un paio di problemi, il primo è che un normale led colorato con una corrente di 80mA si brucia all'istante, già 50mA sono eccessivi (mi ero scordato di dirtelo) bisogna quindi scegliere un led ad alta luminosità che possa funzionare a quelle correnti.
Il secondo aspetto è che una "tensione in eccesso di solo 0,2V è poca e rischi di non accendere qualche colonna (dipende dalle tolleranze dei led). Meglio avere un margine di almeno 1,5 o 2V.
Comunque se mi dici di che colore vuoi il led colorato (oppure se l'hai già scelto mi alleghi il link al datasheet) possiamo guardare insieme su RS per individuare quello giusto, poi rivediamo i calcoli e ti spiego come calcolare il valore delle resistenze...
P.S.
Già che ci sei allegami lo schema
.
Se non sono stato chiaro trovi tutte le istruzioni in questo bell'articolo di
Per quel che riguarda i calcoli ci sono un paio di problemi, il primo è che un normale led colorato con una corrente di 80mA si brucia all'istante, già 50mA sono eccessivi (mi ero scordato di dirtelo) bisogna quindi scegliere un led ad alta luminosità che possa funzionare a quelle correnti.
Il secondo aspetto è che una "tensione in eccesso di solo 0,2V è poca e rischi di non accendere qualche colonna (dipende dalle tolleranze dei led). Meglio avere un margine di almeno 1,5 o 2V.
Comunque se mi dici di che colore vuoi il led colorato (oppure se l'hai già scelto mi alleghi il link al datasheet) possiamo guardare insieme su RS per individuare quello giusto, poi rivediamo i calcoli e ti spiego come calcolare il valore delle resistenze...
P.S.
Già che ci sei allegami lo schema
0
voti
Ottimo ti ringrazio moltissimo, ancora gentilissimo :)
Dunque lo schema te lo riposto domani perché ora sono con un altro PC e non ho qui il file salvato :) In ogni caso sei stato chiarissimo, ho letto solo la guida all'utilizzo e non avevo visto quella per postare correttamente, chiedo scusa :).
Per quanto riguarda il LED visibile hai perfettamente ragione, io avevo cercato LED aventi corrente massima di utilizzo di almeno 100mA (immagino ti riferisca a questo con alta luminosità). A questo punto però mi domando se avere 1 LED su 6 nel visibile (o anche 1 su 5, il 20%, se 0,2V non sono sufficienti) sia una cosa intelligente: praticamente "testare" il circuito diventa energicamente svantaggioso! Questo anche perché, osservando meglio il secondo video che ho postato, ho stimato che l'array utilizzato impieghi almeno 80 LED (la griglia è 12x10, anche se ovviamente ha un foro al centro). Di conseguenza ho deciso di portare il numero di LEDs almeno a 70, perché non voglio rischiare di fare tutto il cicuito per poi scoprire che è sottopotenziato, soprattutto dato che ho alimentazione più che sufficiente. Questo vorrebbe dire avere all'incirca 15-20 colonne, il che implicherebbe la presenza di 15 LED visibili: una luminaria di Natale in poche parole. Stavo pensando ad un sistema di controllo più intelligente: avevo pensato di implementare un circuito a parte, normalmente aperto, che si chuide solo nel caso in cui una colonna dovesse saltare, utilizzando ad esempio un transistor, illuminando un singolo LED visibile. Il problema è che le mie conoscenze in questo campo si fermano all'elettrologia, di transistor e simili non sono affatto ferrato, e quindi qui mi affiderei del tutto a te! Se ti va di darmi una mano mi faresti un grandissimo favore, se altrimenti pensi che non valga la pena ritorno al mio progetto iniziale ;)
Avevo inoltre pensato, siccome 20 colonne corrispondono a 20 resistenze, e provando a fare tutto il circuito su un singolo stampato viene un po' un disastro, soprattutto perché la basetta deve avere al centro un foro di 30x36mm, di separare l'array di LED dal gruppo resistivo e dal circuito di regolazione, collegando i due tramite un cavo, ad esempio un cavo parallelo a 25 pin (la scelta cade su questo perché ce l'ho già, se hai idee migliori, ad esempio ritieni che assorbirebbe troppo, sono tutt'orecchie), che mi darebbe la possibilità di avere come minimo 5 pin per la messa a terra e 20 per pilotare i singoli LED. In questo modo semplificherei non di poco la progettazione del circuito, permettendomi di avere il potenziometro di regolazione a portata di mano, con annesso dissipatore per il regolatore, ed eventualmente il circuito di test. Che ne pensi? :)
Dunque lo schema te lo riposto domani perché ora sono con un altro PC e non ho qui il file salvato :) In ogni caso sei stato chiarissimo, ho letto solo la guida all'utilizzo e non avevo visto quella per postare correttamente, chiedo scusa :).
Per quanto riguarda il LED visibile hai perfettamente ragione, io avevo cercato LED aventi corrente massima di utilizzo di almeno 100mA (immagino ti riferisca a questo con alta luminosità). A questo punto però mi domando se avere 1 LED su 6 nel visibile (o anche 1 su 5, il 20%, se 0,2V non sono sufficienti) sia una cosa intelligente: praticamente "testare" il circuito diventa energicamente svantaggioso! Questo anche perché, osservando meglio il secondo video che ho postato, ho stimato che l'array utilizzato impieghi almeno 80 LED (la griglia è 12x10, anche se ovviamente ha un foro al centro). Di conseguenza ho deciso di portare il numero di LEDs almeno a 70, perché non voglio rischiare di fare tutto il cicuito per poi scoprire che è sottopotenziato, soprattutto dato che ho alimentazione più che sufficiente. Questo vorrebbe dire avere all'incirca 15-20 colonne, il che implicherebbe la presenza di 15 LED visibili: una luminaria di Natale in poche parole. Stavo pensando ad un sistema di controllo più intelligente: avevo pensato di implementare un circuito a parte, normalmente aperto, che si chuide solo nel caso in cui una colonna dovesse saltare, utilizzando ad esempio un transistor, illuminando un singolo LED visibile. Il problema è che le mie conoscenze in questo campo si fermano all'elettrologia, di transistor e simili non sono affatto ferrato, e quindi qui mi affiderei del tutto a te! Se ti va di darmi una mano mi faresti un grandissimo favore, se altrimenti pensi che non valga la pena ritorno al mio progetto iniziale ;)
Avevo inoltre pensato, siccome 20 colonne corrispondono a 20 resistenze, e provando a fare tutto il circuito su un singolo stampato viene un po' un disastro, soprattutto perché la basetta deve avere al centro un foro di 30x36mm, di separare l'array di LED dal gruppo resistivo e dal circuito di regolazione, collegando i due tramite un cavo, ad esempio un cavo parallelo a 25 pin (la scelta cade su questo perché ce l'ho già, se hai idee migliori, ad esempio ritieni che assorbirebbe troppo, sono tutt'orecchie), che mi darebbe la possibilità di avere come minimo 5 pin per la messa a terra e 20 per pilotare i singoli LED. In questo modo semplificherei non di poco la progettazione del circuito, permettendomi di avere il potenziometro di regolazione a portata di mano, con annesso dissipatore per il regolatore, ed eventualmente il circuito di test. Che ne pensi? :)
0
voti
2
voti
1
voti
Ti troverai subissato di messaggi 
In ogni caso ho provato ad ideare un circuito che potesse essere "definitivo", sempre che sia giusto ovviamente: cosa poco probabile
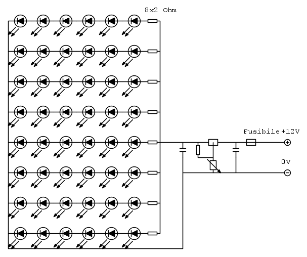
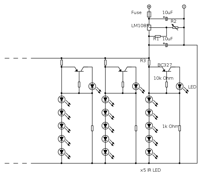
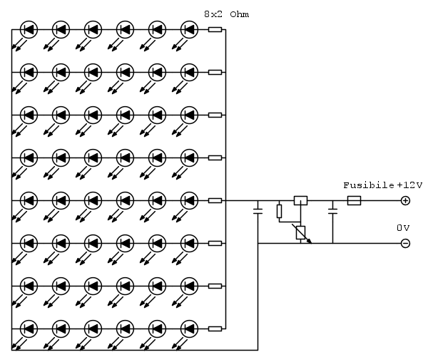
Il valore di R3 dovrebbe essere di 60 Ohm, per avere una corrente di 50mA per colonna. Avendo 5 LEDs per colonna, raggiungerei le 80 unità con 16 colonne. Questo implica che la corrente totale nel circuito sarebbe di 800mA, direi abbastanza sotto al limite di 3A del regolatore. Un fusibile da 1A andrebbe bene secondo te?. A questo punto però avrei bisogno di una mano per ottenere i valori di R1 e R2, oltre che ovviamente la conferma che non ho scritto castronerie
In ogni caso ho provato ad ideare un circuito che potesse essere "definitivo", sempre che sia giusto ovviamente: cosa poco probabile
Il valore di R3 dovrebbe essere di 60 Ohm, per avere una corrente di 50mA per colonna. Avendo 5 LEDs per colonna, raggiungerei le 80 unità con 16 colonne. Questo implica che la corrente totale nel circuito sarebbe di 800mA, direi abbastanza sotto al limite di 3A del regolatore. Un fusibile da 1A andrebbe bene secondo te?. A questo punto però avrei bisogno di una mano per ottenere i valori di R1 e R2, oltre che ovviamente la conferma che non ho scritto castronerie
0
voti
Non ho mica capito che cosa fanno quei transistori. Se vuoi alimentare delle stringhe di led, prova a dare un'occhiata a questo articolo (a anche ai 3 precedenti)
Per usare proficuamente un simulatore, bisogna sapere molta più elettronica di lui
Plug it in - it works better!
Il 555 sta all'elettronica come Arduino all'informatica! (entrambi loro malgrado)
Se volete risposte rispondete a tutte le mie domande
Plug it in - it works better!
Il 555 sta all'elettronica come Arduino all'informatica! (entrambi loro malgrado)
Se volete risposte rispondete a tutte le mie domande
0
voti
Se ti riferisci ai BC327, lo scopo del circuito è quello di accendere il LED visibile (non IR) nel caso in cui dovesse saltare uno dei LEDs infrarossi della colonna corrispondente :) Questo ovviamente perché i LEDs sono invisibili quindi non mi accorgerei se saltasse una colonna :). Ritieni che sia sbagliato il circuito? :) Sono alle prime armi e sto imparando anche grazie a questo forum, quindi è molto probabile
leggerò certamente! :)
1
voti
Prima di leggere l'ultimo messaggio stavo rispondendo dicendo che per me non valeva la pena complicare tutto perché è raro che i led si rompano se sono alimentati correttamente. Ora non so più cosa rispondere
,
Pax1601 dicci se pensi sia indispensabile e troviamo la soluzione altrimenti facciamo accendere un led che funga da allarme quando una qualsiasi delle 20 colonne va fuori uso...
33 messaggi
• Pagina 2 di 4 • 1, 2, 3, 4
Chi c’è in linea
Visitano il forum: Nessuno e 101 ospiti

Elettrotecnica e non solo (admin)
Un gatto tra gli elettroni (IsidoroKZ)
Esperienza e simulazioni (g.schgor)
Moleskine di un idraulico (RenzoDF)
Il Blog di ElectroYou (webmaster)
Idee microcontrollate (TardoFreak)
PICcoli grandi PICMicro (Paolino)
Il blog elettrico di carloc (carloc)
DirtEYblooog (dirtydeeds)
Di tutto... un po' (jordan20)
AK47 (lillo)
Esperienze elettroniche (marco438)
Telecomunicazioni musicali (clavicordo)
Automazione ed Elettronica (gustavo)
Direttive per la sicurezza (ErnestoCappelletti)
EYnfo dall'Alaska (mir)
Apriamo il quadro! (attilio)
H7-25 (asdf)
Passione Elettrica (massimob)
Elettroni a spasso (guidob)
Bloguerra (guerra)




