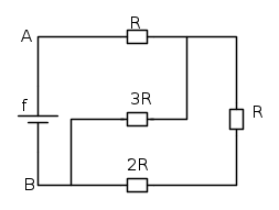
ESERCIZIO 1:
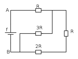
Quattro resistori sono collegati come mostrato in figura. Si calcoli il valore dell’intensità di corrente che fluisce nel resistore di resistenza 3R.
Si diano i valori numerici per R=200 ohm e f = 9 V.
ESERCIZIO 2:
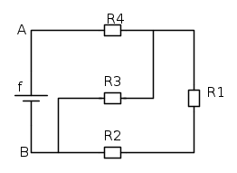
Facendo riferimento allo schema elettrico del precedente problema, si calcoli: (a) la resistenza equivalente tra i morsetti A e B e (b) la potenza erogata dal generatore di forza elettromotrice f quando viene connesso tra A e
B. Si diano i valori numerici per R=200ohm e f = 9 V.
Io li ho risolti, ma non sono certo di averli risolti correttamente, anzi, ho i miei fondati dubbi di aver commesso mille errori, quindi tutto quello che scriverò da ora prendetelo con le pinze perché c'è una buona possibilità che sia sbagliatissimo :)
La prima cosa che ho notato è che il secondo è strettamente connesso al primo, nel senso che una volta risolto il primo, il secondo si fa in due passaggi...
Ecco come ho proceduto io:
ESERCIZIO 1:
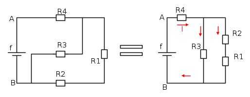
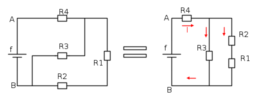
Mi sono per prima cosa trovato le resistenze equivalenti partendo da destra.
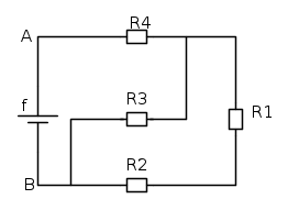
Ho chiamato le resistenze R1, R2, R3 e R4 come in figura.
R1 e R2 sono in serie quindi: R12 = R1 + R2
R12 e R3 sono in parallelo quindi:

R123 e R4 sono in serie e quindi

Una volta ottenuta la Req ho trovato la corrente facendo:

Tornando al circuito iniziale, ho pensato che questa corrente i, possa essere la stessa che passa per la resistenza R4, quindi
i = i4 con i4 corrente che passa per la resistenza R4
Con i4 posso trovare la Vr4:
Vr4 = R4 * i4
dovendo trovare la corrente che passa per R3 e sapendo che R3 e R4 sono in parallelo ho supposto che la Vr4 e la Vr3 siano uguali e quindi

e l'esercizio dovrebbe essere finito così, dite che è del tutto sbagliato?
ESERCIZIO 2:
per questo esercizio ho preso i risultati del precedente quindi:

per la potenza erogata dal generatore (che ho chiamato Pf) ho pensato che:
che ne dite?
è tutto da buttare?

Elettrotecnica e non solo (admin)
Un gatto tra gli elettroni (IsidoroKZ)
Esperienza e simulazioni (g.schgor)
Moleskine di un idraulico (RenzoDF)
Il Blog di ElectroYou (webmaster)
Idee microcontrollate (TardoFreak)
PICcoli grandi PICMicro (Paolino)
Il blog elettrico di carloc (carloc)
DirtEYblooog (dirtydeeds)
Di tutto... un po' (jordan20)
AK47 (lillo)
Esperienze elettroniche (marco438)
Telecomunicazioni musicali (clavicordo)
Automazione ed Elettronica (gustavo)
Direttive per la sicurezza (ErnestoCappelletti)
EYnfo dall'Alaska (mir)
Apriamo il quadro! (attilio)
H7-25 (asdf)
Passione Elettrica (massimob)
Elettroni a spasso (guidob)
Bloguerra (guerra)















quindi 

instead of
(Anonimo).
ain't
, right?
in lieu of
.
for
arithm.