Ciao a tutti, ho 17 anni esono in 4° superiore nel corso di elettronica.
Un alimentatore lo ho già realizzato (Uscita variabile 0-24V 1A) a scuola, adesso però ho deciso di farmelo da solo e quindi senza l'aiuto dei professori mi sono sorti alcuni dubbi, alcuni li ho chiesti direttamente ai prof, ma per altri non mi hanno saputo rispondere (non ne avevano molta voglia), quindi ho pensato di rivolgermi a voi!
Prima di tutto dovete sapere che l'alimentatore non sarà da laboratorio, ma mi servirà per alimentare fino ad un massimo di 5 pedalini per chitarra elettrica quindi non metterò nessun voltmetro/amperometro ed è qui che è sorto il primo problema: Vorrei mettere un "indicatore di sovraccarico" ovvero un led che quando si supera la corrente massima di erogazione si accende, la mia soluzione (si banale) era quella di mettere un led con una resistenza dimensionata in modo tale che il led si accenda completamente solo quando la corrente erogata è 1A, ho detto completamente perché il led non è on/off e quindi purtroppo sarebbe un indicatore di quanto sono vicino al sovraccarico e non è esattamente il massimo, quindi volevo sapere se c'erano altre possibilità. Se poi il rilevatore riesce anche a interrompere l'erogazione di corrente quando c'è un sovraccarico meglio, ma comunque non è indispensabile.
Poi avevo bisogno di sapere i valori delle tensioni nominali dei trasformatori che sono certo di trovare in negozio. Mi spiego meglio, io ho guardato su vari siti di elettronica le tensioni nominali dei trasformatori in vendita ma ognuno ha i suoi quindi se magari conoscete un sito dove le posso trovare sarebbe utile, voglio sapere quali sono i valori che sono certo di trovare in negozio perché devo finire il dimensionamento di un paio di componenti.
Infine avevo bisogno di sapere quali misure di sicurezza devo adottare per il montaggio (non per me che monto, ma per me quando lo vado ad utilizzare), a scuola abbiamo usato guaine termorestringenti per isolare completamente i fili e poi ci hanno detto che c'era anche la "messa a massa" del contenitore però non ce la hanno spiegata e non ho capito in cosa consiste, se poi ci sono altre cose riguardo la sicurezza mi piacerebbe saperle grazie.
PS:Non lo ho detto, forse si era già capito, ma il progetto su carta lo ho già finito, e ho già dimensionato quasi tutti i componenti, se pensate sia necessario per aiutarmi vi posto lo schema elettrico.
Alimentatore ad uscita fissa 9V 1A
Moderatori:
g.schgor,
IsidoroKZ
30 messaggi
• Pagina 1 di 3 • 1, 2, 3
0
voti
0
voti
Arbi ha scritto:e pensate sia necessario per aiutarmi vi posto lo schema elettrico.
Posta lo schema, tassativamente in FidoCADJ
"Computers, operating systems, networks are a hot mess. They're barely manageable, even if you know a decent amount about what you're doing. Nine out of ten software engineers agree: it's a miracle anything works at all."
@fasterthanlime
@fasterthanlime
0
voti
Sì, posta lo schema (in FidoCadJ).
La "messa a massa" (da non confondersi con la Messa a Massa
) del contenitore è in realtà una messa a terra: significa che il contenitore, se metallico, va connesso al potenziale di terra della rete elettrica. Questo implica che devi usare un cordone di alimentazione con doppio isolamento a tre conduttori: il cavo di colore giallo-verde, che va collegato al centrale della spina di alimentazione, va anche collegato (saldamente) al contenitore. Tale collegamento è I-N-D-I-S-P-E-N-S-A-B-I-L-E per motivi di sicurezza.
Normalmente, poi, alla terra si collega anche il negativo dell'alimentatore (ma il collegamento può cambiare a seconda dell'alimentatore). Se fai per bene lo schema, ti potremo dare suggerimenti più completi.
La "messa a massa" (da non confondersi con la Messa a Massa
Normalmente, poi, alla terra si collega anche il negativo dell'alimentatore (ma il collegamento può cambiare a seconda dell'alimentatore). Se fai per bene lo schema, ti potremo dare suggerimenti più completi.
It's a sin to write
instead of
(Anonimo).
...'cos you know that
ain't
, right?
You won't get a sexy tan if you write
in lieu of
.
Take a log for a fireplace, but don't take
for
arithm.
instead of
(Anonimo)....'cos you know that
ain't
, right?You won't get a sexy tan if you write
in lieu of
.Take a log for a fireplace, but don't take
for
arithm.-

DirtyDeeds
55,9k 7 11 13 - G.Master EY

- Messaggi: 7012
- Iscritto il: 13 apr 2010, 16:13
- Località: Somewhere in nowhere
2
voti
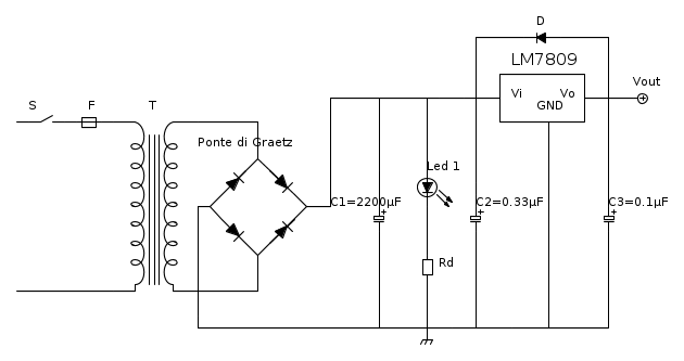
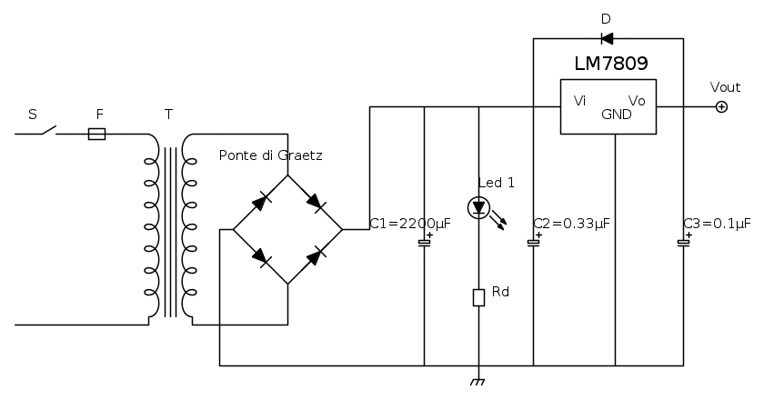
Ecco lo schema, comunque grazie ho capito qual è la "messa a massa", la avevo fatta l'altro giorno ma non avevo capito che era quella
Spero sia fatto bene lo schema, se ci sono modifiche da fare le faccio subito!
Ah il valore di Rd manca perché lo devo dimensionare in base alla tensione del secondario che ancora non so di preciso, e per quanto riguarda il rilevatore di sovraccarico non ho messo nulla visto che non ho deciso come farlo.
0
voti
Bravo
Per i trasformatori puoi guardare qui o qui.
Il collegamento di terra potresti farlo in questo modo:
Per la connessione del cavo di alimentazione o monti una spina come questa sulla scatola (ma devi riuscire a tagliare bene il pannello) oppure fai passare il cavo attraverso la scatola con un passacavo-serracavo.
Per il resto, aspetta i consigli degli altri.
Per i trasformatori puoi guardare qui o qui.
Il collegamento di terra potresti farlo in questo modo:
Per la connessione del cavo di alimentazione o monti una spina come questa sulla scatola (ma devi riuscire a tagliare bene il pannello) oppure fai passare il cavo attraverso la scatola con un passacavo-serracavo.
Per il resto, aspetta i consigli degli altri.
It's a sin to write
instead of
(Anonimo).
...'cos you know that
ain't
, right?
You won't get a sexy tan if you write
in lieu of
.
Take a log for a fireplace, but don't take
for
arithm.
instead of
(Anonimo)....'cos you know that
ain't
, right?You won't get a sexy tan if you write
in lieu of
.Take a log for a fireplace, but don't take
for
arithm.-

DirtyDeeds
55,9k 7 11 13 - G.Master EY

- Messaggi: 7012
- Iscritto il: 13 apr 2010, 16:13
- Località: Somewhere in nowhere
0
voti
Ok grazie ho capito!
A scuola ho usato una scatola metallica e quella stessa spina che hai linkato però mi chiedevo, come contenitore conviene usarne uno metallico o ci sono anche altre buone scelte?
A scuola ho usato una scatola metallica e quella stessa spina che hai linkato però mi chiedevo, come contenitore conviene usarne uno metallico o ci sono anche altre buone scelte?
0
voti
la mia soluzione (si banale) era quella di mettere un led con una resistenza dimensionata in modo tale che il led si accenda completamente solo quando la corrente erogata è 1A
Il led non può conoscere i valori di corrente erogati. Dovresti usare una resistenza di shunt di valore molto basso e un comparatore di tensione, sapresti farlo?
-

marioursino
5.687 3 9 13 - G.Master EY

- Messaggi: 1598
- Iscritto il: 5 dic 2009, 4:32
0
voti
Nel tuo post di apertura hai detto molte cose ma non quale dovrebbe essere la corrente che ti necessita.
A tale proposito voglio ricordarti che un 7809 puo' supportare una corrente massima di 1A (se ben dissipato) ma che non e' consigliabile farlo lavorare a piu' di 6/700mA.
Il led che hai messo in schema, cosi' posizionato, indichera' solo ed unicamente che e' presente tensione dopo il ponte.
Inoltre hai indicato C2 come elettrolitico; dovrebbe essere al contrario plastico o ceramico.
Per finire, credo che prima di scegliere il trasformatore tu debba rispondere alla mia prima domanda; successivamente potremo vedere la miglior soluzione da adottare.
A tale proposito voglio ricordarti che un 7809 puo' supportare una corrente massima di 1A (se ben dissipato) ma che non e' consigliabile farlo lavorare a piu' di 6/700mA.
Il led che hai messo in schema, cosi' posizionato, indichera' solo ed unicamente che e' presente tensione dopo il ponte.
Inoltre hai indicato C2 come elettrolitico; dovrebbe essere al contrario plastico o ceramico.
Per finire, credo che prima di scegliere il trasformatore tu debba rispondere alla mia prima domanda; successivamente potremo vedere la miglior soluzione da adottare.
marco
0
voti
marioursino ha scritto:Il led non può conoscere i valori di corrente erogati.
Si infatti l'idea era quella di dimensionare la resistenza in modo che il led sia "completamente" accesso quando la corrente erogata è 1A, se è <1A allora il led sarebbe diciamo poco acceso.
Dovresti usare una resistenza di shunt di valore molto basso e un comparatore di tensione, sapresti farlo?
No non saprei farlo...Però se mi dici che non è tanto complicato e posso farli da solo i comparatori me li studio sul libro di elettronica!
Per marco, si so che la corrente massima del 7809 è 1A, però pensavo che appunto fino ad 1A me li erogasse senza problemi...Dovrei prenderne quindi uno da 1.5A?
Il led nello schema ha proprio quella funzione, sarebbe il led che mi indica se l'alimentatore è acceso o no, per quanto riguarda l'indicatore di sovraccarico pensavo di aver scritto che non ho messo nulla nello schema elettrico perché non ho ancora deciso come farlo.
C2 hai ragione ho riguardato nei datasheet e non lo da elettrolitico, e neanche C3 lo è grazie per la correzione
0
voti
Pero' continui a non rispondere alla domanda che ti ho fatto: quanto consumano in ampere i tuoi pedali da chitarra?
Questo serve a stabilire quali saranno i valori da adottare per la scelta del trasformatore.
Un'altra domanda: perche' vuoi sapere quando l'alimentatore eroga piu' di un ampere?
Questo serve a stabilire quali saranno i valori da adottare per la scelta del trasformatore.
Un'altra domanda: perche' vuoi sapere quando l'alimentatore eroga piu' di un ampere?
marco
30 messaggi
• Pagina 1 di 3 • 1, 2, 3
Torna a Elettrotecnica generale
Chi c’è in linea
Visitano il forum: Nessuno e 12 ospiti

Elettrotecnica e non solo (admin)
Un gatto tra gli elettroni (IsidoroKZ)
Esperienza e simulazioni (g.schgor)
Moleskine di un idraulico (RenzoDF)
Il Blog di ElectroYou (webmaster)
Idee microcontrollate (TardoFreak)
PICcoli grandi PICMicro (Paolino)
Il blog elettrico di carloc (carloc)
DirtEYblooog (dirtydeeds)
Di tutto... un po' (jordan20)
AK47 (lillo)
Esperienze elettroniche (marco438)
Telecomunicazioni musicali (clavicordo)
Automazione ed Elettronica (gustavo)
Direttive per la sicurezza (ErnestoCappelletti)
EYnfo dall'Alaska (mir)
Apriamo il quadro! (attilio)
H7-25 (asdf)
Passione Elettrica (massimob)
Elettroni a spasso (guidob)
Bloguerra (guerra)




