Buona sera a tutti..
Volevo sapere perché in un interruttore differenziale trifase non c'è l'interconnessione dei contatti!
Grazie!
Interruttore differenziale
Moderatori:
g.schgor,
IsidoroKZ
18 messaggi
• Pagina 1 di 2 • 1, 2
1
voti
volili ha scritto:boooooooooo
come hai fatto. Risposta che, permettimi di dirlo, denota una certa infantilità.
Qui siamo su un forum serio e non sono tollerate le stupidaggini come questa.
Se non sai rispondere ad una domanda sei pregato di astenerti.
0
voti
sto cercando anche io di capire cosa significa interconnessione tra i contatti.
spero non significhi connessione elettrica tra di loro!
spero non significhi connessione elettrica tra di loro!
-

lelerelele
4.899 3 7 9 - Master

- Messaggi: 5505
- Iscritto il: 8 giu 2011, 8:57
- Località: Reggio Emilia
0
voti
Katte90 ha scritto:lelerelele ha scritto:sto cercando anche io di capire cosa significa interconnessione tra i contatti.
spero non significhi connessione elettrica tra di loro!
si connessione elettrica!
- Allegati
-
- Immagine.png (6.5 KiB) Osservato 8823 volte
3
voti
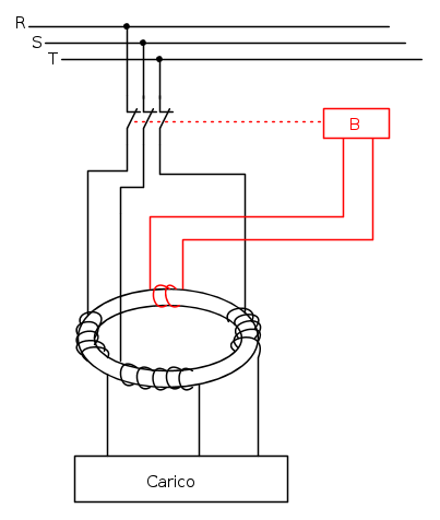
finché tutto funziona si. Se la somma delle correnti (in caso di neutro va considerata anche la corrente che lo percorre), è nulla, sarà nullo il flusso nel toroide, e l'interruttore resta chiuso. In caso di guasto le correnti non sono più simmetriche, questo fa si che si instauri un flusso, e la bobina rossa (detta differenziale) è sede di f.e.m. indotta, viene percorsa da una corrente che dice all'organo di comando B di aprire il circuito.
0
voti
Scusate la domanda, un interruttore differenziale trifase puo essere utilizzato come quello monofase !!!
Grazie
Grazie
0
voti
Ciao
eltons82 e benvenuto.
cosa intendi? se si può utilizzare un interruttore differenziale trifase su una linea monofase?
cosa intendi? se si può utilizzare un interruttore differenziale trifase su una linea monofase?
18 messaggi
• Pagina 1 di 2 • 1, 2
Torna a Elettrotecnica generale
Chi c’è in linea
Visitano il forum: Nessuno e 118 ospiti

Elettrotecnica e non solo (admin)
Un gatto tra gli elettroni (IsidoroKZ)
Esperienza e simulazioni (g.schgor)
Moleskine di un idraulico (RenzoDF)
Il Blog di ElectroYou (webmaster)
Idee microcontrollate (TardoFreak)
PICcoli grandi PICMicro (Paolino)
Il blog elettrico di carloc (carloc)
DirtEYblooog (dirtydeeds)
Di tutto... un po' (jordan20)
AK47 (lillo)
Esperienze elettroniche (marco438)
Telecomunicazioni musicali (clavicordo)
Automazione ed Elettronica (gustavo)
Direttive per la sicurezza (ErnestoCappelletti)
EYnfo dall'Alaska (mir)
Apriamo il quadro! (attilio)
H7-25 (asdf)
Passione Elettrica (massimob)
Elettroni a spasso (guidob)
Bloguerra (guerra)









