con questo "coso" quanta plastica fusa mi tocca raschiare dal tavolo ?
...cosi' dimostro sul serio quanto (poco) ne so di elettronica
P.S.
Bello fidocadj! Complimentoni a DarwinNE!
Moderatori:
carloc,
g.schgor,
BrunoValente,
IsidoroKZ
gohan ha scritto:Lo schema che hai disegnato è un po' stranoe non va bene.
gohan ha scritto:Infine, come avevi giustamente detto il tuo relè lo devi commutare con un ponte H appunto per invertire la polarità della bobina.
Andando al sodo, la spesa in transistori o un integrato a ponte H per pilotare il relè bistabile ti risulta meno economica della compera di un relè normale, diodo di ricircolo ed un transistore con un resistore di base.
Sei veramente sicuro di voler usare il relè bistabile? A questo punto non ti conviene.
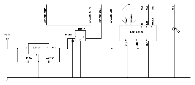
gohan ha scritto:Prima hai detto che usi un 7805, da quanto ho capito, anche per alimentare l'Arduino.
Quanto misura la tensione di alimentazione (quella di entrata al 7805) di cui disponi?
casmic ha scritto:continuo a non avere idea di come si cerchino in modo rapido gli integrati.
12 V - 1.2A se non fosse che la sua tensione in uscita e' di circa 16V

gohan ha scritto:
Il 7805 direi che non è indispensabile, il regolatore della scheda Arduino dovrebbe accettare quella tensione di entrata, ma se ti senti più sicuro mettilo. Per sicurezza se dici che scheda usi meglio, così lo possiamo confermare, se è il classico MC33269-5.0.
Se poi ti senti più sicuro usarlo, penso che no pasa nada per 1V di dropout.
Lo schema di base quindi è sempre il solito
[SNIPPETE]
però, per determinare il transistore, la resistenza di base ed il diodo da usare serve sapere i dati del relè che comprerai.
Il relè deve avere una tensione nominale il più possibile vicina a quella di alimentazione, se lo trovi da 18V va anche bene invece 24 V mi sembrano troppi. I contatti già sai che devono sopportare una corrente maggiore di quella del carico.

casmic ha scritto:Si', e' proprio quello.
16V, ed in uscita 5V, ossia 11V di caduta di tensione.. Non sono pochi, anche se con il micro e solo un transistore di pilotaggio la potenza dissipata non dovrebbe essere molta, e comunque vedo che ne hai due in parallelo.. Da quanto ho letto sembra che lo hai stressato un po' con le prove di LED e LCD... Se non l'hai fatto fuori chissà è per miracolo..ho in programma di riciclare un alimentatore (150W 19V - 7.9A) di un portatile purtroppo defunto
Ehm....non ho capito...![]()
6V per mantenere stabilizzata la tensione a 5V sull'output. per i dimensionamenti e per l'eventuale snubber poi torno quanto ho i rele'

gohan ha scritto:casmic ha scritto:Si', e' proprio quello.
Bene. Direi che non è indispensabile, perché come vedi dal datasheet allegato prima il regolatore accetta una tensione ancor maggiore. Ma non è finita![]()
Il regolatore avrà in input16V, ed in uscita 5 V, ossia 11V di caduta di tensione.. Non sono pochi, anche se con il micro e solo un transistore di pilotaggio la potenza dissipata non dovrebbe essere molta, e comunque vedo che ne hai due in parallelo.. Da quanto ho letto sembra che lo hai stressato un po' con le prove di LED e LCD... Se non l'hai fatto fuori chissà è per miracolo..
20mA
4mA max (non uso la retroilluminazione)
50
A maxQuel micro dev'essere bello, mi leggerò un po' il datasheet.
ho in programma di riciclare un alimentatore (150W 19V - 7.9A) di un portatile purtroppo defunto
Suggerisco di leggere questo articolo.
Buona lettura e buon divertimento![]()
Ehm....non ho capito...![]()
1V di drop out vuol dire che il regolatore comincia a stabilizzare la tensione di uscita quando la tensione sul piedino di entrata è maggiore di 1V rispetto alla tensione di output. Nel caso del regolatore bastano quindi6V per mantenere stabilizzata la tensione a 5 V sull'output.
[CUT]
Sono andato a ripescare una pratica di laboratorio di analogica proprio sui circuiti snubber e relè (e ripenso alla domanda di ieri), nella quale ci sono due tabelle riassuntive sulle caratteristiche e prestazioni dei vari tipi di snubber. Te le allego in un file rar.
Ad ogni modo, compra il relè e poi si decide.
IsidoroKZ ha scritto:Lo snubber cui facevo riferimento e` un gruppo RC sui contatti del rele'. Commutare 4A o piu` a 230V con fili lunghi vicino a un micro potrebbe far piantare il micro, se layout e filtraggi non sono a posto. Spegnere la scintilla sui contatti del rele` serve a ridurre questa evenienza.
casmic ha scritto:Hai qualche link buono su cui studiare un po' delle buone pratiche ?

Visitano il forum: Nessuno e 63 ospiti