Cos'è ElectroYou | Login Iscriviti

ElectroYou - la comunità dei professionisti del mondo elettrico

Circuito con applicazione del teorema di Norton

Circuiti, campi elettromagnetici e teoria delle linee di trasmissione e distribuzione dell’energia elettrica

Moderatori: Foto Utenteg.schgor, Foto UtenteIsidoroKZ

0
voti

[1] Circuito con applicazione del teorema di Norton

Messaggioda Foto Utentefrankigia » 3 feb 2012, 21:35

Ragazzi premetto che ho cominciato da qualche giorno a fare questi esercizi.
Il mio problema è nel calcolare la corrente di corto circuito nel metodo Norton.Ho provato in tutti i modi ma niente.
Grazie in anticipo :-)
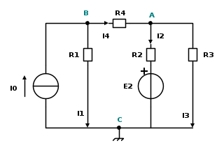
Ecco due problemi
Immagine
In questo qui mi chiede la corrent I4 tramite Norton


Anche nel secondo chiede la I4 tramite Norton.
Immagine
Avatar utente
Foto Utentefrankigia
0 2
 
Messaggi: 2
Iscritto il: 3 feb 2012, 21:08

0
voti

[2] Re: Circuito con applicazione del teorema di Norton

Messaggioda Foto Utenteasdf » 3 feb 2012, 21:54

Ciao Foto Utentefrankigia e benvenuto nel forum O_/ .

Ti elenco di seguito alcune semplici regole.

I circuiti e gli schemi vari vanno disegnati con FidoCadJ.
Per ogni informazione, dal download all'utilizzo passo-passo, ti rimando a questa semplice e chiara guida.
Inoltre, dato che dici di esserti bloccato su un punto in particolare del problema, posta comunque i tuoi passaggi e il tuo procedimento personale, anche se sbagliati od incompleti.
Le espressioni matematiche vanno postate usando LaTex.
Questo che ti posto di seguito è un editor esterno, in cui puoi scrivere le tue espressioni, una volta scritte le ricopi nel riquadro dove scrivi il tuo post, le selezioni e clicchi su tex:
http://www.codecogs.com/latex/eqneditor.php.

Buona permanenza nel forum e buona prosecuzione di topic.
Avatar utente
Foto Utenteasdf
25,3k 8 11 13
Master EY
Master EY
 
Messaggi: 4762
Iscritto il: 11 apr 2010, 9:19

2
voti

[3] Re: Circuito con applicazione del teorema di Norton

Messaggioda Foto UtenteRenzoDF » 3 feb 2012, 23:21

Io e Foto Utentelillo questi due problemi li risolveremmo in questo modo :-)

I_{4}=-G_{4}\frac{I_{01}(G_{2}+G_{3})-E_{2}G_{2}G_{1}}{(G_{1}+G_{4})(G_{3}+G_{2}+G_{4})-G_{4}^{2}}

I_{4}=G_{4}\frac{\left( I_{02}+E_{1}G_{1} \right)G_{3}-0}{(G_{1}+G_{2}+G_{4})(G_{3}+G_{2}+G_{4})-(G_{2}+G_{4})^{2}}
"Il circuito ha sempre ragione" (Luigi Malesani)
Avatar utente
Foto UtenteRenzoDF
55,9k 8 12 13
G.Master EY
G.Master EY
 
Messaggi: 13189
Iscritto il: 4 ott 2008, 9:55

3
voti

[4] Re: Circuito con applicazione del teorema di Norton

Messaggioda Foto UtenteLele_u_biddrazzu » 4 feb 2012, 0:19

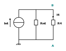
Disegno per te il primo circuito (l'altro lo lascio a te...)...



Prendendo in considerazione la porta individuata dai nodi A e B, il resto del circuito può essere sostituito da un generatore ideale di corrente I_{\text{nt}} in parallelo con una resistenza R_{\text{nt}}; calcoliamo queste grandezze:

- la corrente I_{\text{nt}} è quella che circolerebbe tra i nodi A e B se al posto di R4 fosse presente un cortocircuito...

I_{\text{nt}} = I_0 - G_{1}\frac{I_{0}+E_{2}G_{2}}{G_{1}+G_{2}+G_{3}}

- la resistenza R_{\text{nt}} è quella "vista" dai nodi A e B dopo aver "spento" tutti i generatori indipendenti...

R_{\text{nt}} = R_{1}+\frac{R_{2}R_{3}}{R_{2}+R_{3}}

Dopo la trasformazione di Norton, si ha una configurazione del genere...



pertanto, svolgendo i calcoli, si ottiene I_4  \approx -0.222 \; \text{A} (il segno meno è dovuto al verso convenzionale opposto a quello del libro).

Questo risultato si sarebbe potuto ottenere al volo, così come è stato fatto nel post [3], utilizzando il teorema di Foto UtenteRenzoDF che trovi esposto nel seguente articolo O_/
Emanuele Lorina

- Chi lotta contro i mostri deve fare attenzione a non diventare lui stesso un mostro. E se tu riguarderai a lungo in un abisso, anche l'abisso vorrà guardare dentro di te (F. Nietzsche)
- Tavole della legge by admin
Avatar utente
Foto UtenteLele_u_biddrazzu
8.154 3 8 13
Master EY
Master EY
 
Messaggi: 1288
Iscritto il: 23 gen 2007, 16:13
Località: Modena

0
voti

[5] Re: Circuito con applicazione del teorema di Norton

Messaggioda Foto Utentefrankigia » 4 feb 2012, 2:22

Grazie mille dell'aiuto ragazzi. :D
Siete stati davvero accoglienti, grazie alle vostre dritte ho risolto il secondo circuito senza difficoltà.
Grazie :ok:
Avatar utente
Foto Utentefrankigia
0 2
 
Messaggi: 2
Iscritto il: 3 feb 2012, 21:08

0
voti

[6] Re: Circuito con applicazione del teorema di Norton

Messaggioda Foto Utentelillo » 4 feb 2012, 14:10

Se quel libro è il Conte (ne ho quasi la certezza) il 90% degli esercizio li risolvi con il tuo teorema Foto UtenteRenzoDF :mrgreen: .
Avatar utente
Foto Utentelillo
20,5k 7 12 13
G.Master EY
G.Master EY
 
Messaggi: 4172
Iscritto il: 25 nov 2010, 11:30
Località: Nuovo Mondo

0
voti

[7] Re: Circuito con applicazione del teorema di Norton

Messaggioda Foto UtenteDirtyDeeds » 4 feb 2012, 14:50

frankigia ha scritto:Siete stati davvero accoglienti, grazie alle vostre dritte ho risolto il secondo circuito senza difficoltà.


Bene, che ne diresti di pubblicare qui la tua soluzione? ;-)
It's a sin to write sin instead of \sin (Anonimo).
...'cos you know that cos ain't \cos, right?
You won't get a sexy tan if you write tan in lieu of \tan.
Take a log for a fireplace, but don't take log for \logarithm.
Avatar utente
Foto UtenteDirtyDeeds
55,9k 7 11 13
G.Master EY
G.Master EY
 
Messaggi: 7012
Iscritto il: 13 apr 2010, 16:13
Località: Somewhere in nowhere


Torna a Elettrotecnica generale

Chi c’è in linea

Visitano il forum: Google [Bot] e 20 ospiti