Cos'è ElectroYou | Login Iscriviti

ElectroYou - la comunità dei professionisti del mondo elettrico

Domanda su circuiti alla sequenze

Circuiti, campi elettromagnetici e teoria delle linee di trasmissione e distribuzione dell’energia elettrica

Moderatori: Foto Utenteg.schgor, Foto UtenteIsidoroKZ

-1
voti

[1] Domanda su circuiti alla sequenze

Messaggioda Foto Utentedany88 » 11 feb 2012, 0:56

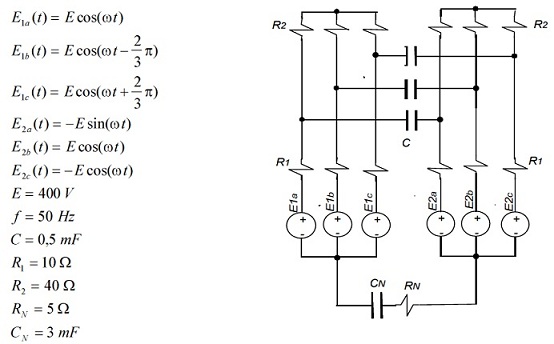
Ciao a tutti! Ho un problema con il seguente esercizio:
Immagine.jpg
Immagine.jpg (44.4 KiB) Osservato 2335 volte

In particolare non riesco a capire come determinare i circuiti alla sequenza diretta e inversa (solo il disegno).

Grazie in anticipo se qualcuno mi darà una mano :-) sto impazzendo!
Avatar utente
Foto Utentedany88
-2 1 2
 
Messaggi: 2
Iscritto il: 11 feb 2012, 0:42

0
voti

[2] Re: Domanda su circuiti alla sequenze

Messaggioda Foto Utentemrc » 11 feb 2012, 14:58

Ciao Foto Utentedany88.

Per facilitare le eventuali risposte, ti consiglio di postare il disegno del tuo circuito utilizzando Fidocadj.

Le indicazioni per usare Fidocadj le trovi a questi link:

http://www.electroyou.it/darwinne/wiki/fidocadj

http://www.electroyou.it/elettrodomus/w ... -per-tonni

Consiglio, inoltre, di postare la soluzione da te pensata scrivendo, per la dimostrazione, le formule usando LaTex che trovi a questo link:

http://www.codecogs.com/latex/eqneditor.php

Se non segui queste indicazioni rischi di non ricevere risposta.
Avatar utente
Foto Utentemrc
10,5k 6 11 13
Expert EY
Expert EY
 
Messaggi: 4023
Iscritto il: 16 apr 2009, 9:32

0
voti

[3] Re: Domanda su circuiti alla sequenze

Messaggioda Foto Utenteadmin » 12 feb 2012, 15:04

dany88 ha scritto:[..]come determinare i circuiti alla sequenza diretta e inversa (solo il disegno)[..]

Avatar utente
Foto Utenteadmin
196,6k 9 12 17
Manager
Manager
 
Messaggi: 11951
Iscritto il: 6 ago 2004, 13:14

4
voti

[4] Re: Domanda su circuiti alla sequenze

Messaggioda Foto UtenteRenzoDF » 15 feb 2012, 12:08

Visto che qualcuno si e' proprio addormentato, dopo aver fatto calcolare a Maxima le componenti di sequenza

2012-02-15_110232.gif
2012-02-15_110232.gif (6.84 KiB) Osservato 2236 volte

uso Tina (Demo 6) per verificare la scomposizione e per calcolare (per esempio) le tre componenti della corrente I1 erogata da E1a

2012-02-15_105502.gif
2012-02-15_105502.gif (32.46 KiB) Osservato 2236 volte


Volendo evidenziare le terne delle sequenze, servono alcuni "meters" in piu'

sequenze.gif
sequenze.gif (28.04 KiB) Osservato 2215 volte
"Il circuito ha sempre ragione" (Luigi Malesani)
Avatar utente
Foto UtenteRenzoDF
55,9k 8 12 13
G.Master EY
G.Master EY
 
Messaggi: 13189
Iscritto il: 4 ott 2008, 9:55

0
voti

[5] Re: Domanda su circuiti alla sequenze

Messaggioda Foto Utentedany88 » 28 feb 2012, 22:44

mi scuso per non essermi fatta viva prima... ringrazio tutti quelli che hanno risposto al mio quesito!
purtroppo non mi arrivano le mail di avviso che qualcuno mi ha risposto, e credendo fosse di fondamentale importanza disegnare il circuito col programma che mi era stato consigliato, avevo abbandonato l'idea che qualcuno potesse darmi una mano. :(

grazie ancora! :!:
Avatar utente
Foto Utentedany88
-2 1 2
 
Messaggi: 2
Iscritto il: 11 feb 2012, 0:42


Torna a Elettrotecnica generale

Chi c’è in linea

Visitano il forum: Nessuno e 41 ospiti