Cos'è ElectroYou | Login Iscriviti

ElectroYou - la comunità dei professionisti del mondo elettrico

Quale relè usare?

Elettronica lineare e digitale: didattica ed applicazioni

Moderatori: Foto Utentecarloc, Foto Utenteg.schgor, Foto UtenteBrunoValente, Foto UtenteIsidoroKZ

0
voti

[1] Quale relè usare?

Messaggioda Foto UtenteVincenzoP89 » 15 feb 2012, 14:41

Ciao a tutti! :ok:

Premessa: Mi sono appena messo a studiare elettronica per conto mio, quindi so che vi sto per chiedere una cosa banalissima ma troppo avanti per il mio livello d'istruzione nel campo^^

Ho preso questo circuito su nuova elettronica, solo per curiosità!
http://www.comesidevefare.it/vincenzo/circuitoled.JPG

L'ho montato e funziona alla perfezione solo che è molto inutile cosi com'è adesso quindi vorrei usarlo nel mio furgone e vi spiego come:

Faccio l'ambulante, e nel mio furgone ho uno stereo montato nel cassone, cosi da arrivarci comodamente senza dover entrare in cabina.
Purtroppo a volte lo dimentico acceso perché ho le casse nella tenda automatica posta sopra il tetto, e quando la chiudo le casse non si sentono. E mi si scarica la batteria durante la notte.

Allora ho pensato di sostituire il led rosso con un relè nel circuito sopra linkato e collegarlo all'alimentazione dello stereo, cosi da interrompere l'alimentazione quando chiudo le porte del cassone che di conseguenza diventa tutto buio.
Non so se mi sono spiegato bene ?%

Solo che non so che relè io debba prendere, non so nemmeno se basti solo prendere un relè o qualche altro componente per adattare il circuito al relè.

Così ad intuito penso che non sia una cosa difficile da fare, quindi confido nelle vostre spiegazioni e so che posso farcela !

Se vi serve qualche dato relativo al circuito come tensioni o amperaggi (correnti: è meglio ;-)) chiedete pure che vi dico tutto, anche se penso si possa già calcolare dall'immagine che vi ho mandato.


P.S.
So che al mio problema dello stereo c'è una soluzione migliore ma io voglio adottare questa cosi da non dispiacermi per i 14€ spesi per il circuito XD
Avatar utente
Foto UtenteVincenzoP89
0 2
 
Messaggi: 17
Iscritto il: 30 gen 2012, 20:30

1
voti

[2] Re: Quale relè usare?

Messaggioda Foto Utentedonciccio » 15 feb 2012, 16:47

Avatar utente
Foto Utentedonciccio
574 2 6 7
Sostenitore
Sostenitore
 
Messaggi: 857
Iscritto il: 15 ago 2010, 10:43

1
voti

[3] Re: Quale relè usare?

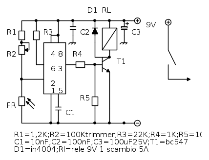
Messaggioda Foto Utentedonciccio » 15 feb 2012, 17:18

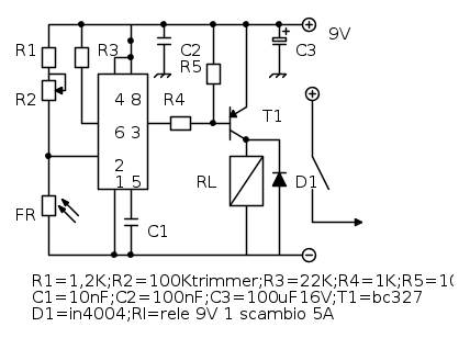
col primo schema devi usare il contatto nc(normalmente chiuso del rele),pero è piu logico questo schema dove collegherai l'utenza al contatto na(normalmente aperto) del rele:
Avatar utente
Foto Utentedonciccio
574 2 6 7
Sostenitore
Sostenitore
 
Messaggi: 857
Iscritto il: 15 ago 2010, 10:43

0
voti

[4] Re: Quale relè usare?

Messaggioda Foto UtenteVincenzoP89 » 15 feb 2012, 18:40

Ti confesso che non ho mai letto uno schema, se non quello da me linkiato quindi ho molti dubbi, per fare prima ti dico quello che penso di aver capito e quello che non ho capito.

Il secondo schema.

Prima di tutto ho visto che devo prendere un relè, un transistor e una resistenza e un led a 9 volt?

Nell piedino 3 devo collegare la resistenza che a sua volta la collego al transistor, gli altri due piedini del trasistor vanno rispettivamente, uno al meno e uno al relè.

il relè poi a sua volta va collegato al positivo.

Giusto o sbagliato?

poi non capisco il D1 sarebbe un led a 9 volt esatto?

E va collegato nel piedino del transistor dov'è collegato anche il relè esatto?

Mi scuso tanto ma so di chiedere cose non facili da spiegare ad uno che non se ne capisce... per ora :ok:
Avatar utente
Foto UtenteVincenzoP89
0 2
 
Messaggi: 17
Iscritto il: 30 gen 2012, 20:30

0
voti

[5] Re: Quale relè usare?

Messaggioda Foto Utentedonciccio » 15 feb 2012, 19:09

il diodo in parallelo alla bobina del rele ha una funzione molto importane:protegge il transistor dalle extratensioni che si generano quando il rele viene eccitato,per il resto pare che tu hai capito tutto,adesso fai il circuito e facci sapere
Avatar utente
Foto Utentedonciccio
574 2 6 7
Sostenitore
Sostenitore
 
Messaggi: 857
Iscritto il: 15 ago 2010, 10:43

0
voti

[6] Re: Quale relè usare?

Messaggioda Foto Utentedonciccio » 15 feb 2012, 19:12

dimenticavo di dirti che il D1 non è un led ma un diodo raddrizzatore comune
Avatar utente
Foto Utentedonciccio
574 2 6 7
Sostenitore
Sostenitore
 
Messaggi: 857
Iscritto il: 15 ago 2010, 10:43

0
voti

[7] Re: Quale relè usare?

Messaggioda Foto UtenteVincenzoP89 » 15 feb 2012, 19:20

Ok capito.

Ultima cosa, R5 a cosa serve?

E dove posso comprare i componenti aggiuntivi? purtroppo vicino casa mia non ci sono negozi di elettronica, e su internet non trovo un sito molto fornito! #-o

Grazie mille sei stato molto chiaro!
Avatar utente
Foto UtenteVincenzoP89
0 2
 
Messaggi: 17
Iscritto il: 30 gen 2012, 20:30

0
voti

[8] Re: Quale relè usare?

Messaggioda Foto Utentedonciccio » 15 feb 2012, 19:58

R5,non è indispensabile puoi farne a meno,la sua funzione è quella di mandare a massa segnali deboli,pero nel nostro caso essendo l'ne555 anche un sofisticato trigger di smith,dal pin 3 non escono segnali incerti,con l'occasione ti invio la pedinatura del transistor,ti sara sicuramente utile:
Avatar utente
Foto Utentedonciccio
574 2 6 7
Sostenitore
Sostenitore
 
Messaggi: 857
Iscritto il: 15 ago 2010, 10:43

0
voti

[9] Re: Quale relè usare?

Messaggioda Foto UtenteVincenzoP89 » 15 feb 2012, 20:23

Si vero non ci pensavo al collegamento del transistor. Non mi hai detto dove possso prendere i componenti :)
Avatar utente
Foto UtenteVincenzoP89
0 2
 
Messaggi: 17
Iscritto il: 30 gen 2012, 20:30

0
voti

[10] Re: Quale relè usare?

Messaggioda Foto Utentedonciccio » 15 feb 2012, 21:32

sono componenti di facile reperibilita,se hai qualche dispositivo elettronico in disuso di sicuro li troverai(radio, televisori,caricabatteria ecc)
Avatar utente
Foto Utentedonciccio
574 2 6 7
Sostenitore
Sostenitore
 
Messaggi: 857
Iscritto il: 15 ago 2010, 10:43

Prossimo

Torna a Elettronica generale

Chi c’è in linea

Visitano il forum: Nessuno e 148 ospiti