
Costruire una specie di impianto stella/triangolo
Moderatori:
SandroCalligaro,
mario_maggi,
fpalone
22 messaggi
• Pagina 2 di 3 • 1, 2, 3
0
voti
ma si potrebbe allora fare come ho detto io ? Cioè parte più lento e poi dopo un tot. va più veloce ? Grazie ciao 

-

milan1996pato2
851 3 10 13 - Sostenitore

- Messaggi: 1062
- Iscritto il: 4 ago 2011, 17:42
0
voti
Innanzi tutto siamo arrivati sin qui e non abbiamo capito di che motore si tratta; se è un trifase o monofase asincrono, e che potenza abbia. Per gli avviamenti dei motori, esistono a riduzione della tensione applicata, mediante autotrasformatore; mediante commutazione degli avvolgimenti, metodo di avviamento stella triangolo; mediante delle resistenze sullo statore o sul rotore, che vengono escluse ad avviamento avvenuto.in poche parole vorrei che il motorino partisse lentamente e che dopo un certo periodo di tempo andasse più veloce . Non è come l'avviamento stella/triangolo ?
Se il tuo motore è monofase e lo vuoi far partire ad avviamento “riduzione della tensione applicata”, devi usare un autotrasformatore che abbia 0 – 110 – 230 V ad avviamento avvenuto scambia da 110 V a 230 V con un timer. Quindi di che motore si tratta?
-

StefanoSunda
2.880 3 6 10 - Master

- Messaggi: 1962
- Iscritto il: 16 set 2010, 19:29
-1
voti
si si tratta di un motore asincrono monofase che va a 110/220 con 4,5 A purtroppo la potenza non c'è scritta sul motore . A scuola mi hanno insegnato così :


-

milan1996pato2
851 3 10 13 - Sostenitore

- Messaggi: 1062
- Iscritto il: 4 ago 2011, 17:42
2
voti
Stai sempre chiedendo schemi a destra e a manca, qualcuno ti stava prendendo per mano, per insegnarti a seguire uno schema funzionale, ti stava dando del suo tempo libero e tu non hai più risposto, più, vedi topic: problema con schema. Se tu imparavi a capire la circuiteria, potresti anche crearla alle tue esigenze. Poi parti subito sul difficile quando potresti iniziare dal più facile, per esempio dall’illuminazione. Ora ti posto uno schema, una deviata, come effettui i collegamenti?
-

StefanoSunda
2.880 3 6 10 - Master

- Messaggi: 1962
- Iscritto il: 16 set 2010, 19:29
0
voti
scusa ma io non lo capisco questo schema se devo accendere una lampada con un deviatore faccio così : N.B in verde ho segnato il flusso di corrente .
Era questo l'esercizio ?
Era questo l'esercizio ?

-

milan1996pato2
851 3 10 13 - Sostenitore

- Messaggi: 1062
- Iscritto il: 4 ago 2011, 17:42
0
voti
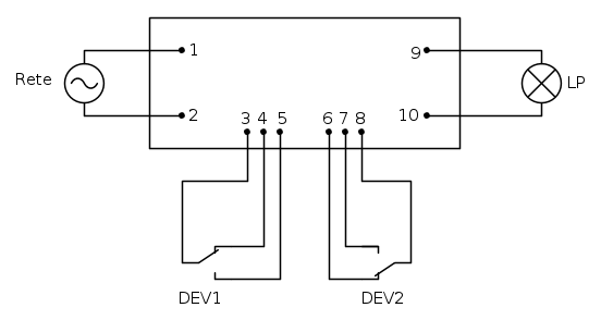
Penso che bastasse anche la corrispondenza numerica dei collegamenti tra i morsetti:
1-9; 2-3; 4-6; 5-7; 8-10
Ognuno sta solo sul cuor della terra
trafitto da un raggio di sole:
ed è subito sera
Salvatore Quasimodo
trafitto da un raggio di sole:
ed è subito sera
Salvatore Quasimodo
0
voti
adesso ho capito , non capivo cosa fosse quel quadrato , comunque mi pare che mi abbia chiesto lo schema di una lampada deviata . è la stessa cosa
-

milan1996pato2
851 3 10 13 - Sostenitore

- Messaggi: 1062
- Iscritto il: 4 ago 2011, 17:42
0
voti
Ros09 ha scritto:Io vedo un bel cortocircuito..
Ahahah, uno solo?
Ognuno sta solo sul cuor della terra
trafitto da un raggio di sole:
ed è subito sera
Salvatore Quasimodo
trafitto da un raggio di sole:
ed è subito sera
Salvatore Quasimodo
22 messaggi
• Pagina 2 di 3 • 1, 2, 3
Chi c’è in linea
Visitano il forum: Nessuno e 21 ospiti

Elettrotecnica e non solo (admin)
Un gatto tra gli elettroni (IsidoroKZ)
Esperienza e simulazioni (g.schgor)
Moleskine di un idraulico (RenzoDF)
Il Blog di ElectroYou (webmaster)
Idee microcontrollate (TardoFreak)
PICcoli grandi PICMicro (Paolino)
Il blog elettrico di carloc (carloc)
DirtEYblooog (dirtydeeds)
Di tutto... un po' (jordan20)
AK47 (lillo)
Esperienze elettroniche (marco438)
Telecomunicazioni musicali (clavicordo)
Automazione ed Elettronica (gustavo)
Direttive per la sicurezza (ErnestoCappelletti)
EYnfo dall'Alaska (mir)
Apriamo il quadro! (attilio)
H7-25 (asdf)
Passione Elettrica (massimob)
Elettroni a spasso (guidob)
Bloguerra (guerra)



