Cos'è ElectroYou | Login Iscriviti

ElectroYou - la comunità dei professionisti del mondo elettrico

Transitori con Laplace

Circuiti, campi elettromagnetici e teoria delle linee di trasmissione e distribuzione dell’energia elettrica

Moderatori: Foto Utenteg.schgor, Foto UtenteIsidoroKZ

0
voti

[41] Re: Transitori con Laplace

Messaggioda Foto UtenteRenzoDF » 24 feb 2012, 19:27

dimaios ha scritto:... Resta comunque il dubbio se sia possibile perseguire una strada alternativa per ricavare le correnti dopo l'apertura dell'interruttore...

Nel nostro caso sostanzialmente (L+L/2)*i(0+)=L*i(0-)
regola che deriva da quanto dimostrato con il bilancio impulsivo del mio precedente post.
"Il circuito ha sempre ragione" (Luigi Malesani)
Avatar utente
Foto UtenteRenzoDF
55,9k 8 12 13
G.Master EY
G.Master EY
 
Messaggi: 13189
Iscritto il: 4 ott 2008, 9:55

0
voti

[42] Re: Transitori con Laplace

Messaggioda Foto Utenteg.schgor » 24 feb 2012, 19:32

Si, infatti la differenza consiste nel considerare il cosiddetto
"impulso di tensione" (cioè l'integrale della tensione applicata all'induttore)
che è u=L\cdot i invece dell'energia w_m.
Avatar utente
Foto Utenteg.schgor
57,8k 9 12 13
G.Master EY
G.Master EY
 
Messaggi: 16971
Iscritto il: 25 ott 2005, 9:58
Località: MILANO

0
voti

[43] Re: Transitori con Laplace

Messaggioda Foto UtenteNico89 » 24 feb 2012, 21:46

g.schgor ha scritto:[..]
Un induttore di induttanza L. percorso da
una corrente i, ha un accumulo di energia
magnetica pari a w_m=\frac{L\cdot i^{2}}{2}.
All'istante t=0 questa si ripartisce sui 3 induttori
(il primo in serie al parallelo degli altri 2).
Poiché nel nostro caso l'induttanza è la stessa per
tutti 3, l'induttanza globale equivalente è \frac{3}{2}L,
quindi la corrente che percorre la serie risulta : \frac{2}{3}i,
cioè: 60\cdot\frac{2}{3}=40A e ovviamente 20A per ciascuna
di quelle in parallelo.
Abbiamo così i valori iniziali per applicare Laplace.


Interessante!

Tuttavia con valori iniziali nulli l'esercizio viene, con valori iniziali diversi da 0 (come da lei indicato), non viene..
Avatar utente
Foto UtenteNico89
76 1 7
Frequentatore
Frequentatore
 
Messaggi: 132
Iscritto il: 13 set 2010, 16:36

0
voti

[44] Re: Transitori con Laplace

Messaggioda Foto Utenteg.schgor » 24 feb 2012, 22:47

Come nel frattempo precisato, non è l'energia magnetica w_m
che si conserva ma la u=L\cdot i(impulso di tensione).
Detto questo, sarebbe interessante vedere come hai risolto con Laplace
il problema, a quanto pare bypassando le condizioni iniziali per t>0
Avatar utente
Foto Utenteg.schgor
57,8k 9 12 13
G.Master EY
G.Master EY
 
Messaggi: 16971
Iscritto il: 25 ott 2005, 9:58
Località: MILANO

0
voti

[45] Re: Transitori con Laplace

Messaggioda Foto UtenteNico89 » 25 feb 2012, 11:49

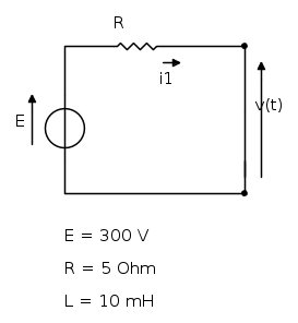
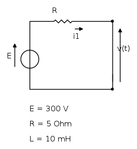
Ho calcolato le condizioni a t<0:



I_{0}=\frac{E}{R}=60A
V_{0}=0V

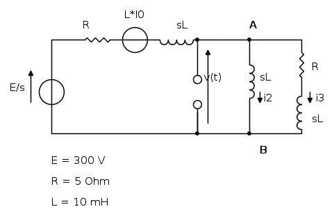
Poi ho fatto il circuito equivalente nel dominio di laplace, abbinando al generatore del primo induttore una corrente di 60 A, mentre agli altri due una corrente nulla, poiché alle condizioni trovate prima non erano percorsi da corrente, quindi i due induttori di destra hanno in serie un corto circuito:



Il cui circuito equivalente è



Ora calcolo la tensione sull'impedenza di destra tramite un partitore di tensione, che è anche la tensione sul nostro interruttore:

V(s)=(\frac{E}{s}+LI_{0})\frac{\frac{sL(sL+R)}{sL+R+sL}}{sL+R+\frac{sL(sL+R)}{sL+R+sL}}

Poi bisognerebbe andare avanti mettendo a posto i denominatori, sostituendo i numeri e antitrasformare, ma questa equazione è l'equazione finale che viene anche al professore!!
Avatar utente
Foto UtenteNico89
76 1 7
Frequentatore
Frequentatore
 
Messaggi: 132
Iscritto il: 13 set 2010, 16:36

0
voti

[46] Re: Transitori con Laplace

Messaggioda Foto Utenteg.schgor » 25 feb 2012, 13:11

Manca però la parte più interessante,
che è proprio lo sviluppo con le antitrasformate di Laplace.
Avatar utente
Foto Utenteg.schgor
57,8k 9 12 13
G.Master EY
G.Master EY
 
Messaggi: 16971
Iscritto il: 25 ott 2005, 9:58
Località: MILANO

0
voti

[47] Re: Transitori con Laplace

Messaggioda Foto UtenteNico89 » 25 feb 2012, 13:54

g.schgor ha scritto:Manca però la parte più interessante,
che è proprio lo sviluppo con le antitrasformate di Laplace.


Io la definirei noiosa come parte, ed è una parte matematica che ora non ci interessa :-)
Cosa ne pensa dei passaggi "elettrotecnici"?
Avatar utente
Foto UtenteNico89
76 1 7
Frequentatore
Frequentatore
 
Messaggi: 132
Iscritto il: 13 set 2010, 16:36

5
voti

[48] Re: Transitori con Laplace

Messaggioda Foto UtenteRenzoDF » 25 feb 2012, 13:59

Nico89 ha scritto:Ho calcolato le condizioni a t<0:...Poi ho fatto il circuito equivalente nel dominio di laplace, abbinando al generatore del primo induttore una corrente di 60 A, mentre agli altri due una corrente nulla ...

Un approccio completamente errato, che in questo caso particolare porta agli stessi risultati solo grazie all'uguaglianza delle induttanze, e che si spiega con la possibilita' di "trasportare" un GIT sia da un ramo "in avanti" sui due rami concorrenti, sia viceversa se con due generatori uguali "in retromarcia",



ma che in un caso generale sarebbe inapplicabile :!: .
"Il circuito ha sempre ragione" (Luigi Malesani)
Avatar utente
Foto UtenteRenzoDF
55,9k 8 12 13
G.Master EY
G.Master EY
 
Messaggi: 13189
Iscritto il: 4 ott 2008, 9:55

1
voti

[49] Re: Transitori con Laplace

Messaggioda Foto Utentedimaios » 25 feb 2012, 14:00

Foto UtenteNico89 non condivido affatto [-X . Anzi ! Ho provato a risolverlo ed è estremamente interessante.
E' vero che i passaggi delle antitrasformate possono essere pesanti e noiosi ma la soluzione finale potrebbe avere qualche caratteristica interessante che ancora non riesci a vedere.


Ho visto che Foto UtenteRenzoDF ha postato contemporaneamente una considerazione d'oro =D> !!!!
Ingegneria : alternativa intelligente alla droga.
Avatar utente
Foto Utentedimaios
30,2k 7 10 12
G.Master EY
G.Master EY
 
Messaggi: 3381
Iscritto il: 24 ago 2010, 14:12
Località: Behind the scenes

0
voti

[50] Re: Transitori con Laplace

Messaggioda Foto UtenteNico89 » 25 feb 2012, 14:27

@ RenzoDF: perfetto, quindi se avessi avuto induttanze diverse tra loro, questo approccio era da buttare!

@ Dimaios: andando avanti ottengo:

0.02+\frac{66.66}{s+1666.66}

Che antitrasformato dovrebbe essere:

0.02\delta +66.66e^{-1666.66s}
Avatar utente
Foto UtenteNico89
76 1 7
Frequentatore
Frequentatore
 
Messaggi: 132
Iscritto il: 13 set 2010, 16:36

PrecedenteProssimo

Torna a Elettrotecnica generale

Chi c’è in linea

Visitano il forum: Nessuno e 121 ospiti