Cos'è ElectroYou | Login Iscriviti

ElectroYou - la comunità dei professionisti del mondo elettrico

chiarimento tra collegamento in serie e parallello

Circuiti, campi elettromagnetici e teoria delle linee di trasmissione e distribuzione dell’energia elettrica

Moderatori: Foto Utenteg.schgor, Foto UtenteIsidoroKZ

0
voti

[11] Re: chiarimento tra collegamento in serie e parallello

Messaggioda mykismvc » 24 feb 2012, 8:24

Provo a spiegartelo più visivamente con qualche abuso di linguaggio.
Considerato il seguente schema:



Come ho fatto notare nella figura il punto A è in comune ad R3/R4/R5 ovvero tutti i resistori con un loro filo (immagina che il resistore è il rettangolino e che i due fili escono da questo una a destra ed uno a sinistra)vanno a finire in questo punto,con lo stesso ragionamento è possibile dire che il punto B è comune solo ad R4/R5 (un filo di R3 non va a finire in B in quanto R3 è diviso dal punto B dal generatore quindi il filo del generatore va a finire in B).

Se hai capito tutto ciò,siccome due resistori sono in parallelo se hanno due terminali in comune,in questa situazione avremo che R4 è parallelo ad R5 perché il punto A è comune ad R4/R5 ed il punto B è comune ad R4/R5.

NOTA: R3 ed R4 non sono in parallelo perché è vero che il punto A è comune ad R3/R4 ma il punto B non è comune ad R3/R4 capito?

A questo punto se R4 ed R5 sono in parallelo possiamo sostituirli entrambi con una resistenza detta resistenza parallelo arrivando alla seguente figura:



In questa nuova figura il punto A è comune alla resistenza R3 ed alla resistenza parallelo il punto B non è comune a nessuna resistenza.

Se hai capito tutto ciò,siccome due resistori sono in serie se hanno un solo terminale in comune,in questa situazione avremo che R3 è in serie alla resistenza parallelo perché solo il punto A è comune ok?

Questo è il motivo perché R4 è parallelo ad R5 e questo parallelo (ovvero la reistenza che si ottiene da questo parallelo) è in serie con R3.

Fammi sapere se hai capito O_/

P.S. Sicuramente avrò fatto un abuso di linguaggio in vari passaggi ma l'ho fatto per rendere l'idea.
mykismvc
327 2 4 5
---
 

0
voti

[12] Re: chiarimento tra collegamento in serie e parallello

Messaggioda Foto Utenteconsole6 » 24 feb 2012, 14:36

Vorrei fare una piccola precisazione per facilitare un'eventuale spiegazione da parte di qualche volenteroso studente
ƎlectroYou e ne sai di più!
Avatar utente
Foto Utenteconsole6
2.261 3 10 12
Expert EY
Expert EY
 
Messaggi: 1106
Iscritto il: 15 nov 2011, 13:08
Località: World wide

0
voti

[13] Re: chiarimento tra collegamento in serie e parallello

Messaggioda Foto Utenteconsole6 » 24 feb 2012, 14:37

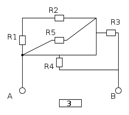
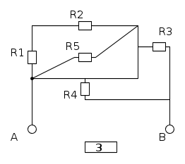
Idem per il primo esercizio:
ƎlectroYou e ne sai di più!
Avatar utente
Foto Utenteconsole6
2.261 3 10 12
Expert EY
Expert EY
 
Messaggi: 1106
Iscritto il: 15 nov 2011, 13:08
Località: World wide

0
voti

[14] Re: chiarimento tra collegamento in serie e parallello

Messaggioda Foto Utentelivrea » 25 feb 2012, 3:00

ok grazie dopo tutte queste spiegazioni adesso è tutto chiarissimo. grazie ancora
Avatar utente
Foto Utentelivrea
0 3
 
Messaggi: 10
Iscritto il: 21 feb 2012, 15:46

2
voti

[15] Re: chiarimento tra collegamento in serie e parallello

Messaggioda Foto Utenteadmin » 25 feb 2012, 3:06

mmm..qui non ci fidiamo di conclusioni tanto elogiative quanto sbrigative: hanno tutta l'aria di una fuga.
Ci sono tre esercizi proposti per te: se li risolvi ti crediamo ;-)
Avatar utente
Foto Utenteadmin
196,7k 9 12 17
Manager
Manager
 
Messaggi: 11952
Iscritto il: 6 ago 2004, 13:14

0
voti

[16] Re: chiarimento tra collegamento in serie e parallello

Messaggioda Foto Utenteconsole6 » 25 feb 2012, 13:30

ƎlectroYou e ne sai di più!
Avatar utente
Foto Utenteconsole6
2.261 3 10 12
Expert EY
Expert EY
 
Messaggi: 1106
Iscritto il: 15 nov 2011, 13:08
Località: World wide

0
voti

[17] Re: chiarimento tra collegamento in serie e parallello

Messaggioda Foto Utentelillo » 25 feb 2012, 14:08

console6 ha scritto:Vorrei fare una piccola precisazione per facilitare un'eventuale spiegazione da parte di qualche volenteroso studente...

dov'è la precisazione?
Avatar utente
Foto Utentelillo
20,5k 7 12 13
G.Master EY
G.Master EY
 
Messaggi: 4176
Iscritto il: 25 nov 2010, 11:30
Località: Nuovo Mondo

0
voti

[18] Re: chiarimento tra collegamento in serie e parallello

Messaggioda Foto Utenteelfo79 » 25 feb 2012, 21:36

Io credo che la precisazione sta nell'avere inserito i numeri, così qualcuno può dire a parole R1//R2 e così via...
Senza scomodare il programma che usate qui (FidoCadJ)
Avatar utente
Foto Utenteelfo79
25 3
 
Messaggi: 16
Iscritto il: 14 feb 2012, 16:54

0
voti

[19] Re: chiarimento tra collegamento in serie e parallello

Messaggioda Foto Utentelillo » 26 feb 2012, 15:42

secondo me Foto Utentelivrea non ci ha capito nulla, ne con, ne senza numeri :mrgreen:
Avatar utente
Foto Utentelillo
20,5k 7 12 13
G.Master EY
G.Master EY
 
Messaggi: 4176
Iscritto il: 25 nov 2010, 11:30
Località: Nuovo Mondo

0
voti

[20] Re: chiarimento tra collegamento in serie e parallello

Messaggioda mykismvc » 26 feb 2012, 16:19

lillo ha scritto:secondo me Foto Utentelivrea non ci ha capito nulla, ne con, ne senza numeri :mrgreen:


Concordo pienamente con te in quanto se aveva difficoltà nell'esercizio postato da lui,immagino con questi.
mykismvc
327 2 4 5
---
 

PrecedenteProssimo

Torna a Elettrotecnica generale

Chi c’è in linea

Visitano il forum: Nessuno e 57 ospiti