Salve a tutti, devo simulare le caratteristiche I-V di una cella fotovoltaica utilizzando i vari modelli circuitali equivalenti (con 1 diodo, senza resistenze, con resistenze etc...) mediante Simulink e la libreria Sympowersystems.
N.B è una simulazione generica, interessa il confronto fra i modelli, non fra determinate celle, quindi utilizzo valori generici per le correnti (in questo caso ho messo 3A ed una resistenza di carico di 50 ohm), comuni a tutti i modelli per confrontare le varie caratteristiche che si ottengono a seconda del modello.
Sono partito dal modello ideale, senza resistenze, quindi è chiaro che non mi aspetto una caratteristica molto buona, ma comunque non deve essere dissimile da quella reale.
Prima di passare ad implementare gli altri modelli, vorrei implementare questo correttamente.
Potete darmi una mano a capire dove sbaglio? Credo di sbagliare, poiché ottengo una caratteristica I-V lineare crescente...
Grazie a chi mi aiuterà
Ho messo in allegato lo schema che ho realizzato.
E' grossolano per il momento; quando riuscirò ad ottenere una caratteristica decente, passerò agli altri modelli e mi porterò i valori nel workspace per avere grafici più ordinati.
Simulazoine Modello Cella PV con Simulink
10 messaggi
• Pagina 1 di 1
0
voti
0
voti
Devi allora stabilire il "modello" (circuito equivalente)
che intendi studiare (e quello puoi disegnarlo in FidoCadJ).
Simulink dovrebbe comunque avere già modelli già adatti
a questo studio (vedi)
che intendi studiare (e quello puoi disegnarlo in FidoCadJ).
Simulink dovrebbe comunque avere già modelli già adatti
a questo studio (vedi)
2
voti
carica il tuo file di simulink (.mdl) qua sul EY e vediamo che si può fare, sicuramente sbagli a impostare qualche parametro.
rini -
lectroYou
lectroYou0
voti
g.schgor ha scritto:Devi allora stabilire il "modello" (circuito equivalente)
che intendi studiare (e quello puoi disegnarlo in FidoCadJ).
Simulink dovrebbe comunque avere già modelli già adatti
a questo studio (vedi)
come detto, devo studiarne svariati.
Cominciamo da quello ideale
Per quanto riguarda l'aspetto in Simulink, avevo già trovato questo articolo e numerosi altri, ma a me interessa qualcosa di più semplice: Il solo circuito implementato usando la Sympowersystem che dovrebbe darmi la caratteristica I-V, senza modelli matematici.
rini ha scritto:carica il tuo file di simulink (.mdl) qua sul EY e vediamo che si può fare, sicuramente sbagli a impostare qualche parametro.
allego il file.mdl
- Allegati
-
Ideale.rar- (5.84 KiB) Scaricato 166 volte
0
voti
p4ngm4n ha scritto:Credo di sbagliare, poiché ottengo una caratteristica I-V lineare crescente...
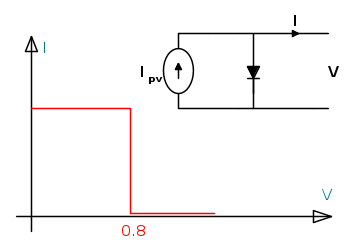
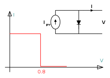
Si ma questa caratteristica come la ottieni? Cioè come esegui la prova? A mio avviso dovresti lasciare un riferimento di corrente ad esempio 3A vanno più che bene, e poi devi variare il carico R da infinito (cioè condizione di corrente nulla) fino al valore che stabilisci te, e dovrai vedere qualcosa del genere
rini -
lectroYou
lectroYou0
voti
Giusto...a questo punto mi sorge un' altra domanda, come faccio ad imporre questo carico variabile?
chiedo scusa per le domande banali, ma non son molto pratico di simulink, ho consultato anche alcuni manuali, ma non trattano nello specifico queste cose.
Anzi se qualcuno sapesse consultarmi un manuale/guida utile a riguardo gli sarei molto grato.
Grazie
chiedo scusa per le domande banali, ma non son molto pratico di simulink, ho consultato anche alcuni manuali, ma non trattano nello specifico queste cose.
Anzi se qualcuno sapesse consultarmi un manuale/guida utile a riguardo gli sarei molto grato.
Grazie
0
voti
non credo che in simpowersystem ci sia la possibilità di avere delle resistente variabili, al momento l'unico modo che ho in mente è quello di operare in maniera manuale. Cioè di volta in volta cambiare il valore di resistenza. 
rini -
lectroYou
lectroYou0
voti
Ahi!!!
Allora con questa simulazione che sto facendo non posso ottenere quello che mi serve...
10 messaggi
• Pagina 1 di 1
Torna a Programmi applicativi: simulatori, CAD ed altro
Chi c’è in linea
Visitano il forum: Nessuno e 10 ospiti

Elettrotecnica e non solo (admin)
Un gatto tra gli elettroni (IsidoroKZ)
Esperienza e simulazioni (g.schgor)
Moleskine di un idraulico (RenzoDF)
Il Blog di ElectroYou (webmaster)
Idee microcontrollate (TardoFreak)
PICcoli grandi PICMicro (Paolino)
Il blog elettrico di carloc (carloc)
DirtEYblooog (dirtydeeds)
Di tutto... un po' (jordan20)
AK47 (lillo)
Esperienze elettroniche (marco438)
Telecomunicazioni musicali (clavicordo)
Automazione ed Elettronica (gustavo)
Direttive per la sicurezza (ErnestoCappelletti)
EYnfo dall'Alaska (mir)
Apriamo il quadro! (attilio)
H7-25 (asdf)
Passione Elettrica (massimob)
Elettroni a spasso (guidob)
Bloguerra (guerra)






