Cos'è ElectroYou | Login Iscriviti

ElectroYou - la comunità dei professionisti del mondo elettrico

Esercizio su doppio bipolo

Circuiti, campi elettromagnetici e teoria delle linee di trasmissione e distribuzione dell’energia elettrica

Moderatori: Foto Utenteg.schgor, Foto UtenteIsidoroKZ

0
voti

[1] Esercizio su doppio bipolo

Messaggioda Foto Utentetino20 » 29 mar 2012, 10:40

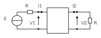
Salve sono alle prese col seguente esercizio e ahimè non ne vengo a capo.

Data l'equazione del doppio bipolo, calcolare V1,V2,I1,I2



\[A*v+B*i+C=0
\]

\[A=\begin{pmatrix}           
1 &0 \\ 
 0& 2
\end{pmatrix}
\]

\[B=-\begin{pmatrix}
0 &3 \\ 
 0& 1
\end{pmatrix}
\]

\[C=-\begin{pmatrix}
2\\ 1

\end{pmatrix}\]

Inoltre E=1 V, R=-1 Ohm.

Potreste darmi una mano?
Avatar utente
Foto Utentetino20
5 5
New entry
New entry
 
Messaggi: 72
Iscritto il: 13 lug 2011, 13:40

2
voti

[2] Re: Esercizio su doppio bipolo

Messaggioda Foto UtenteRenzoDF » 29 mar 2012, 10:55

A parte il fatto che quello indicato non e' un generatore di tensione ma di corrente, per risolvere basta sviluppare la relazione matriciale, che ti fornira' due equazioni, ed associarle alle due KVL alle maglie esterne al doppio bipolo, ovvero

\begin{align}
  & E-RI_{1}-V_{1}=0 \\ 
 & V_{2}+RI_{2}=0 \\ 
\end{align}

In questo modo avrai un sistema a 4 equazioni 4 incognite facilmente risolvibile.
"Il circuito ha sempre ragione" (Luigi Malesani)
Avatar utente
Foto UtenteRenzoDF
55,9k 8 12 13
G.Master EY
G.Master EY
 
Messaggi: 13189
Iscritto il: 4 ott 2008, 9:55

0
voti

[3] Re: Esercizio su doppio bipolo

Messaggioda Foto Utentetino20 » 29 mar 2012, 11:14

Già provato ,ma non mi vengono i risultati corretti
Avatar utente
Foto Utentetino20
5 5
New entry
New entry
 
Messaggi: 72
Iscritto il: 13 lug 2011, 13:40

0
voti

[4] Re: Esercizio su doppio bipolo

Messaggioda Foto UtenteRenzoDF » 29 mar 2012, 13:19

tino20 ha scritto:Già provato ,ma non mi vengono i risultati corretti

Se posti il sistema controllo.
"Il circuito ha sempre ragione" (Luigi Malesani)
Avatar utente
Foto UtenteRenzoDF
55,9k 8 12 13
G.Master EY
G.Master EY
 
Messaggi: 13189
Iscritto il: 4 ott 2008, 9:55

0
voti

[5] Re: Esercizio su doppio bipolo

Messaggioda Foto Utentetino20 » 29 mar 2012, 15:30

\[\left\{\begin{matrix}
 V1-3*I2-2=0&  & \\ 
 2*V2-I2-1=0&  & \\ 
 V1=E-R*I1&  & \\ 
 V2=-R*I2&  & 
\end{matrix}\right.\]

ecco il sistema.
Avatar utente
Foto Utentetino20
5 5
New entry
New entry
 
Messaggi: 72
Iscritto il: 13 lug 2011, 13:40

1
voti

[6] Re: Esercizio su doppio bipolo

Messaggioda Foto Utentedimaios » 29 mar 2012, 15:50

tino20 ha scritto: R=-1 Ohm.


Sicuro di quel valore negativo di resistenza nel testo del problema ?
Ingegneria : alternativa intelligente alla droga.
Avatar utente
Foto Utentedimaios
30,2k 7 10 12
G.Master EY
G.Master EY
 
Messaggi: 3381
Iscritto il: 24 ago 2010, 14:12
Località: Behind the scenes

0
voti

[7] Re: Esercizio su doppio bipolo

Messaggioda Foto Utentetino20 » 29 mar 2012, 15:55

si si è proprio -1 ohm
Avatar utente
Foto Utentetino20
5 5
New entry
New entry
 
Messaggi: 72
Iscritto il: 13 lug 2011, 13:40

0
voti

[8] Re: Esercizio su doppio bipolo

Messaggioda Foto UtenteRenzoDF » 29 mar 2012, 16:21

Si, il sistema e' proprio quello ... e quale dovrebbe essere il risultato?

BTW no * nelle formule, ed e' "conveniente" per la leggibilita' usare i pedici
Codice: Seleziona tutto
[tex]V_{2}[/tex]

V_{2}
"Il circuito ha sempre ragione" (Luigi Malesani)
Avatar utente
Foto UtenteRenzoDF
55,9k 8 12 13
G.Master EY
G.Master EY
 
Messaggi: 13189
Iscritto il: 4 ott 2008, 9:55

0
voti

[9] Re: Esercizio su doppio bipolo

Messaggioda Foto UtenteRenzoDF » 29 mar 2012, 16:32

Non e' che potresti perdere 10 secondi per rispondere?

Chiedo troppo?
"Il circuito ha sempre ragione" (Luigi Malesani)
Avatar utente
Foto UtenteRenzoDF
55,9k 8 12 13
G.Master EY
G.Master EY
 
Messaggi: 13189
Iscritto il: 4 ott 2008, 9:55

2
voti

[10] Re: Esercizio su doppio bipolo

Messaggioda Foto Utentedimaios » 29 mar 2012, 16:37

Foto Utentetino20, toc toc ..... :-k
Quale dovrebbe essere il risultato ?
Ingegneria : alternativa intelligente alla droga.
Avatar utente
Foto Utentedimaios
30,2k 7 10 12
G.Master EY
G.Master EY
 
Messaggi: 3381
Iscritto il: 24 ago 2010, 14:12
Località: Behind the scenes

Prossimo

Torna a Elettrotecnica generale

Chi c’è in linea

Visitano il forum: Nessuno e 17 ospiti