Un saluto a tutti voi del forum.
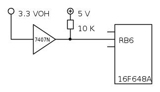
Avrei bisogno di trovare qualche integrato equivalente al buffer 7407N per realizzare un programmatore per PIC; l'integrato non riesco a trovarlo in nessun negozio che conosco e vorrei evitare di ordinarlo online (vorrei acquistarlo domani qui a Udine).
Il circuito equivalente riportato dal DS è il seguente:
Nel progetto devo utilizzarlo con dei pull-up verso un'alimentazione di 5 V e una da 13.5 V come segue:
Qualcuno conosce degli integrati equivalenti così che possa dire un po di nomi al negoziante?
Buffer open collector
Moderatori:
carloc,
g.schgor,
BrunoValente,
IsidoroKZ
23 messaggi
• Pagina 1 di 3 • 1, 2, 3
0
voti
Ultima modifica di
marioursino il 4 apr 2012, 22:24, modificato 1 volta in totale.
-

marioursino
5.687 3 9 13 - G.Master EY

- Messaggi: 1598
- Iscritto il: 5 dic 2009, 4:32
0
voti
un inverter CMOS + resistenza + transistor NPN
5404 + 1kOhm + BC547
la resistenza è abbatanza a caso ma dovrebbe andare bene, tanto è utilizzato solo in on off
edit: se sei proprio messo male ti prendi una coppia di transistor e le relative resistenze e ti fai la logica per conto tuo
5404 + 1kOhm + BC547
la resistenza è abbatanza a caso ma dovrebbe andare bene, tanto è utilizzato solo in on off
edit: se sei proprio messo male ti prendi una coppia di transistor e le relative resistenze e ti fai la logica per conto tuo
Ultima modifica di
Beppe82 il 4 apr 2012, 22:09, modificato 1 volta in totale.
0
voti
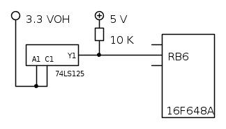
Nel catalogo del negozio di Udine l'integrato che più si avvicina alle mie necessità è il 74LS125, guardando la tabella del DS deduco di poterlo utilizzare in alta impedenza utilizzando gli ingressi C:
Connettendolo così può funzionare?
Connettendolo così può funzionare?
-

marioursino
5.687 3 9 13 - G.Master EY

- Messaggi: 1598
- Iscritto il: 5 dic 2009, 4:32
0
voti
i ttl 74xx se li attacchi a 13,5 volt temo li fumi istantaneamente. devi spostarti sulla serie 54xx o 40xx (ora non mi ricordo esattamente quale delle due) a meno che non sia specificamente possibile come nel buffer che hai indicato nel primo post
Ultima modifica di
Beppe82 il 4 apr 2012, 22:13, modificato 1 volta in totale.
0
voti
Ho postato mentre hai risposto. Il punto è che dovendo comunque acquistare un integrato tanto vale comprarlo direttamente non invertente, con quattro ingressi/uscite (me ne servono giusto quattro tra l'altro) e con l'uscita "on" in alta impedenza, inoltre risparmierei tempo e spazio.
-

marioursino
5.687 3 9 13 - G.Master EY

- Messaggi: 1598
- Iscritto il: 5 dic 2009, 4:32
0
voti
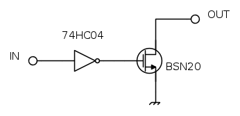
I link non funzionano ma li ho trovati lo stesso, il problema è che sono tutti e due invertenti. A questo punto userò un npn in uscita.. sempre che trovi qualcosa.
-

marioursino
5.687 3 9 13 - G.Master EY

- Messaggi: 1598
- Iscritto il: 5 dic 2009, 4:32
0
voti
Grazie per l'aiuto gohan, questo dovrebbe essere giusto. Sul DS però leggo in "limiting values" che la tensione massima applicabile in uscita nel caso di uscita in alta impedenza è di 7 V. Non capisco però se il fatto di avere una resistenza serie da 10 kΩ possa rendere accettabile lo stato dato che la corrente assorbibile è di 25 mA.
Effettivamente i 13.5 V se li becca tutti il MOS spento all'ultimo stadio e penso sia un problema di massima tensione
, cosa ne pensi? Era questo il problema di cui parlavi
Beppe82?
Effettivamente i 13.5 V se li becca tutti il MOS spento all'ultimo stadio e penso sia un problema di massima tensione
, cosa ne pensi? Era questo il problema di cui parlavi -

marioursino
5.687 3 9 13 - G.Master EY

- Messaggi: 1598
- Iscritto il: 5 dic 2009, 4:32
4
voti
"La follia sta nel fare sempre la stessa cosa aspettandosi risultati diversi".
"Parla soltanto quando sei sicuro che quello che dirai è più bello del silenzio".
Rispondere è cortesia, ma lasciare l'ultima parola ai cretini è arte.
"Parla soltanto quando sei sicuro che quello che dirai è più bello del silenzio".
Rispondere è cortesia, ma lasciare l'ultima parola ai cretini è arte.
-

TardoFreak
73,9k 8 12 13 - -EY Legend-

- Messaggi: 15754
- Iscritto il: 16 dic 2009, 11:10
- Località: Torino - 3° pianeta del Sistema Solare
23 messaggi
• Pagina 1 di 3 • 1, 2, 3
Chi c’è in linea
Visitano il forum: Nessuno e 196 ospiti

Elettrotecnica e non solo (admin)
Un gatto tra gli elettroni (IsidoroKZ)
Esperienza e simulazioni (g.schgor)
Moleskine di un idraulico (RenzoDF)
Il Blog di ElectroYou (webmaster)
Idee microcontrollate (TardoFreak)
PICcoli grandi PICMicro (Paolino)
Il blog elettrico di carloc (carloc)
DirtEYblooog (dirtydeeds)
Di tutto... un po' (jordan20)
AK47 (lillo)
Esperienze elettroniche (marco438)
Telecomunicazioni musicali (clavicordo)
Automazione ed Elettronica (gustavo)
Direttive per la sicurezza (ErnestoCappelletti)
EYnfo dall'Alaska (mir)
Apriamo il quadro! (attilio)
H7-25 (asdf)
Passione Elettrica (massimob)
Elettroni a spasso (guidob)
Bloguerra (guerra)




