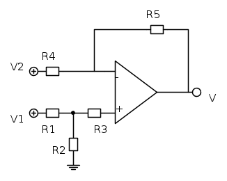
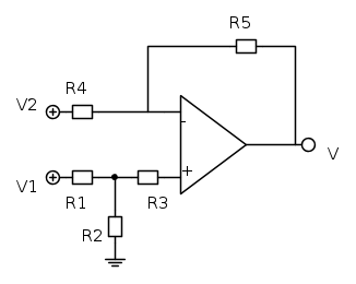
qualcuno potrebbe dirmi se ho fatto bene? Devo calcolare V.




non ho considerato la resistenza R3, fatto bene?
Moderatori:
carloc,
g.schgor,
BrunoValente,
IsidoroKZ




instead of
(Anonimo).
ain't
, right?
in lieu of
.
for
arithm.

R_1 V_1 V^+...
...
.
instead of
(Anonimo).
ain't
, right?
in lieu of
.
for
arithm.

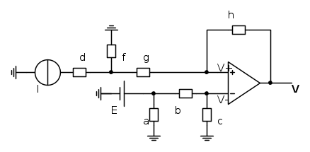
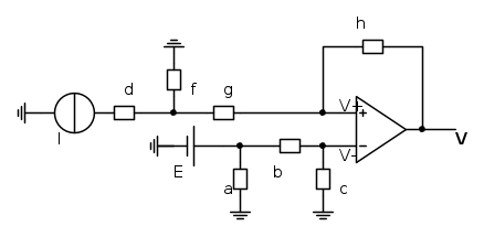
JennyJG ha scritto:Isidoro, come posso accendere un ingresso per volta?
Visitano il forum: Nessuno e 208 ospiti