
circuito IR
Moderatori:
carloc,
g.schgor,
BrunoValente,
IsidoroKZ
21 messaggi
• Pagina 2 di 3 • 1, 2, 3
0
voti
[16] Re: circuito IR

"Non farei mai parte di un club che accettasse la mia iscrizione" (G. Marx)
-

claudiocedrone
21,3k 4 7 9 - Master EY

- Messaggi: 15303
- Iscritto il: 18 gen 2012, 13:36
0
voti
[17] Re: circuito IR
AAAHHH ok ok..
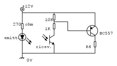
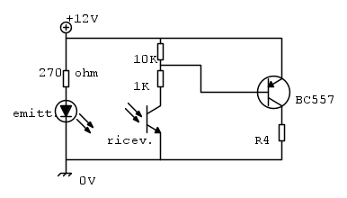
ho messo nello schema l' alimentazione in comune solo per comodità... ovvio che poi nella raltà il circuito dell emittente e del ricevente saranno alimentati con due alimentazioni entrambe 12V...
grazie a tutti per il dempo dedicatomi...

claudiocedrone ha scritto:se deve essere un telecomando emittente e ricevente come fanno ad avere l'alimentazione in comune ?
ho messo nello schema l' alimentazione in comune solo per comodità... ovvio che poi nella raltà il circuito dell emittente e del ricevente saranno alimentati con due alimentazioni entrambe 12V...
grazie a tutti per il dempo dedicatomi...

0
voti
[18] Re: circuito IR

"Non farei mai parte di un club che accettasse la mia iscrizione" (G. Marx)
-

claudiocedrone
21,3k 4 7 9 - Master EY

- Messaggi: 15303
- Iscritto il: 18 gen 2012, 13:36
0
voti
[19] Re: circuito IR
ho montato su breadboard il circuito e funzionaaa
non ho ancora testato fino a quale distanza si riesce ancora a farli comunicare ma lo faro presto...
l' unica cosa che il fototransistore (quello ricevente) è molto sensibile alla luce e in un luogo con buona illuminazione praticamente non funziona e se si mettte un led come carico il led rimane sempre acceso...
c' è un modo per sviare questo inconveniente...?

non ho ancora testato fino a quale distanza si riesce ancora a farli comunicare ma lo faro presto...
l' unica cosa che il fototransistore (quello ricevente) è molto sensibile alla luce e in un luogo con buona illuminazione praticamente non funziona e se si mettte un led come carico il led rimane sempre acceso...
c' è un modo per sviare questo inconveniente...?

0
voti
[20] Re: circuito IR
dimitri94 ha scritto:c' è un modo per sviare questo inconveniente...?
Proteggere la parte del sensore con vetro scuro, quello che si usa per saldare (no stagno) o per vedere le eclissi, potrebbe essere una soluzione. Prova.
21 messaggi
• Pagina 2 di 3 • 1, 2, 3
Chi c’è in linea
Visitano il forum: Nessuno e 100 ospiti

Elettrotecnica e non solo (admin)
Un gatto tra gli elettroni (IsidoroKZ)
Esperienza e simulazioni (g.schgor)
Moleskine di un idraulico (RenzoDF)
Il Blog di ElectroYou (webmaster)
Idee microcontrollate (TardoFreak)
PICcoli grandi PICMicro (Paolino)
Il blog elettrico di carloc (carloc)
DirtEYblooog (dirtydeeds)
Di tutto... un po' (jordan20)
AK47 (lillo)
Esperienze elettroniche (marco438)
Telecomunicazioni musicali (clavicordo)
Automazione ed Elettronica (gustavo)
Direttive per la sicurezza (ErnestoCappelletti)
EYnfo dall'Alaska (mir)
Apriamo il quadro! (attilio)
H7-25 (asdf)
Passione Elettrica (massimob)
Elettroni a spasso (guidob)
Bloguerra (guerra)





