Ciao a tutti,
mi chiamo Marco e sto studiando ingegneria elettrica presso il politecnico di Torino.
Mi sono iscritto oggi alla vostra comunità in quanto ho dei bubbi sul funzionamento dell'inverter trifase a tensione impressa e sono sicuro che voi siete pienamente in grado di rispondermi.
Le mie domande sono queste due:
perché si sdoppia l'alimentazione del dc link per i carichi collegati a stella, mentre per quelli collegati a triangolo viene mantenuta unita?
Cosa significa gestire o non gestire il centro stella di un carico con appunto il centro stella isolato?
Aspettando con curiosità le vostre risposte porgo cordiali saluti.
Grazie
Marco
inverter trifase a tensione impressa
Moderatori:
dimaios,
carlomariamanenti
10 messaggi
• Pagina 1 di 1
0
voti
0
voti
ciao
Dalmyz88 e benvenuto.
Non sono sicuro di aver capito la domanda.
Tu vuoi sapere perché nell'analisi delle tensioni sul carico a stella si sdoppia l'alimentazione continua e si fa riferimento a un centro stella ideale
Non sono sicuro di aver capito la domanda.
Tu vuoi sapere perché nell'analisi delle tensioni sul carico a stella si sdoppia l'alimentazione continua e si fa riferimento a un centro stella ideale
0
voti
Buongiorno
lillo,
grazie mille per aver risposto.
Esatto la mia richiesta è proprio quella perché la tensione Vd del DC link viene sdoppiata e composta dalla somma di +Vd/2 e -Vd/2.
buona giornata a tutti
grazie mille per aver risposto.
Esatto la mia richiesta è proprio quella perché la tensione Vd del DC link viene sdoppiata e composta dalla somma di +Vd/2 e -Vd/2.
buona giornata a tutti
1
voti
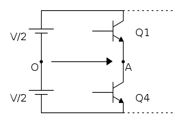
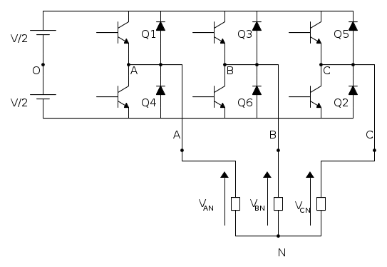
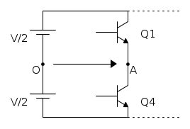
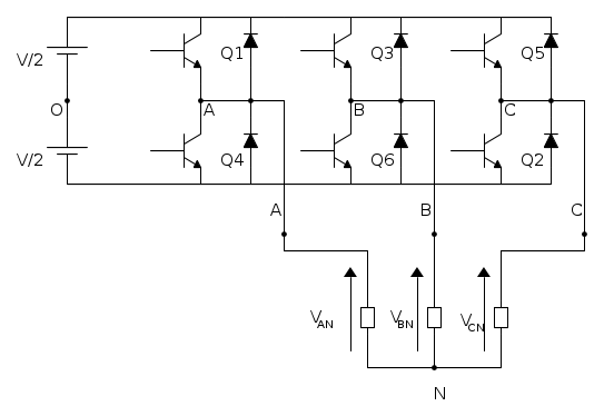
Dalmyz88 ha scritto:perché si sdoppia l'alimentazione del dc link per i carichi collegati a stella, mentre per quelli collegati a triangolo viene mantenuta unita?
nell'analisi che effettuavamo noi tale sdoppiamento lo facevamo comunque.
Osservando la parte di circuito disegnata la tensione
vale:

Continuando il ragionamento sulle altre due fasi troveremo che la tensione è pari a V/2 quando sono accesi i BJT del semi-ponte superiore, e -V/2 quando saranno accesi quelli del semi-ponte inferiore.
Se il carico risulta a triangolo, le tensioni sul carico saranno
,
,
, ricavabili ovviamente come differenza tra le tensioni precedentemente trovate:


per ottenere sul carico un'onda di tensione quasi quadra.
Se il carico è a stella la situazione si fa un po più ardua:
Possiamo scrivere le tre tensioni sul carico come:



dove
è la d.d.p. tra il punto astratto O e il centro stella N.Sommando membro a membro le 3 equazioni otteniamo:

Il primo membro dell'equazione può essere riscritto come:

NB: La z non è l'impedenza nel senso stretto in quanto non siamo in regime sinusoidale, ma è più un operatore attraverso il quale leghiamo tensione e corrente sul carico.
Resta il fatto che nel nodo N la somma delle tre correnti deve essere nulla. Questo annulla il primo termine dell'equazione e ci permette di trovare la d.d.p.
:
noto il quale possiamo trovare le tensioni sul carico:



sul carico avremo un segnale a sei livelli. In entrambi i casi abbiamo sdoppiato il DC link.
0
voti
Ciao
lillo,
grazie mille per la dimostrazione dei passaggi. Da quello che ho capito lo sdoppiamento del DC link serve per permetterci di eseguire ladimostrazione, è una cosa solamente didattica. Giusto?
Puoi illuminarmi anche sulla gestione di un centro stella isolato?
Grazie mille di tutto
Marco
grazie mille per la dimostrazione dei passaggi. Da quello che ho capito lo sdoppiamento del DC link serve per permetterci di eseguire ladimostrazione, è una cosa solamente didattica. Giusto?
Puoi illuminarmi anche sulla gestione di un centro stella isolato?
Grazie mille di tutto
Marco
0
voti
Si, noi l'abbiamo utilizzata per trovare le forme d'onda della tensione sul carico, che sia esso a stella o a triangolo.
Mi dispiace ma non posso aiutarti sulla seconda domanda in quanto non ho mai trattato l'argomento. Resto in attesa con te sperando che qualcuno illumini entrambi
Mi dispiace ma non posso aiutarti sulla seconda domanda in quanto non ho mai trattato l'argomento. Resto in attesa con te sperando che qualcuno illumini entrambi
0
voti
ok perfetto.
un'ultima domanda, se io volessi alimentare un carico con tensione concatenata di 400V efficaci, e sto mobulando in PWM con coefficiente di ampiezza ma<1, quale tensione deve avere il DC link?
ti auguro una buona giornata.
ciao!!!
un'ultima domanda, se io volessi alimentare un carico con tensione concatenata di 400V efficaci, e sto mobulando in PWM con coefficiente di ampiezza ma<1, quale tensione deve avere il DC link?
ti auguro una buona giornata.
ciao!!!
0
voti
Ma non lo hai gia` chiesto un paio di giorni fa qui? La domanda sembra identica e arriva dallo stesso posto.
Per usare proficuamente un simulatore, bisogna sapere molta più elettronica di lui
Plug it in - it works better!
Il 555 sta all'elettronica come Arduino all'informatica! (entrambi loro malgrado)
Se volete risposte rispondete a tutte le mie domande
Plug it in - it works better!
Il 555 sta all'elettronica come Arduino all'informatica! (entrambi loro malgrado)
Se volete risposte rispondete a tutte le mie domande
0
voti
Ciao IsidoroKZ,
ho notato ciò che dici ed effettivamente corrisponde. Ti garantisco però che io non conosco ira83, sarà un altro studente del corso che si sta preparando per lo stesso esame di elettronica di potenza. L'istituto usa IP statico ed è per quello che lo vedi uguale da entrambi. Il forum ci è stato segnalato da un nostro assistente.
Buon pomeriggio e grazie ancora della vostra disponibilità.
Marco
ho notato ciò che dici ed effettivamente corrisponde. Ti garantisco però che io non conosco ira83, sarà un altro studente del corso che si sta preparando per lo stesso esame di elettronica di potenza. L'istituto usa IP statico ed è per quello che lo vedi uguale da entrambi. Il forum ci è stato segnalato da un nostro assistente.
Buon pomeriggio e grazie ancora della vostra disponibilità.
Marco
0
voti
Chi e` l'assistente che ve lo ha segnalato? Eventualmente anche risposta in messaggio privato, se non vuoi fare nomi in pubblico.
Per usare proficuamente un simulatore, bisogna sapere molta più elettronica di lui
Plug it in - it works better!
Il 555 sta all'elettronica come Arduino all'informatica! (entrambi loro malgrado)
Se volete risposte rispondete a tutte le mie domande
Plug it in - it works better!
Il 555 sta all'elettronica come Arduino all'informatica! (entrambi loro malgrado)
Se volete risposte rispondete a tutte le mie domande
10 messaggi
• Pagina 1 di 1
Torna a Automazione industriale ed azionamenti
Chi c’è in linea
Visitano il forum: Nessuno e 13 ospiti

Elettrotecnica e non solo (admin)
Un gatto tra gli elettroni (IsidoroKZ)
Esperienza e simulazioni (g.schgor)
Moleskine di un idraulico (RenzoDF)
Il Blog di ElectroYou (webmaster)
Idee microcontrollate (TardoFreak)
PICcoli grandi PICMicro (Paolino)
Il blog elettrico di carloc (carloc)
DirtEYblooog (dirtydeeds)
Di tutto... un po' (jordan20)
AK47 (lillo)
Esperienze elettroniche (marco438)
Telecomunicazioni musicali (clavicordo)
Automazione ed Elettronica (gustavo)
Direttive per la sicurezza (ErnestoCappelletti)
EYnfo dall'Alaska (mir)
Apriamo il quadro! (attilio)
H7-25 (asdf)
Passione Elettrica (massimob)
Elettroni a spasso (guidob)
Bloguerra (guerra)




