Cos'è ElectroYou | Login Iscriviti

ElectroYou - la comunità dei professionisti del mondo elettrico

Esercizio Elettrotecnica

Circuiti, campi elettromagnetici e teoria delle linee di trasmissione e distribuzione dell’energia elettrica

Moderatori: Foto Utenteg.schgor, Foto UtenteIsidoroKZ

0
voti

[1] Esercizio Elettrotecnica

Messaggioda Foto Utentepanciotto » 3 giu 2012, 10:05

Salve a tutti!
sono in difficoltà su questo esercizio, qualcuno può aiutarmi e spiegarmi il procedimento??
grazie infinite!!

_____________________________________________________________________________________________

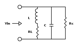
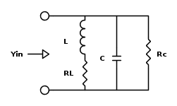
Determinare :
* la pulsazione di risonanza d'ingresso (fl);
* il fattore di qualità medio alla risonanza(fl/fn);
* il diagramma qualitativo di \overline{Q}_r(R_L) a fissi L, C e G_C.




Dati :
G_c =1/5\ S
R_L=4/5 \Ohm
C=1/5\ F
L=1/5\ H



Edit Foto Utenteasdf : per questa volta ho eliminato l'immagine e modificato il messaggio così come deve essere presentato.
Avatar utente
Foto Utentepanciotto
8 3
 
Messaggi: 29
Iscritto il: 2 giu 2012, 12:07

0
voti

[2] Re: Esercizio Elettrotecnica

Messaggioda Foto Utenteasdf » 3 giu 2012, 10:17

Ciao Foto Utentepanciotto e benvenuto nel Forum.
Gli schemi vari vanno realizzati con FidoCadJ, qui una guida passo passo con tutte le info necessarie :
http://www.electroyou.it/elettrodomus/wiki/fidocadj-per-tonni.

Le espressioni matematiche vanno scritte con LaTeX. Qui un editor in cui scrivere le formule che ti servono che devi poi ricopiare nel riquadro dove scrivi il post, selezionarle e cliccare sul pulsantino tex posto nella barra in alto :
http://www.codecogs.com/latex/eqneditor.php.

In generale le immagini non vanno postate tramite server esterni ma servendosi delle funzioni Invia allegato ed Inserisci in linea con il testo, dopo essere state opportunamente ridimensionate (in un senso e nell'altro).

Infine è sempre buona norma cominciare ad esporre un proprio procedimento personale, anche se incompleto o sbagliato.

Per questa volta, dato che è la prima, come hai potuto vedere, ti ho modificato il post e riscritto in maniera ordinata e pulita disegno e dati oltre che la traccia.

Ora tocca a te esprimere anche un minimo di procedimento e dire dove ti sei fermato ed esprimere le tue difficoltà come ti ho suggerito prima, in modo tale da poter aiutare chi vuole darti una mano.

Buona prosecuzione.
Avatar utente
Foto Utenteasdf
25,3k 8 11 13
Master EY
Master EY
 
Messaggi: 4762
Iscritto il: 11 apr 2010, 9:19

0
voti

[3] Re: Esercizio Elettrotecnica

Messaggioda Foto Utentepanciotto » 3 giu 2012, 12:24

ok, ringrazio asdf per le informazioni e l'aiuto dato

allora per quanto riguarda la pulsazione di risonanza di ingresso sono in grado di svolgere un esercizio con un risonatore rlc in serie e in parallelo, ma non so come si svolga in un caso come questo in cui esistano parti in parallelo ma anche, in questo caso, un resistore e un induttore in serie

inoltre mi trovo totalmente impreparato sulla terza richiesta, il diagramma qualitativo, in quanto non presente nel libro di testo che utilizzo

grazie a tutti!
Avatar utente
Foto Utentepanciotto
8 3
 
Messaggi: 29
Iscritto il: 2 giu 2012, 12:07

0
voti

[4] Re: Esercizio Elettrotecnica

Messaggioda Foto UtenteLele_u_biddrazzu » 3 giu 2012, 12:30

Sei in grado di ricavare l'impedenza d'ingresso del circuito che hai postato?
Emanuele Lorina

- Chi lotta contro i mostri deve fare attenzione a non diventare lui stesso un mostro. E se tu riguarderai a lungo in un abisso, anche l'abisso vorrà guardare dentro di te (F. Nietzsche)
- Tavole della legge by admin
Avatar utente
Foto UtenteLele_u_biddrazzu
8.154 3 8 13
Master EY
Master EY
 
Messaggi: 1288
Iscritto il: 23 gen 2007, 16:13
Località: Modena

0
voti

[5] Re: Esercizio Elettrotecnica

Messaggioda Foto Utentepanciotto » 3 giu 2012, 13:08

credo di si, allora so calcolare l'impedenza dei singoli componenti, dopo di che posso sommare l'impedenza dei componenti in serie, quindi utilizzare la regola dei componenti in parallelo che vuole l'impedenza equivalente ugualle al prodotto dei bipoli fratto la loro somma per avere l'impedenza del circuito, il procedimento così è esatto?
Avatar utente
Foto Utentepanciotto
8 3
 
Messaggi: 29
Iscritto il: 2 giu 2012, 12:07

0
voti

[6] Re: Esercizio Elettrotecnica

Messaggioda Foto Utentelillo » 3 giu 2012, 13:13

scrivi con Latex (se clicchi su Io nella firma c'è l'editor) la formula, è molto più semplice che interpretare le parole.
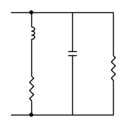
Inoltre dovresti ridisegnare lo schema per indicarne sullo stesso i nomi dei vari bipoli.
Avatar utente
Foto Utentelillo
20,5k 7 12 13
G.Master EY
G.Master EY
 
Messaggi: 4172
Iscritto il: 25 nov 2010, 11:30
Località: Nuovo Mondo

0
voti

[7] Re: Esercizio Elettrotecnica

Messaggioda Foto Utentepanciotto » 3 giu 2012, 13:29

\[z resistore = R
\]

\[z induttore = JwL\]

\[z condensatore = -J/wC\]


\[z parallelo =(z1*z2)/(z1+z2)
\]

\[z seriale = z1+z2
\]


ok così dovrebbe essere ben visibile, usando queste formule dovrei poter ricavare l'impedenza del circuito esatto?
Avatar utente
Foto Utentepanciotto
8 3
 
Messaggi: 29
Iscritto il: 2 giu 2012, 12:07

2
voti

[8] Re: Esercizio Elettrotecnica

Messaggioda Foto UtenteLele_u_biddrazzu » 3 giu 2012, 16:09

Lo schema del circuito dovrebbe essere il seguente....



l'ammettenza d'ingresso \dot Y_{\text{in}} risulta così esprimibile...

\dot{Y}_{\text{in}}=\frac{1}{R_{C}}+\text{j}\omega C+\frac{R_L-\text{j}\omega L}{R_L^{2}+\left(\omega L\right)^{2}}

A questo punto dovresti determinare il valore di pulsazione \omega per il quale \text{Im}\left(\dot{Y}_{\text{in}}\right)=0... continua tu adesso...
Emanuele Lorina

- Chi lotta contro i mostri deve fare attenzione a non diventare lui stesso un mostro. E se tu riguarderai a lungo in un abisso, anche l'abisso vorrà guardare dentro di te (F. Nietzsche)
- Tavole della legge by admin
Avatar utente
Foto UtenteLele_u_biddrazzu
8.154 3 8 13
Master EY
Master EY
 
Messaggi: 1288
Iscritto il: 23 gen 2007, 16:13
Località: Modena

0
voti

[9] Re: Esercizio Elettrotecnica

Messaggioda Foto Utentepanciotto » 5 giu 2012, 10:50

ringrazio moltissimo, ho da porre ancora alcune domande:

l'unità di misura della pulsazione \[w\] è l'hertz?

qualcuno può spiegarmi cosa è un diagramma qualitativo?

mi rendo conto della banalita delle domande, ma grazie a chiunque risponde!
Avatar utente
Foto Utentepanciotto
8 3
 
Messaggi: 29
Iscritto il: 2 giu 2012, 12:07

1
voti

[10] Re: Esercizio Elettrotecnica

Messaggioda Foto UtenteLele_u_biddrazzu » 5 giu 2012, 11:21

La pulsazione si esprime in rad/s, un diagramma qualitativo dovrebbe essere una rappresentazione grafica "di massima" di una data funzione.
Emanuele Lorina

- Chi lotta contro i mostri deve fare attenzione a non diventare lui stesso un mostro. E se tu riguarderai a lungo in un abisso, anche l'abisso vorrà guardare dentro di te (F. Nietzsche)
- Tavole della legge by admin
Avatar utente
Foto UtenteLele_u_biddrazzu
8.154 3 8 13
Master EY
Master EY
 
Messaggi: 1288
Iscritto il: 23 gen 2007, 16:13
Località: Modena

Prossimo

Torna a Elettrotecnica generale

Chi c’è in linea

Visitano il forum: Nessuno e 14 ospiti