Fare girare al contrario il motore
Moderatori:
SandroCalligaro,
mario_maggi,
fpalone
22 messaggi
• Pagina 2 di 3 • 1, 2, 3
2
voti
Gli schemi poi, nel limite del possibile, si fanno bene:
- si rispetta il senso della proporzione tra i simboli;
- la siglatura;
- si evitano incroci tra le linee eccessivi, che ne confondono la leggibilità. (Come per lo scrivere una frase);
- si rispetta il CAD usando appropriatamente le linee corrette ed i simboli
- ...
- si rispetta il senso della proporzione tra i simboli;
- la siglatura;
- si evitano incroci tra le linee eccessivi, che ne confondono la leggibilità. (Come per lo scrivere una frase);
- si rispetta il CAD usando appropriatamente le linee corrette ed i simboli
- ...
-

Candy
32,5k 7 10 13 - CRU - Account cancellato su Richiesta utente
- Messaggi: 10123
- Iscritto il: 14 giu 2010, 22:54
0
voti
non riesco a capire
Alle volte succede, ma non è il tuo caso. Tu sei pigro, invece di ricavare uno schema hai dapprima fatto un corto, poi interpellato il forum. Tra qualche tempo dovrai iniziare a lavorare. Farai molta fatica ad inseriti.
-

Candy
32,5k 7 10 13 - CRU - Account cancellato su Richiesta utente
- Messaggi: 10123
- Iscritto il: 14 giu 2010, 22:54
1
voti
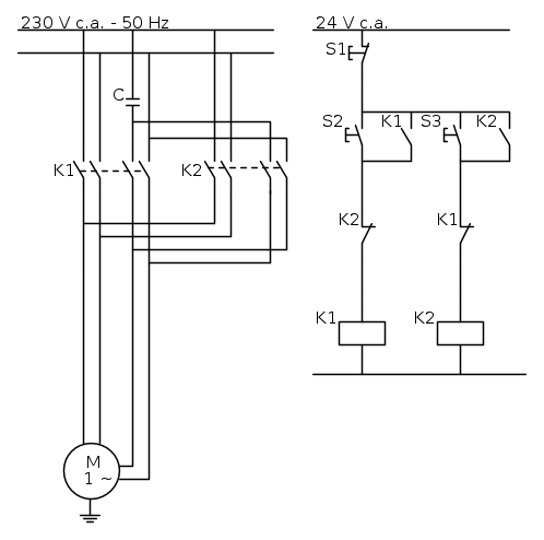
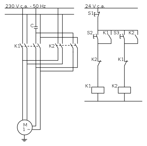
milan1996pato2 ha scritto:Salve a tutti , mi è stato suggerito daCandy di aprire un nuovo argomento siccome l'altro è stato bloccato e mi è stato suggerito di essere più chiaro. Come sapete già c'è questo motore che voglio fare girare al contrario . Era di un montacarichi che aveva un'invertitore di marcia come questo ....Mi sapreste dire se questi schemi sono giusti ? Lasciamo perdere la parte meccanica pensiamo solo alla parte didattica . Mi sapreste dare una mano ?
ho bloccato il topic montacarichi per aver ravvisato possibili rischi operando sulle modifiche richieste, rischi per la tipologia di macchina e la presenza di tensione di rete trifase, nonchè per l'inesperienza che
milan1996pato2 ha scritto:ho un vecchio montacarichi che ha l'invertitore di marcia , mi è stato chiesto di toglierlo e di mettere una pulsantiera .
eseguire modifiche e/o interventi su un montacarichi, non è cosa semplice e consigliabile, fra l'altro si sta apportando una modifica ad un dispositivo che risponde a precise specifiche costruttive e di sicurezza, che le specifiche normative indicano a tutela di chi opera con simili macchine, come la legge prescrive.
mentre duplicare un topic con un argomento già trattato non è cosa gradita nel forum, e scorretta se il topic è stato bloccato.
mir
4
voti
Tu sei pigro, invece di ricavare uno schema hai dapprima fatto un corto, poi interpellato il forum.
Milan avresti dovuto realizzare tu questo schema con i dati. Fai sapere la resistenza che trovi tra il morsetto 7 che penso sia il blu con il marrone e il nero 4 e 5, e naturalmente tra il 4 e il 5. Devi misurare in uscita dal motore, considera che ci sono i finecorsa, e che qualche finecorsa sia aperto, quindi misura i fili d’uscita dal motore. Inoltre individua i fili del freno, e del condensatore, (secondo me il cond. è collegato col nero e marrone. Fai sapere.
-

StefanoSunda
2.880 3 6 10 - Master

- Messaggi: 1962
- Iscritto il: 16 set 2010, 19:29
0
voti
ma il primo schema che hai fatto fa cortocircuito
-

milan1996pato2
851 3 10 13 - Sostenitore

- Messaggi: 1062
- Iscritto il: 4 ago 2011, 17:42
-1
voti
mi sono sbagliato , non fa corto , comunque il filo marrone va al freno
-

milan1996pato2
851 3 10 13 - Sostenitore

- Messaggi: 1062
- Iscritto il: 4 ago 2011, 17:42
2
voti
milan1996pato2 ha scritto:mi sono sbagliato , non fa corto , comunque il filo marrone va al freno
Buona notte! Senza dati non si va avanti...

-

StefanoSunda
2.880 3 6 10 - Master

- Messaggi: 1962
- Iscritto il: 16 set 2010, 19:29
0
voti
scusate se ve lo dico in ritardo ma questo montacarichi non ha finecorsa,il condensatore è collegato al morsetto U e al morsetto Z cioè ai morsetti del BLU e della TERRA
Ultima modifica di
milan1996pato2 il 6 giu 2012, 19:03, modificato 1 volta in totale.
-

milan1996pato2
851 3 10 13 - Sostenitore

- Messaggi: 1062
- Iscritto il: 4 ago 2011, 17:42
0
voti
Ciao Milan, guarda bene, hai sbagliato i ponticelli nel primo post di questo argomento, secondo me i contatti 1 e 2 non sono ponticellati o comunque i ponticelli non sono come li hai disegnati
22 messaggi
• Pagina 2 di 3 • 1, 2, 3
Chi c’è in linea
Visitano il forum: Nessuno e 20 ospiti

Elettrotecnica e non solo (admin)
Un gatto tra gli elettroni (IsidoroKZ)
Esperienza e simulazioni (g.schgor)
Moleskine di un idraulico (RenzoDF)
Il Blog di ElectroYou (webmaster)
Idee microcontrollate (TardoFreak)
PICcoli grandi PICMicro (Paolino)
Il blog elettrico di carloc (carloc)
DirtEYblooog (dirtydeeds)
Di tutto... un po' (jordan20)
AK47 (lillo)
Esperienze elettroniche (marco438)
Telecomunicazioni musicali (clavicordo)
Automazione ed Elettronica (gustavo)
Direttive per la sicurezza (ErnestoCappelletti)
EYnfo dall'Alaska (mir)
Apriamo il quadro! (attilio)
H7-25 (asdf)
Passione Elettrica (massimob)
Elettroni a spasso (guidob)
Bloguerra (guerra)




