Vorrei sottoporvi il seguente problema che sto cercando di risolvere, magari riuscite a darmi una mano:
L'ho chiamato schema ad anello, ma non so in realtà se ha un nome preciso e come si chiama questo tipo di collegamento
Dunque,
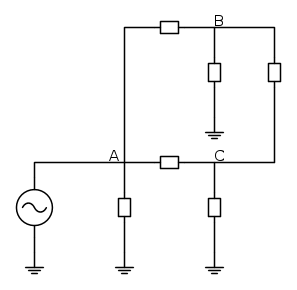
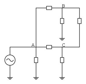
ci sono 3 capannoni A, B e C, distanziati 180 m gli uni dagli altri, che consumano rispettivamente Pa=195 kW, Pb=95 kW e PC=75 kW
Supponendo che l'alimentazione si trovi nel capannone A, e che la tensione concatenata al secondario sia di 400 V, bisogna dimensionare i cavi AB, AC e BC usando la seguente tabella:
Si noti inoltre che le cadute di potenziale sui cavi devono essere
(ovvero al massimo il 4% di Va)Inoltre si calcoli come cambierebbe la situazione se non si usasse il cavo BC
(Il testo dell'esercizio non è realmente questo, io l'ho modificato e cercato di semplificarlo)
Negli allegati ho messo delle immagini che spiegano come ho cercato di proseguire io:
1) Ho schematizzato l'impianto trifase con il suo equivalente monofase, ipotizzando carichi equilibrati
2) Eh... vorrei tanto ci fosse un 2, oltre l'1 non riesco ad andare :\
Il problema fondamentalmente è che non riesco a calcolare le correnti passanti per i carichi e le tensioni ai capi dei carichi.
Magari è un esercizietto facile facile per voi, ma io non so più che altro provare.
Vi ringrazio se avete letto fin qui :)
(Ah questo è il mio primo post, anche se sono iscritto da parecchio tempo ho sempre letto i vostri articoli che ho trovato molto interessanti, mi complimento con tutti e vi auguro di mantenere il buon ritmo, contribuirei anch'io ma non sono alla vostra altezza

Elettrotecnica e non solo (admin)
Un gatto tra gli elettroni (IsidoroKZ)
Esperienza e simulazioni (g.schgor)
Moleskine di un idraulico (RenzoDF)
Il Blog di ElectroYou (webmaster)
Idee microcontrollate (TardoFreak)
PICcoli grandi PICMicro (Paolino)
Il blog elettrico di carloc (carloc)
DirtEYblooog (dirtydeeds)
Di tutto... un po' (jordan20)
AK47 (lillo)
Esperienze elettroniche (marco438)
Telecomunicazioni musicali (clavicordo)
Automazione ed Elettronica (gustavo)
Direttive per la sicurezza (ErnestoCappelletti)
EYnfo dall'Alaska (mir)
Apriamo il quadro! (attilio)
H7-25 (asdf)
Passione Elettrica (massimob)
Elettroni a spasso (guidob)
Bloguerra (guerra)




allora vuol dire che nel caso ideale (
, il cavo non ha impedenza, mentre nel caso peggiore (
), il cavo deve avere un'impedenza finita.
, allora:
quindi 
(caso peggiore)
quindi 
(a cui corrisponde la portata di 192 A)
(R=r*180 e X=x*180)
===>
===> 
===>
===> 


