Cos'è ElectroYou | Login Iscriviti

ElectroYou - la comunità dei professionisti del mondo elettrico

Simulazione Buck

Elettronica lineare e digitale: didattica ed applicazioni

Moderatori: Foto Utentecarloc, Foto Utenteg.schgor, Foto UtenteBrunoValente, Foto UtenteIsidoroKZ

0
voti

[1] Simulazione Buck

Messaggioda Foto Utenteidogialc » 20 giu 2012, 17:52

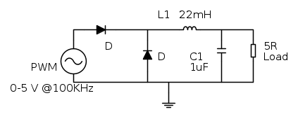
Per un esame universitario devo simulare un convertitore DC-DC buck in tutte le sue "modalità" di fuzionamento. Ho letto la guida presente su questo sito e l'ho trovata molto esaustiva per quanto riguarda la parte del funzionamendo CCM. Sono riuscito senza problemi a dimensionare i vari componenti ottendendo questo circuito



Avendo gia lavorato ad un filtro buck e avendolo realizzato fisicamente ho utilizzato gli stessi valori per la resistenza di carico e per i dati del PWM. Il generatore di PWM è quindi un'onda quadra tra 0 e 5 volt con frequenza pari a 100KHz. Ipotizzando un valore di ripple pari a 2mV per la tensione e 2mA per la corrente, ho estratto i valori di induttanza e capacità, arrotondandoli poi a valori commerciali. Fino a qui nessun problema. Il filtro funziona alla perfezione.

Al fine di passare l'esame è richiesta anche la simulazione delle "zona di confine" tra CCM e DCM e il comportamento del filtro in DCM. Leggendo varie guide e libri ho appurato che si arriva a lavorare in zona discontinua quando la corrente sull'induttore scende al di sotto di un valore limite, facendo si che l'induttore stesso si scarichi prima che arrivi il fronte di salita consentendogli di ricaricarsi. Applicando le varie formule, lasciando invariato carico e duty cicle, ho trovato che il valore limite di induttanza che pporta poi il filtro a lavorare in DCM è intorno a 12uH. Sostituendo e simulando avrei dovuto aspettarmi qualcosa del genere

Immagine

ottengo invece

Immagine

Teoricamente dovrebbe essere impossibile avere una corrente negativa. Quasi siucuramente ho sbagliato qualcosa nella simulazione (spero che il dimensionamento sia giusto!) ma non riesco a capire cosa. Qualcuno mi darebbe una mano?
Avatar utente
Foto Utenteidogialc
20 4
Disattivato su sua richiesta
 
Messaggi: 73
Iscritto il: 9 apr 2011, 21:14

2
voti

[2] Re: Simulazione Buck

Messaggioda Foto UtenteEnChamade » 20 giu 2012, 20:06

Piacerebbe a molti aiutarti ma non c'è l'immagine esplicativa...
Inoltre devi essere più specifico su quali modelli di simulazione addotti e chiarire la netlist utilizzata nella simulazione. Solo così puoi sperare che qualcuno ti possa aiutare.

P.S.:Quello in figura non è proprio un buck. Da ricordi lontani mi pareva che ci fosse anche un interruttore da qualche parte, giusto per dare al circuito quella bella proprietà di tempo-varianza... Quello disegnato mi pare più un filtro LC con l'opzione di bruciatura del diodo. Di fatto, scherzosamente, ti sto dicendo di imparare a disegnare gli schemi giusti: se stai analizzando lo schema medio è un discorso ma dato che mi sembra che tu voglia invece verificare il funzionamento nel dominio del tempo, ti inviterei a considerare di ridisegnare lo schema in modo corretto.
Avatar utente
Foto UtenteEnChamade
6.498 2 8 12
G.Master EY
G.Master EY
 
Messaggi: 588
Iscritto il: 18 giu 2009, 12:00
Località: Padova - Feltre

0
voti

[3] Re: Simulazione Buck

Messaggioda Foto Utenteidogialc » 20 giu 2012, 20:27

Si credo di capire un po come si sente chi legge, cioè come mi sento io a dover realizzare qualcosa di astratto. Ho dovuto realizzare dei buck per un altro esame e ho usato un BJT pnp come interruttore. Il prof di questa materia vuole una simulazione con componenti ideali quindi non ho idea di come trovare un interruttore ideale su spice. Ho provato quindi a mettere direttamente un generatore di onde quadre. Molto probabilmente è proprio qui il problema. Solo non riesco a vedere una possibile soluzione
Avatar utente
Foto Utenteidogialc
20 4
Disattivato su sua richiesta
 
Messaggi: 73
Iscritto il: 9 apr 2011, 21:14

3
voti

[4] Re: Simulazione Buck

Messaggioda Foto UtenteIsidoroKZ » 20 giu 2012, 20:44

Se metti un generatore ad onda quadra il circuito non andra` mai in discontinuo. Devi mettere un interruttore (toh, mi ricordavo anch'io come Foto UtenteEnChamade!) o per lo meno un diodo.

La corrente "critica" di confine fra CCM e DCM di solito e` una frazione non infinitesima della corrente massima, ad esempio fra il 5% e il 20% della corrente massima. Se metti come corrente critica (e corrente di ripple) 2 mA ti viene una induttanza enorme.

Anyway se vuoi usare un generatore ad onda quadra e vedere il discontinuo usa un circuito come questo (proprio brutto peraltro!)



In che ateneo, facolta`, corso di laurea e corso sei? Che libro di testo usate?
Per usare proficuamente un simulatore, bisogna sapere molta più elettronica di lui
Plug it in - it works better!
Il 555 sta all'elettronica come Arduino all'informatica! (entrambi loro malgrado)
Se volete risposte rispondete a tutte le mie domande
Avatar utente
Foto UtenteIsidoroKZ
121,2k 1 3 8
G.Master EY
G.Master EY
 
Messaggi: 21059
Iscritto il: 17 ott 2009, 0:00

0
voti

[5] Re: Simulazione Buck

Messaggioda Foto Utenteidogialc » 20 giu 2012, 21:00

Ho trovato la soluzione in rete. http://www.engr.colostate.edu/ECE562/EE ... _OrCAD.pdf qui l'interruttore ideale viene schematizzato con uno switch pilotato in tensione. Mi sono reso conto di aver scritto una boiata. Nell'ultima stesura della simulazione il ripple della corrente era circa 22uA. Da li poi il valore di induttanza critico intorno ai 12uH. Inserendo quella schematizzazione di interruttore nel progetto funziona alla perfezione. Grazie a tutti dei suggerimenti e scusate se magari ho fatto perdere tempo a qualcuno.

@isidoro
Ingegneria dell'automazione all'Unical. Testo consigliato "Elettronica di potenza" di Mohan. A tal proposito, se qualcuno mi saprebbe consigliare un libro un po più approfondito sui convertitori dc-dc gliene sarei grato
Avatar utente
Foto Utenteidogialc
20 4
Disattivato su sua richiesta
 
Messaggi: 73
Iscritto il: 9 apr 2011, 21:14

2
voti

[6] Re: Simulazione Buck

Messaggioda Foto UtenteIsidoroKZ » 20 giu 2012, 21:50

Se vuoi un libro con solide basi teoriche e sistematiche, Erickson Maksimovich dovrebbe essere Fundamentals of Power Electronics. Sul sito degli autori si trovano le slide danno una buona idea di come e` fatto il libro. Un po' meno teorico, ma sempre di ottima impostazione sistematica e` Ang, Power Switching Converters. Invece sempre ottimo ma di indirizzo piu` pratico e` il Pressman Billings, Switching Power Supply Design.
Per usare proficuamente un simulatore, bisogna sapere molta più elettronica di lui
Plug it in - it works better!
Il 555 sta all'elettronica come Arduino all'informatica! (entrambi loro malgrado)
Se volete risposte rispondete a tutte le mie domande
Avatar utente
Foto UtenteIsidoroKZ
121,2k 1 3 8
G.Master EY
G.Master EY
 
Messaggi: 21059
Iscritto il: 17 ott 2009, 0:00


Torna a Elettronica generale

Chi c’è in linea

Visitano il forum: Nessuno e 206 ospiti