Cos'è ElectroYou | Login Iscriviti

ElectroYou - la comunità dei professionisti del mondo elettrico

Tanti piccoli dubbi su vari grandi argomenti.

Elettronica lineare e digitale: didattica ed applicazioni

Moderatori: Foto Utentecarloc, Foto Utenteg.schgor, Foto UtenteBrunoValente, Foto UtenteIsidoroKZ

0
voti

[1] Tanti piccoli dubbi su vari grandi argomenti.

Messaggioda Foto Utentealexlovesusa » 24 giu 2012, 18:30

Salve ragazzi! Ho finito di dare una prima lettura-studiata alle dispense di elettronica. Adesso sono ritornato all'inizio e mi sto studiando tutto per bene cercando di chiarire anche tutti i dubbi lasciati in sospeso. Gli esami si avvicinano e ho bisogno del vostro aiuto su un bel po di cose. Spero tanto possiate aiutarmi :ok:
Ho pensato di fare una domanda alla volta e chiarire un dubbio alla volta, in questo modo viene a tutti più chiaro e semplice ;-)

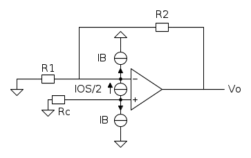
-Il primo dubbio riguarda le correnti di polarizzazione in ingresso di un amp op. Non ho capito il perché della presenza di queste correnti. Sulla dispensa c'è scritto che i terminali d'ingresso hanno bisogno di essere alimentati e raffigura l'amp op con due gen di corrente, uno per l'ingresso invertente e uno per l'altro. perché si devono alimentare i terminali? In tutta la trattazione degli amplificatori sono stati trascurati i terminali di alimentazione di tensione +Vcc e -Vcc. C'entrano qualcosa loro con queste correnti?
Alla fine c'è scritto che se si vuole ovviare a questo inconveniente, bisogna mettere in ingresso al non invertente una resistenza di compensazione pari al parallelo tra R1 e R2. perché? Sulle dispense non viene fatto nessun calcolo a proposito. Cosa cambia inserendo tale resistenza??
Ecco gli schemi dell'amp op con correnti di polarizzazione:
Immagine
Avatar utente
Foto Utentealexlovesusa
-21 6
Frequentatore
Frequentatore
 
Messaggi: 159
Iscritto il: 27 set 2010, 18:12

4
voti

[2] Re: Tanti piccoli dubbi su vari grandi argomenti.

Messaggioda Foto UtenteDirtyDeeds » 24 giu 2012, 19:54

Schemi in FidocadJ, please.

alexlovesusa ha scritto:Il primo dubbio riguarda le correnti di polarizzazione in ingresso di un amp op. Non ho capito il perché della presenza di queste correnti.


Perché gli opamp sono circuiti contenenti BJT, jfet o mosfet e gli ingressi di un opamp sono in genere connessi alle basi di due BJT o ai gate di due fet. Nel primo caso le correnti di polarizzazione dell'opamp coincideranno con le correnti di base dei BJT, nel secondo con le correnti di gate dei fet.

alexlovesusa ha scritto:ulla dispensa c'è scritto che i terminali d'ingresso hanno bisogno di essere alimentati e raffigura l'amp op con due gen di corrente, uno per l'ingresso invertente e uno per l'altro.


Poiché gli ingressi assorbono una corrente si modella questo assorbimento aggiungendo in parallelo agli ingressi di un opamp ideale due generatori di corrente:



In realtà, poi, si preferisce scrivere le due correnti di polarizzazione, che non sono generalmente uguali a causa della dissimmetria degli stadi di ingresso, come la somma di una corrente di modo comune e una di modo differenziale:

I_\text{Bp} = I_\text{B}+\frac{I_\text{OS}}{2}

I_\text{Bn} = I_\text{B}-\frac{I_\text{OS}}{2}

Così facendo si ottiene il circuito equivalente:



alexlovesusa ha scritto:Alla fine c'è scritto che se si vuole ovviare a questo inconveniente, bisogna mettere in ingresso al non invertente una resistenza di compensazione pari al parallelo tra R1 e R2. perché? Sulle dispense non viene fatto nessun calcolo a proposito. Cosa cambia inserendo tale resistenza??


L'effetto di quelle correnti di polarizzazione è quello di generare un offset, che si va ad aggiungere all'offset di tensione. Ciò significa che in assenza di segnale di ingresso, in uscita si ha una tensione che vale (per ispezione del circuito sopra):

V_\text{O} = \left(1+\frac{R_2}{R_1}\right)\left[-\left(I_\text{B}+\frac{I_\text{OS}}{2}\right)R_\text{C}\right]+R_2\left(I_\text{B}-\frac{I_\text{OS}}{2}\right)

da cui

V_\text{O} = \left(1+\frac{R_2}{R_1}\right)\left[(R_1\,||\,R_2-R_\text{C})I_\text{B}-\frac{I_\text{OS}}{2}(R_\text{C}+R_1\,||\,R_2)\right]

Scegliendo R_\text{C} = R_1\,||\,R_2 si ottiene

V_\text{O} = -\left(1+\frac{R_2}{R_1}\right)(R_1\,||\,R_2)I_\text{OS}

Se |I_\text{OS}|\ll |I_\text{B}| si ha una minimizzazione dell'offset in uscita. Negli opamp moderni, però, per varie ragioni, I_\text{OS} è tipicamente dello stesso ordine di grandezza della I_\text{B} e quella resistenza è meglio non metterla (costa, occupa spazio, fa rumore e non si ha un gran vantaggio).
It's a sin to write sin instead of \sin (Anonimo).
...'cos you know that cos ain't \cos, right?
You won't get a sexy tan if you write tan in lieu of \tan.
Take a log for a fireplace, but don't take log for \logarithm.
Avatar utente
Foto UtenteDirtyDeeds
55,9k 7 11 13
G.Master EY
G.Master EY
 
Messaggi: 7012
Iscritto il: 13 apr 2010, 16:13
Località: Somewhere in nowhere

0
voti

[3] Re: Tanti piccoli dubbi su vari grandi argomenti.

Messaggioda Foto Utentealexlovesusa » 26 giu 2012, 16:28

Grazie mille per le risposte dettagliate, anche se devo dire che non ho capito cosa sia il modo comune e quello differenziale, da dove spunta I_{OS} e quelle due formule e non mi è molto chiaro il calcolo che si fa per la tensione di uscita. Io sono riuscito a farlo in un modo differente che mi è venuto più semplice. Non so se ho fatto bene, ovvero:
Immagine
La tensione all'ingresso non invertente è v_+=-I_{B2}R3. Essendo i due ingressi dell'amp op connessi dal cortocircuito virtuale, possiamo affermare che si trovano alla stessa tensione, quindi anche la tensione ai capi dell'ingresso invertente sarà v_-=I_{B2}R3 ma cambiata di segno. La corrente che scorre in R1 sarà quindi \frac{I_{B2}R3}{R1}. A questo punto nel nodo invertente la corrente si divide e, in particolare, la corrente che scorre sulla resistenza R2 è pari a I_{B1} - \frac{I_{B2}R3}{R1}. La tensione di uscita vo sarà pertanto pari a R2*(I_{B1} - \frac{I_{B2}R3}{R1}).
Se ammettiamo che le correnti di polarizzazione siano uguali, ovvero I_{B1}=I_{B2}=I_{B} e poniamo V_o=0, ci accorgiamo che ciò è possibile solo scegliendo il valore della resistenza R3=R1//R2.

Non so se il mio ragionamento è corretto, ma mi sembra molto più semplice di quello ch emi è stato spiegato. L'unica cosa che mi lascia perplesso è che essendo presente la corrente IB1 che scorre all'interno del terminale invertente, c'è ancora il cortocircuito virtuale tra i due ingressi?

La seconda domanda da porvi è nata oggi mentre stavo studiando la fisica dei semiconduttori e i diodi a giunzione p-n. La domanda è: cosa rappresenta di preciso il livello di Fermi?
Sulla dispensa c'è scritto che è quel livello in cui vi è la probabilità del 50% di trovarvi una carica e questa carica non è stanziata li, ma è una carica che sta transitando dalla banda di valenza a quella di conduzione.
Io ho afferrato il concetto e ho capito anche cosa succede quando si polarizza direttamente e inversamente la giunzione p-n, ma non ho capito il perché la funzione di Fermi, che all'inizio è la mezzeria tra il livello di valenza e quello di conduzione, diventa una regione più ampia nel primo caso e poi si spezza nel secondo.
Infine, da dove deriva la formula della corrente di un diodo generico:
I=I_S*\left(e^{\left(\frac{V}{{\eta}V_T}\right)} -1\right) per polarizzazione diretta
Cosa rappresenta questa I_S detta corrente inversa di polarizzazione?? perché viene sia moltiplicata che sottratta?

P.S. Scusa tanto per lo schema in paint, ma in questi giorni non ho avuto modo di installare FIdocadJ, poiché non sto usando il mio computer. Provvederò al più presto XD.
Ultima modifica di Foto Utentealexlovesusa il 26 giu 2012, 16:42, modificato 7 volte in totale.
Avatar utente
Foto Utentealexlovesusa
-21 6
Frequentatore
Frequentatore
 
Messaggi: 159
Iscritto il: 27 set 2010, 18:12

1
voti

[4] Re: Tanti piccoli dubbi su vari grandi argomenti.

Messaggioda Foto UtenteDirtyDeeds » 26 giu 2012, 16:29

Foto Utentealexlovesusa, come ti ho già detto se vuoi le risposte, disegni in FidocadJ :!: Te li ho già fatti io, devi solo modificarli. Altrimenti chiudo qui :!:
It's a sin to write sin instead of \sin (Anonimo).
...'cos you know that cos ain't \cos, right?
You won't get a sexy tan if you write tan in lieu of \tan.
Take a log for a fireplace, but don't take log for \logarithm.
Avatar utente
Foto UtenteDirtyDeeds
55,9k 7 11 13
G.Master EY
G.Master EY
 
Messaggi: 7012
Iscritto il: 13 apr 2010, 16:13
Località: Somewhere in nowhere

1
voti

[5] Re: Tanti piccoli dubbi su vari grandi argomenti.

Messaggioda Foto UtenteIsidoroKZ » 26 giu 2012, 16:31

Schemi in Fidocadj! (e due!). E anche latex potrebbe essere migliorato, ad esempio I_{B1} per fare il pedice e non usare l'asterisco per la moltiplicazione. Puoi non usare nulla, oppure, extrema ratio, \cdot.
Per usare proficuamente un simulatore, bisogna sapere molta più elettronica di lui
Plug it in - it works better!
Il 555 sta all'elettronica come Arduino all'informatica! (entrambi loro malgrado)
Se volete risposte rispondete a tutte le mie domande
Avatar utente
Foto UtenteIsidoroKZ
121,2k 1 3 8
G.Master EY
G.Master EY
 
Messaggi: 21059
Iscritto il: 17 ott 2009, 0:00

0
voti

[6] Re: Tanti piccoli dubbi su vari grandi argomenti.

Messaggioda Foto Utentealexlovesusa » 26 giu 2012, 16:38

Per quanto riguarda LaTex lo posso aggiustare ora, ma per quanto riguarda gli schemi non posso farli in FIdocadJ adesso. Come ho scritto sopra, il computer non è mio e non mi permetto di installare niente.
Avatar utente
Foto Utentealexlovesusa
-21 6
Frequentatore
Frequentatore
 
Messaggi: 159
Iscritto il: 27 set 2010, 18:12

2
voti

[7] Re: Tanti piccoli dubbi su vari grandi argomenti.

Messaggioda Foto UtenteIsidoroKZ » 26 giu 2012, 16:40

Il bello di FIdocadj e` che non si deve installare. E` un unico file jar, lo si mette ad esempio suol desktop, doppio click sopra e quello esegue. Finito si cancella il file e il computer quel file manco lo ha visto, non lascia traccia del suo passaggio nei registri.
Per usare proficuamente un simulatore, bisogna sapere molta più elettronica di lui
Plug it in - it works better!
Il 555 sta all'elettronica come Arduino all'informatica! (entrambi loro malgrado)
Se volete risposte rispondete a tutte le mie domande
Avatar utente
Foto UtenteIsidoroKZ
121,2k 1 3 8
G.Master EY
G.Master EY
 
Messaggi: 21059
Iscritto il: 17 ott 2009, 0:00

0
voti

[8] Re: Tanti piccoli dubbi su vari grandi argomenti.

Messaggioda Foto Utentealexlovesusa » 26 giu 2012, 16:43

Ok, adesso lo scarico. Comunque se per una volta rispondete guardando quello schema non casca il mondo. Siate un po più flessibili ogni tanto... ( capisco che lo fate per rendere il forum perfetto!! ;-)
Avatar utente
Foto Utentealexlovesusa
-21 6
Frequentatore
Frequentatore
 
Messaggi: 159
Iscritto il: 27 set 2010, 18:12

2
voti

[9] Re: Tanti piccoli dubbi su vari grandi argomenti.

Messaggioda Foto UtenteDirtyDeeds » 26 giu 2012, 16:54

alexlovesusa ha scritto:Comunque se per una volta rispondete guardando quello schema non casca il mondo.


In [2], ti ho risposto senza che tu facessi lo schema in FidocadJ: se lo avessi fatto tu, io avrei risparmiato tempo (e siccome sei tu che chiedi e io che rispondo, sai com'è...).

alexlovesusa ha scritto:capisco che lo fate per rendere il forum perfetto!


No, non è solo quello: è anche per risparmiare tempo, e se risparmiamo tempo, ci viene più voglia di rispondere e possiamo anche rispondere a più persone. Se io, per spiegarti qualcosa, ho bisogno di indicare qualcosa su uno schema, prendo il tuo schema e lo modifico, senza doverlo fare da zero.

Insomma, quando si pongono delle domande è bene, per buona educazione, cercare di rendere la vita più semplice a chi si offre di rispondere.
It's a sin to write sin instead of \sin (Anonimo).
...'cos you know that cos ain't \cos, right?
You won't get a sexy tan if you write tan in lieu of \tan.
Take a log for a fireplace, but don't take log for \logarithm.
Avatar utente
Foto UtenteDirtyDeeds
55,9k 7 11 13
G.Master EY
G.Master EY
 
Messaggi: 7012
Iscritto il: 13 apr 2010, 16:13
Località: Somewhere in nowhere

3
voti

[10] Re: Tanti piccoli dubbi su vari grandi argomenti.

Messaggioda Foto UtenteIsidoroKZ » 26 giu 2012, 17:06

E aggiungo che, dal mio punto di vista, il mio tempo e` enormemente piu` prezioso del tuo :-). E` vero che la situazione potrebbe essere simmetrica, ma la simmetria e` rotta dal verso di percorrenza delle informazioni (maledetta entropia sempre fra i piedi): tu fai le domande e qualcun altro risponde.
Per usare proficuamente un simulatore, bisogna sapere molta più elettronica di lui
Plug it in - it works better!
Il 555 sta all'elettronica come Arduino all'informatica! (entrambi loro malgrado)
Se volete risposte rispondete a tutte le mie domande
Avatar utente
Foto UtenteIsidoroKZ
121,2k 1 3 8
G.Master EY
G.Master EY
 
Messaggi: 21059
Iscritto il: 17 ott 2009, 0:00

Prossimo

Torna a Elettronica generale

Chi c’è in linea

Visitano il forum: Nessuno e 143 ospiti