.P.S. @IsidoroKZ: Non credo che il tempo di qualcuno possa essere più prezioso del tempo di un altro
Moderatori:
carloc,
g.schgor,
BrunoValente,
IsidoroKZ
.

alexlovesusa ha scritto:Il prossimo schema che posterò lo farò con FidoCad
alexlovesusa ha scritto:Non credo che il tempo di qualcuno possa essere più prezioso del tempo di un altro
alexlovesusa ha scritto:mentre a me mancano soltanto 4 esami per prendere la triennale in ingegneria e non mi posso permettere di perdere tempo se voglio iniziare in tempo la specialistica.
instead of
(Anonimo).
ain't
, right?
in lieu of
.
for
arithm.




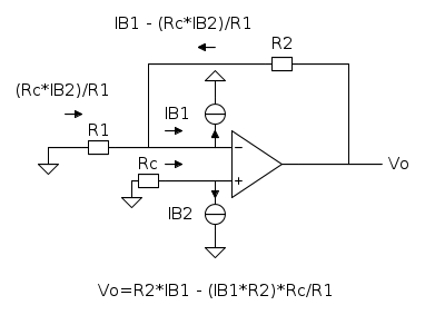
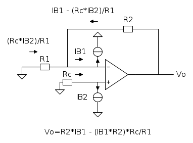
. Essendo i due ingressi dell'amp op connessi dal cortocircuito virtuale, possiamo affermare che si trovano alla stessa tensione, quindi anche la tensione ai capi dell'ingresso invertente sarà
ma cambiata di segno. La corrente che scorre in R1 sarà quindi
. A questo punto nel nodo invertente la corrente si divide e, in particolare, la corrente che scorre sulla resistenza R2 è pari a
La tensione di uscita vo sarà pertanto pari a 
e poniamo
, ci accorgiamo che ciò è possibile solo scegliendo il valore della resistenza Rc=R1//R2.
per polarizzazione diretta
detta corrente inversa di polarizzazione?? perché viene sia moltiplicata che sottratta?

Visitano il forum: Nessuno e 55 ospiti