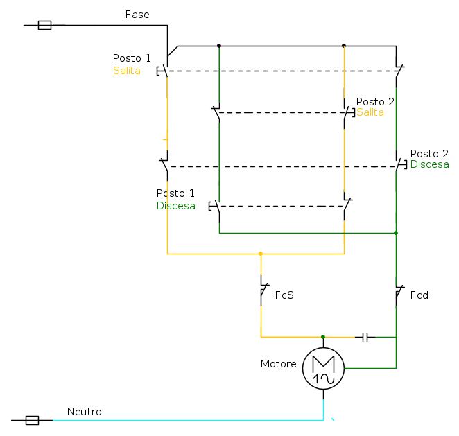
Attivando un senso, salita o discesa da una parte, dall’altra mediante doppio contatto del pulsante (NC) s’impedisce l’azionamento contrario; per es. attivando salita da una parte, è impedita la discesa dall’altra parte, e viceversa.
Comandare serranda da 2 punti
Moderatori:
sebago,
MASSIMO-G,
lillo,
Mike
23 messaggi
• Pagina 2 di 3 • 1, 2, 3
0
voti
StefanoSunda ha scritto:per es. attivando salita da una parte, è impedita la discesa dall’altra parte, e viceversa.
Da come vedo io lo schema se in Posto 1 l'operatore sta pigiando salita e in posto 2 arriva successivamente qualcuno e pigia discesa, si ferma tutto.
"La progettazione, il primo presidio della sicurezza" [Michele Guetta]
0
voti
E così deve essere sempre. Semmai, il difetto dello schema di
StefanoSunda è che occorrono pulsanti a più contatti, con parecchi conduttori tra i due; mentre con l'uso dei relè, dal punto di vista del cablaggio, sopratutto in ambiente civile, è molto più semplice e pratico.
-

Candy
32,5k 7 10 13 - CRU - Account cancellato su Richiesta utente
- Messaggi: 10123
- Iscritto il: 14 giu 2010, 22:54
0
voti
Da come vedo io lo schema se in Posto 1 l'operatore sta pigiando salita e in posto 2 arriva successivamente qualcuno e pigia discesa, si ferma tutto.
Si hai ragione, mi è sfuggito quel particolare; però si evita lo stress al motore.
il difetto dello schema di StefanoSunda è che occorrono pulsanti a più contatti, con parecchi conduttori tra i due;
Quoto in pieno.
-

StefanoSunda
2.880 3 6 10 - Master

- Messaggi: 1962
- Iscritto il: 16 set 2010, 19:29
2
voti
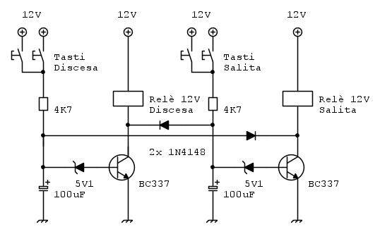
Mah; forse con una serie infinita di interblocchi, qualcosa di funzionante e sufficientemente sicuro si ottiene.
Per coloro a cui piace il silicio; questa è la mia proposta:
Con un semplice ritardo all'attivazione ed un interblocco incrociato si risolvono tutti i problemi. Evito il circuito di potenza perché fin troppo evidente.
Bye
ser.Tom
P.S. non ho dimenticato i diodi di ricircolo sui relè: non servono.
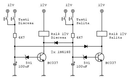
Per coloro a cui piace il silicio; questa è la mia proposta:
Con un semplice ritardo all'attivazione ed un interblocco incrociato si risolvono tutti i problemi. Evito il circuito di potenza perché fin troppo evidente.
Bye
ser.TomP.S. non ho dimenticato i diodi di ricircolo sui relè: non servono.
0
voti
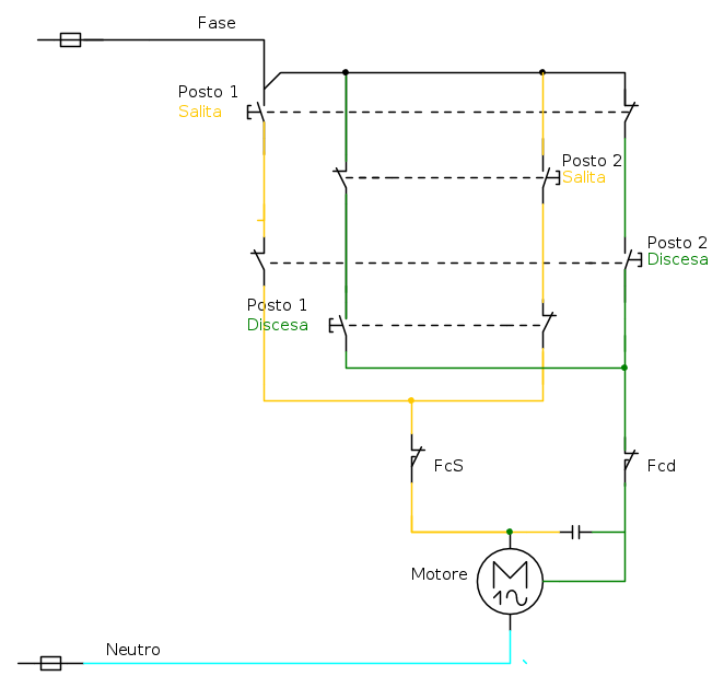
poiché in realtà si tratta di una tapparella, nel frattempo ho trovato un'altra soluzione in un sito.
http://www.grix.it/viewer.php?page=1922
Lo schema però non mi è molto chiaro. Qualcuno può cortesemente renderlo più comprensibile?
Ancora grazie...
http://www.grix.it/viewer.php?page=1922
Lo schema però non mi è molto chiaro. Qualcuno può cortesemente renderlo più comprensibile?
Ancora grazie...
-

fra18061988
10 4 - Frequentatore

- Messaggi: 160
- Iscritto il: 9 gen 2008, 12:44
- Località: Marte
1
voti
Non lo trovo per nulla sicuro!
La tapparella (a mio avviso) va azionata mantenendo il comando manuale sul pulsante.
La tapparella (a mio avviso) va azionata mantenendo il comando manuale sul pulsante.
Ognuno sta solo sul cuor della terra
trafitto da un raggio di sole:
ed è subito sera
Salvatore Quasimodo
trafitto da un raggio di sole:
ed è subito sera
Salvatore Quasimodo
0
voti
Concordo pienamente! Nel mio caso però si tratta della tapparella di una finestra...
-

fra18061988
10 4 - Frequentatore

- Messaggi: 160
- Iscritto il: 9 gen 2008, 12:44
- Località: Marte
1
voti
Il discorso poco cambia, specialmente in presenza di bambini c' è pericolo di schiacciamento!
Ognuno sta solo sul cuor della terra
trafitto da un raggio di sole:
ed è subito sera
Salvatore Quasimodo
trafitto da un raggio di sole:
ed è subito sera
Salvatore Quasimodo
0
voti
Comunque con questo schema posso prevenire l'eventuale danno al motore nel caso in cui questi venga accidentalmente azionato da entrambi i pulsanti nello stesso momento. Posso stare tranquillo sotto questo aspetto?
-

fra18061988
10 4 - Frequentatore

- Messaggi: 160
- Iscritto il: 9 gen 2008, 12:44
- Località: Marte
23 messaggi
• Pagina 2 di 3 • 1, 2, 3
Torna a Impianti, sicurezza e quadristica
Chi c’è in linea
Visitano il forum: Nessuno e 161 ospiti

Elettrotecnica e non solo (admin)
Un gatto tra gli elettroni (IsidoroKZ)
Esperienza e simulazioni (g.schgor)
Moleskine di un idraulico (RenzoDF)
Il Blog di ElectroYou (webmaster)
Idee microcontrollate (TardoFreak)
PICcoli grandi PICMicro (Paolino)
Il blog elettrico di carloc (carloc)
DirtEYblooog (dirtydeeds)
Di tutto... un po' (jordan20)
AK47 (lillo)
Esperienze elettroniche (marco438)
Telecomunicazioni musicali (clavicordo)
Automazione ed Elettronica (gustavo)
Direttive per la sicurezza (ErnestoCappelletti)
EYnfo dall'Alaska (mir)
Apriamo il quadro! (attilio)
H7-25 (asdf)
Passione Elettrica (massimob)
Elettroni a spasso (guidob)
Bloguerra (guerra)




