Cos'è ElectroYou | Login Iscriviti

ElectroYou - la comunità dei professionisti del mondo elettrico

Impostazione equazione circuito RLC

Circuiti, campi elettromagnetici e teoria delle linee di trasmissione e distribuzione dell’energia elettrica

Moderatori: Foto Utenteg.schgor, Foto UtenteIsidoroKZ

2
voti

[11] Re: Impostazione equazione circuito RLC

Messaggioda Foto UtenteTarlo » 1 lug 2012, 23:31

Molto bene, credo di averlo risolto anche se per ora solo col metodo classico. Posterò il problema completo con relativa soluzione, scusandomi se non sarò precisissimo con le formule in Latex. (non so mettere i pedici per cui le tensioni e le correnti le ho scritte tutte lettere maiuscole con il riferimento in corsivo)
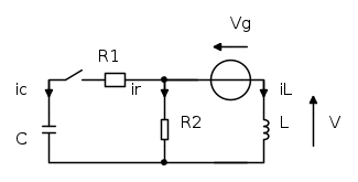
Il circuito completo è questo:



L'interruttore si chiude in t = 0. i dati sono: Vc(0)=5V, R1=1 \Omega, R2=2\Omega , L=10mH , C=10\mu F , Vg=10V
Devo determinare Il(t)

Svolgo in questa maniera: (i versi delle correnti e delle tensioni saranno sempre quelli determinati in figura)

Studio prima il circuito per t=0- (ovvero un istante prima della chiusura dell'interruttore, supponendo che il circuito si trovi in quello stato da molto tempo e per cui a regime.
Il=-\frac{Vg}{R2}=-5A
Vc(0-)=5V Dai dati

Studio poi il circuito per t \to \infty ovvero per il circuito con l'interruttore chiuso e a regime.
Il(\infty)=-\frac{Vg}{R2}=-5A poiché, essendo il generatore costante, il condensatore si comporterà come un interruttore aperto e l'induttore come un corto circuito.

A questo punto studio il circuito per t>0, ovvero nel transitorio, prendendo in considerazione solo l'equazione omogenea di secondo ordine, per cui calcolando solo la soluzione del transitorio. Per fare ciò spengo tutti i generatori indipendenti nel circuito.
Scrivo le equazioni ai nodi e alle maglie:
Ir+Ic+Il=0 da cui ricavo la relazione 1) Ic=-Ir-Il
2) Vr2-Vr1-Vc=0
3) Vr2=Vl

Scrivo le leggi di bipolo dei componenti: Ir=\frac{Vl}{R2} , Ic(t)=C\frac{\partial Vc}{\partial t} , Ic(t)=L\frac{\partial Il}{\partial t}

Sostituisco la 3 nella 2 e ricavo Vc= Vl-Vr1

Vc=Vl-Vr1 = Vl-R1Ic = Vl-R1(-Ir-Il) = Vl+R1Ir+R1Il = Vl + \frac{R1}{R2} Vl + R1Il = (1+\frac{R1}{R2})Vl+R1Il

Sostituendo quindi Vc nella relazione di bipolo Il(t) ottengo
Il(t)=C\left [ \left ( 1+\frac{R1}{R2} \right ) \frac{\partial Vl}{\partial t}+R1\frac{\partial Il}{\partial t} \right ]

Sostituendo ora la legge di bipolo dell'induttore nella Il(t) appena espressa e in Ir=\frac{Vl}{R2} e per cui sostituendo tali relazioni trovate nella prima equazione delle correnti ai nodi trovo l'equazione differenziale omogenea del secondo ordine:
LC\left ( 1+\frac{R1}{R2} \right )\frac{\partial ^2 Il}{\partial t^2}+R1C\frac{\partial Il}{\partial t}+\frac{L}{R2}\frac{\partial Il}{\partial t}+Il=0

Che riordinando viene \frac{\partial ^2 Il}{\partial t^2} + \frac{\frac{L}{R2}+R1C}{LC\left ( 1+\frac{R1}{R2} \right )}\frac{\partial Il}{\partial t}+ \frac{1}{LC\left ( 1+\frac{R1}{R2} \right )}Il =0

Per cui essendo \alpha>\omega0 (costante di smorzamento > pulsazione di risonanza) si tratta di un circuito sovrasmorzato con soluzione generale x(t)=A1e^{s1t}+A2e^{s2t}+x(\infty) essendo s1 ed s2 le frequenze naturali.

Calcolando le frequenze naturali (escludo i calcoli) vengono s1=-409,25 ed s2=-16290,75
Per cui la soluzione è Il(t)=A1e^{-409,25t}+A2e^{-16290,75t}-5 A

Non rimangono da calcolare le costanti A1 e A2, con le condizioni iniziali Il(0+) e \frac{\partial Il}{\partial t}(0+)

La prima è stata trovata all'inizio, la seconda la calcolo sostituendo ai condensatori e induttori i rispettivi generatori di tensione e corrente con i valori trovati per il circuito in t=0+
Scrivendo la legge di Kirchhoff alle maglie calcolo Vl(0+)=-5 V e tramite la relazione inversa di Vl=L\frac{\partial Il}{\partial t} trovo \frac{\partial Il}{\partial t}(0+)=\frac{Vl}{L}=-500

Per cui mettendo a sistema con le condizioni iniziali (salto un po' di conti semplici) ho:
\left\{\begin{matrix}
A1+A2=-5\\ 
s1A1+s2A2=-500
\end{matrix}\right.

Per cui A1=-5,16 e A2= 0,16

Infine quindi la corrente cercata è Il(t)=-5,16e^{-409,25t}+0,16e^{-16290,25t}-5A

Questo è tutto. Non so se posso aver sbagliato qualche calcolo ma questo è il metodo che seguo per risolvere queso tipo di esercizi.
Avatar utente
Foto UtenteTarlo
60 3
 
Messaggi: 37
Iscritto il: 29 giu 2012, 16:46

0
voti

[12] Re: Impostazione equazione circuito RLC

Messaggioda Foto UtenteRenzoDF » 2 lug 2012, 8:39

Guardando il risultato direi che è errato in quanto iL(0)=-10 A

Sarà il surf, ... sarà Erica, ... ma non concordo né sulle pulsazioni naturali né sulle condizioni iniziali né sui coefficienti Ai. :D

Idraulicamente parlando sarei, per esempio, portato a dire che, vista la notevole differenza fra costante di tempo induttiva e capacitiva, le due evoluzioni si possono stimare separatamente ovvero, nel tempo impiegato per l'evoluzione capacitiva, la corrente nell'induttore potrà essere ipotizzata costante a 5 ampere e di conseguenza C "vedrà" dai suoi morsetti un resistenza equivalente pari a tre ohm ... portando RC a 3/100000 e quindi l'esponente del primo decadimento esponenziale è stimabile dalle parti dei -33300t.
Per l'evoluzione induttiva invece, essendo il transitorio su C esaurito possiamo considerare il ramo capacitivo aperto e stimare L/R in 0.01/2 ... portando l'esponente del secondo esponenziale intorno a -200t.
"Il circuito ha sempre ragione" (Luigi Malesani)
Avatar utente
Foto UtenteRenzoDF
55,9k 8 12 13
G.Master EY
G.Master EY
 
Messaggi: 13189
Iscritto il: 4 ott 2008, 9:55

0
voti

[13] Re: Impostazione equazione circuito RLC

Messaggioda Foto UtenteTarlo » 2 lug 2012, 21:46

Non capisco i motivi delle tue risposte.

Guardando il risultato direi che è errato in quanto iL(0)=-10 A

In t=0- (ovvero istante precedente alla chiusura dell'interruttore, con circuito a regime) la corrente è data solo dai valori di Vg ed R2, che dividendo viene (tralasciando il segno) 10/2=5 A

Con la chiusura dell'interruttore e considerando t=0+ (istante appena successivo alla chiusura) si può dire che Il(0-) = Il(0+) per la proprietà di continuità. Per cui Il(0)= -5 A

Non capisco perché mi dici che è -10 A.

Sarà il surf, ... sarà Erica, ... ma non concordo ne sulle pulsazioni naturali ne sulle condizioni iniziali ne sui coefficienti Ai.

Non metto la mano sul fuoco per i coefficienti Ai perché posso aver sbagliato i calcoli, ma ho appena rifatto quelli delle pulsazioni naturali, e essendo esatta l'equazione differenziale (poiché uguale a quella postata da te e Lele) risolvendo l'equazione di secondo grado associata, dà proprio i valori che ho scritto nel precedente post.

Inoltre ho capito il ragionamento sulla stima separata degli andamenti della corrente, ma comunque per quanto diverse le costanti di tempo, i due componenti, per quanto poco, si influenzeranno a vicenda e se in un esercizio d'esame mi viene chiesto l'andamento della corrente non posso certo fare la stima separata dei due andamenti :-)

Volevo chiedere un'altra cosa, anche se banale: se l'esercizio mi avesse richiesto invece della Il(t), la corrente istantanea Il cosa avrei dovuto fare?
Avatar utente
Foto UtenteTarlo
60 3
 
Messaggi: 37
Iscritto il: 29 giu 2012, 16:46

0
voti

[14] Re: Impostazione equazione circuito RLC

Messaggioda Foto UtenteRenzoDF » 2 lug 2012, 22:27

Tarlo ha scritto:Non capisco i motivi delle tue risposte.

Lo vedo.

Tarlo ha scritto:In t=0- (ovvero istante precedente alla chiusura dell'interruttore, con circuito a regime) la corrente è data solo dai valori di Vg ed R2, che dividendo viene (tralasciando il segno) 10/2=5 A

Non mi sembra di averlo messo in dubbio.

Tarlo ha scritto:... Con la chiusura dell'interruttore e considerando t=0+ (istante appena successivo alla chiusura) si può dire che Il(0-) = Il(0+) per la proprietà di continuità. Per cui Il(0)= -5 A

E chi ha mai detto il contrario?

Tarlo ha scritto:... Non capisco perché mi dici che è -10 A...

Non lo capisci perché non leggi bene la mia risposta.
Con IL(0) intendevo indicare il valore assunto dalla funzione finale IL(t) al tempo t=0.

Detto più esplicitamente come può essere che A1+A2 sia pari a -5 ?

Tarlo ha scritto:...se in un esercizio d'esame mi viene chiesto l'andamento della corrente non posso certo fare la stima separata dei due andamenti :-)

Non voleva essere un metodo alternativo, voleva solo dare sostanza al mio dubbio sui tuoi risultati, mi sembrava più che evidente. :?

Per chiarire tutto, basterebbe vedere la versione numerica dell'equazione caratteristica e del calcolo della condizione iniziale per vL(0).
"Il circuito ha sempre ragione" (Luigi Malesani)
Avatar utente
Foto UtenteRenzoDF
55,9k 8 12 13
G.Master EY
G.Master EY
 
Messaggi: 13189
Iscritto il: 4 ott 2008, 9:55

Precedente

Torna a Elettrotecnica generale

Chi c’è in linea

Visitano il forum: Google Adsense [Bot] e 46 ospiti