Ciao a tutti!
Per curiosità, la tensione max di lavoro indicata su un condensatore è affetta da tolleranza +x% ?
Oppure si rischia solo al di sopra della tensione max indicata (+x%)?
Ve lo chiedo perché ho una grossa batteria di condensatori elettrolitici (ciascuno 4700uF - 35V), che intendo utilizzare come filtro all'uscita di un ponte raddrizzatore collegato all'uscita 24VAC di trasformatore di potenza.
Secondo i miei calcoli, la tensione di picco sui condensatori arriva a quasi 34V (perché 24VAC*√2 = 33,84V).
C'è qualche pericolo se la utilizzo per tempi prolungati?
affidabilità limite tensione su un condensatore
Moderatori:
carloc,
g.schgor,
BrunoValente,
IsidoroKZ
7 messaggi
• Pagina 1 di 1
0
voti
Credo proprio che, come ogni grandezza "di targa" dei componenti, ci sia una incertezza di tipo +- %.
La tua soglia mi sembra un po' "stretta".
Sui datasheet solitamente non ho mai trovato nessuna info a riguardo, ma credo che ti possa basare sulla tolleranza fornita sul valore di capacità.
La tua soglia mi sembra un po' "stretta".
Sui datasheet solitamente non ho mai trovato nessuna info a riguardo, ma credo che ti possa basare sulla tolleranza fornita sul valore di capacità.
2
voti
Ehm,no,non funziona propriamente così,le tensioni "nominali" di isolamento (dette anche di lavoro) dei componenti elettronici,condensatori compresi,non sono granchè affette da tolleranza però vanno considerate come limite massimo non superabile,in una logica "hobbistica" (cioè non di produzione industriale in grande serie nella quale entrano in gioco altri fattori) oppure di stare sul sicuro senza badare a spese conviene tenersi oltre il 30- 40 % in più della massima tensione (di picco !) raggiunta nel circuito,anzi io raddoppierei tranquillamente (100 % in più) per stare veramente sul sicuro nel caso specifico degli elettrolitici che se "survoltati"...sparano e inoltre,occhio anche alla temperatura di lavoro


"Non farei mai parte di un club che accettasse la mia iscrizione" (G. Marx)
-

claudiocedrone
21,3k 4 7 9 - Master EY

- Messaggi: 15302
- Iscritto il: 18 gen 2012, 13:36
0
voti
NEIN ! VERBOTEN ! Mettili da 63 V ! Già non sarebbe molto ortodosso usare batterie di condensatori,per vari motivi tralaltro ben spiegati più volte anche su questo forum. Io sono "tornato" su internet dopo anni di assenza a giugno dell'anno scorso per trovare risposta ad alcuni miei dubbi proprio elettronici,ho visitato diversi forum e letto migliaia di post e questo (EY) è l'unico forum che mi sono deciso a frequentare all'inizio di quest'anno perché lo ho reputato uno dei pochi frequentati da veri esperti,seri,preparati e immuni da una terribile malattia infettiva altamente virulenta e debilitante denominata "audiofilia". 

"Non farei mai parte di un club che accettasse la mia iscrizione" (G. Marx)
-

claudiocedrone
21,3k 4 7 9 - Master EY

- Messaggi: 15302
- Iscritto il: 18 gen 2012, 13:36
0
voti
Inoltre non è affatto vero che la tensione non supererà mai i 35 V di picco (a parte che sono un po' di meno, ca. 1.4 V in meno perché devi considerare la caduta sul ponte raddrizzatore) la tensione di rete,nominalmente 230 V, già "nominalmente" può variare di +/- 10% (e già avresti 253 V max,vedi a quanto arrivi di picco con questo valore "RMS" !) in più ti posso assicurare che non è raro che possa addirittura arrivare a 260 o 280 V ! (certo non è il caso di casa mia dove si attesta sui 216 - 218 V !) e ancora,se gli elettrolitici sono "vecchi" e/o si scaldano... 

"Non farei mai parte di un club che accettasse la mia iscrizione" (G. Marx)
-

claudiocedrone
21,3k 4 7 9 - Master EY

- Messaggi: 15302
- Iscritto il: 18 gen 2012, 13:36
0
voti
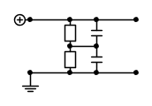
collegandoli in questo modo raddoppi la tensione che i tuoi condensatori possono sopportare, nel senso che il primo si becca (a resistenze di pari valore) metà tensione ed il secondo la restante . non so però se è un buon consiglio (sono decisamente l'ultimo da cui ascoltare consigli
)
7 messaggi
• Pagina 1 di 1
Chi c’è in linea
Visitano il forum: Nessuno e 163 ospiti

Elettrotecnica e non solo (admin)
Un gatto tra gli elettroni (IsidoroKZ)
Esperienza e simulazioni (g.schgor)
Moleskine di un idraulico (RenzoDF)
Il Blog di ElectroYou (webmaster)
Idee microcontrollate (TardoFreak)
PICcoli grandi PICMicro (Paolino)
Il blog elettrico di carloc (carloc)
DirtEYblooog (dirtydeeds)
Di tutto... un po' (jordan20)
AK47 (lillo)
Esperienze elettroniche (marco438)
Telecomunicazioni musicali (clavicordo)
Automazione ed Elettronica (gustavo)
Direttive per la sicurezza (ErnestoCappelletti)
EYnfo dall'Alaska (mir)
Apriamo il quadro! (attilio)
H7-25 (asdf)
Passione Elettrica (massimob)
Elettroni a spasso (guidob)
Bloguerra (guerra)





