Ci deve essere un collegamento sballato o in corto sulla decodifica o sul display.
Ricontrolla tutto con attenzione.
Orologio digitale
Moderatori:
carloc,
g.schgor,
BrunoValente,
IsidoroKZ
0
voti
[214] Re: Orologio digitale
dato che non riuscivo a trovare l' errore ho rifatto la parte dei secondi (dato che era parecchio malfatta) e ho finito due minuti fa... ho dato alimentazione, avviato il conteggio ed ecco che fa sempre la stessa cosa.... pffff 
0
voti
[215] Re: Orologio digitale
Fai una prova in questi termini:
scollega il clock dal primo 4518 (secondi) e immettilo direttamente nel secondo.
Controlla anche che i due alimentatori abbiano il GND in comune.
scollega il clock dal primo 4518 (secondi) e immettilo direttamente nel secondo.
Controlla anche che i due alimentatori abbiano il GND in comune.
marco
0
voti
[217] Re: Orologio digitale
E allora e' evidente un collegamento errato o del 4518 e del 4511. Controlla, dopo aver tolto gli integrati che non ci sia continuita' (quindi corto circuito) sui pin contigui di ogni zoccolo; fallo anche sullo zoccolo display.
Hai controllato che il GND dei due alimentatori sia comune?
Hai controllato che il GND dei due alimentatori sia comune?
marco
0
voti
[219] Re: Orologio digitale
ah no ho detto una cavolata.. la GND è in comune...
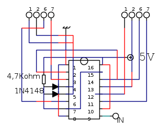
allora a questo punto credo ci sia qualcosa di sbagliato nello schema del 4518...
ti posto lo schema:
le parti in blu sono lato rame e verdi lato componenti

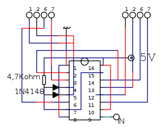
allora a questo punto credo ci sia qualcosa di sbagliato nello schema del 4518...
ti posto lo schema:
le parti in blu sono lato rame e verdi lato componenti

Chi c’è in linea
Visitano il forum: Nessuno e 174 ospiti

Elettrotecnica e non solo (admin)
Un gatto tra gli elettroni (IsidoroKZ)
Esperienza e simulazioni (g.schgor)
Moleskine di un idraulico (RenzoDF)
Il Blog di ElectroYou (webmaster)
Idee microcontrollate (TardoFreak)
PICcoli grandi PICMicro (Paolino)
Il blog elettrico di carloc (carloc)
DirtEYblooog (dirtydeeds)
Di tutto... un po' (jordan20)
AK47 (lillo)
Esperienze elettroniche (marco438)
Telecomunicazioni musicali (clavicordo)
Automazione ed Elettronica (gustavo)
Direttive per la sicurezza (ErnestoCappelletti)
EYnfo dall'Alaska (mir)
Apriamo il quadro! (attilio)
H7-25 (asdf)
Passione Elettrica (massimob)
Elettroni a spasso (guidob)
Bloguerra (guerra)



