Cos'è ElectroYou | Login Iscriviti

ElectroYou - la comunità dei professionisti del mondo elettrico

Filtro LC passa banda ed elimina banda

Circuiti, campi elettromagnetici e teoria delle linee di trasmissione e distribuzione dell’energia elettrica

Moderatori: Foto Utenteg.schgor, Foto UtenteIsidoroKZ

0
voti

[1] Filtro LC passa banda ed elimina banda

Messaggioda Foto Utentealexlovesusa » 6 ago 2012, 16:44

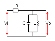
Salve a tutti. Sto studiando teoria del segnali e c'è un capitolo che parla dei filtri concentrandosi specialmente sulle trasformate di Fourier e cose del genere. Tra i tanti, c'è un esempio che riporta questi due circuiti che rappresentano rispettivamente un filtro passa banda e uno elimina banda :

Quello che non mi è per niente chiaro è il funzionamento di questi due circuiti. perché il primo è un filtro passa banda e il secondo elimina banda? Come funzionano in termini di correnti e tensioni che vi circolano? #-o

Inoltre vengono date queste due formule di risposta in frequenza dei rispettivi circuiti che non capisco da dove vengono :
H_{\frac{L-C}{BP}}=\frac{jQ^{-1} f/f_0}{1 - (f/f_0)^2 + jQ^{-1} f/f_0} e
H_{\frac{L-C}{BR}}=\frac{1-(f/f_0)^2}{1 - (f/f_0)^2 + jQ^{-1} f/f_0}.

Inoltre vengono presentate queste altre due formule sempre relative ai due circuiti : 2\pi f_0=1/\sqrt{LC} e 1/Q=2\pi f_0 L/R.

Qualche aiutino perfavore?? :cry:
Avatar utente
Foto Utentealexlovesusa
-21 6
Frequentatore
Frequentatore
 
Messaggi: 159
Iscritto il: 27 set 2010, 18:12

8
voti

[2] Re: Filtro LC passa banda ed elimina banda

Messaggioda Foto Utenterusty » 6 ago 2012, 18:02

Prendendo in considerazione il filtro passabanda passivo, le impedenze divengono:



Z_C = - \jmath \frac{1}{\omega C} impedenza del condensatore
Z_L = \jmath \omega L impedenza dell'induttore

Proseguendo calcoliamo l'impedenza del parallelo dei due, e successivamente calcoliamo la tensione in uscita con la semplice regola dei partitori di tensione:

Z_p = \frac{\frac{L}{C}}{\jmath (\omega L - \frac{1}{\omega C})} = -\jmath \frac{\frac{L}{C}}{\frac{\omega ^2 LC -1}{\omega C}}=-\jmath \frac{\omega L}{\omega ^2 L C -1} = \frac{\jmath \omega L}{1 - \omega ^2 L C}
V_O = V_I \frac{Z_p}{R + Z_p}

Funzione di trasferimento:

\frac{V_O}{V_I} = \frac{Z_p}{R + Z_p}


\frac{V_O}{V_I} = \frac{Z_p}{R + Z_p} = \frac{\frac{\jmath \omega L}{1-\omega ^2 L C}}{R + \frac{\jmath \omega L}{1-\omega ^2 L C}} = \frac{\frac{\jmath \omega L}{1-\omega ^2 L C} (1-\omega^2 L C)}{R - \omega^2 RLC +\jmath \omega L} = \frac{\jmath \omega \frac{L}{R}}{1-\omega ^2LC + \jmath \omega \frac{L}{R}}

posto che la relazione tra pulsazione e frequenza è la ben nota
\omega = 2 \pi f
e che la pulsazione di risonanza \omega_0 è pari a
\omega_0 = 2 \pi f_0 = \frac{1}{\sqrt{LC}}
dovresti tornare alla funzione di trasferimento iniziale.

Ti ho mostrato un metodo possibile, spero abbia capito come funziona :ok:
Avatar utente
Foto Utenterusty
4.075 2 9 11
Utente disattivato per decisione dell'amministrazione proprietaria del sito
 
Messaggi: 1578
Iscritto il: 25 gen 2009, 13:10

0
voti

[3] Re: Filtro LC passa banda ed elimina banda

Messaggioda Foto Utentealexlovesusa » 6 ago 2012, 20:54

Grazie mille. Adesso ho capito da dove derivano le formule ottenute, ma non ho capito il funzionamento del circuito, ovvero il perché avviene una selezione della banda nel primo caso e un'eliminazione di una banda di frequenze nel secondo caso. Mi piacerebbe avere una spiegazione in termini di correnti e tensioni nel circuito :ok:
Avatar utente
Foto Utentealexlovesusa
-21 6
Frequentatore
Frequentatore
 
Messaggi: 159
Iscritto il: 27 set 2010, 18:12

2
voti

[4] Re: Filtro LC passa banda ed elimina banda

Messaggioda Foto UtenteIsidoroKZ » 6 ago 2012, 21:06

Calcola l'impedenza del gruppo LC parallelo alla frequenza di risonanza.
Per usare proficuamente un simulatore, bisogna sapere molta più elettronica di lui
Plug it in - it works better!
Il 555 sta all'elettronica come Arduino all'informatica! (entrambi loro malgrado)
Se volete risposte rispondete a tutte le mie domande
Avatar utente
Foto UtenteIsidoroKZ
121,2k 1 3 8
G.Master EY
G.Master EY
 
Messaggi: 21059
Iscritto il: 17 ott 2009, 0:00

1
voti

[5] Re: Filtro LC passa banda ed elimina banda

Messaggioda Foto Utenterusty » 6 ago 2012, 22:37

Scusa ma a lezione non hanno spiegato nulla di quello che hai scritto? Grandi formule, qualche disegno e due parole al volo?
Che nozioni hai di fisica, matematica, ed elettrotecnica?
Tensioni e correnti sono gia' state trattate, solo in un dominio non temporale :ok:

Inizia a calcolare cio' che suggerisce Foto UtenteIsidoroKZ,magari ti si accende una piccola lampandina ;-)
Avatar utente
Foto Utenterusty
4.075 2 9 11
Utente disattivato per decisione dell'amministrazione proprietaria del sito
 
Messaggi: 1578
Iscritto il: 25 gen 2009, 13:10

5
voti

[6] Re: Filtro LC passa banda ed elimina banda

Messaggioda Foto UtenteLele_u_biddrazzu » 7 ago 2012, 0:11

alexlovesusa ha scritto:...ma non ho capito il funzionamento del circuito...

Come ti è già stato detto, devi focalizzare l'attenzione sul parallelo LC; questo presenta un'ammettenza Y che varia in funzione della pulsazione \omega secondo il seguente andamento qualitativo...



... ovvero:

- per valori bassi di \omega, l'ammettenza assume valori elevati (idealmente un cortocircuito);

- alla pulsazione di risonanza \omega_0 = \frac{1}{\sqrt{LC}}, il parallelo LC è assimilabile ad un circuito aperto;

- per elevati valori di \omega, anche l'ammettenza assume valori elevati (idealmente un cortocircuito).

A questo punto, non dovrebbe essere difficile comprendere, seppure qualitativamente, il funzionamento del filtro passa banda e di quello elimina banda. Volendo prendere in considerazione il secondo, si ha...



... ovvero:

- per \omega\ll\omega_{0}\rightarrow\Big|H\left(\omega\right)\Big|\approx1;

- per \omega=\omega_{0}\rightarrow\Big|H\left(\omega\right)\Big| = 0;

- per \omega\gg\omega_{0}\rightarrow\Big|H\left(\omega\right)\Big|\approx 1 .

In definitiva l'andamento del modulo della funzione di rete del filtro elimina banda risulta...



Mi auguro di esserti stato di aiuto O_/
Emanuele Lorina

- Chi lotta contro i mostri deve fare attenzione a non diventare lui stesso un mostro. E se tu riguarderai a lungo in un abisso, anche l'abisso vorrà guardare dentro di te (F. Nietzsche)
- Tavole della legge by admin
Avatar utente
Foto UtenteLele_u_biddrazzu
8.154 3 8 13
Master EY
Master EY
 
Messaggi: 1288
Iscritto il: 23 gen 2007, 16:13
Località: Modena

1
voti

[7] Re: Filtro LC passa banda ed elimina banda

Messaggioda Foto Utentealexlovesusa » 7 ago 2012, 12:49

Grazie mille a tutti. Ho capito tutto perfettamente con l'ultima spiegazione di Lele :ok:

@Isidoro: Calcolando l'impedenza parallelo tra L e C alla freq. di risonanza, ovvero sostituendo \omega_0 nella Z_p al posto della \omega ottengo Z_p=j*\frac{1}{\sqrt{LC}}. Cosa dovrei capire da questa formula? Scusate, ma non ci arrivo :cry:

@rusty: Il corso non è un corso di elettrotecnica. Quello l'ho seguito e terminato quasi due anni fa. La materia è teoria dei segnali e questo è semplicemente un esempio che viene usato per chiarire un criterio detto di Paley-Wiener. Vengono date le formule e vegono riportatii circuiti, ma non viene spiegato un bel niente e nemmeno a lezione il professore ha spiegato un bel niente a riguardo. Sto cercando solo di chiarirmi le idee e non lasciare niente incompleto ;-) Inoltre, il corso si elettrotecnica che ho seguito tempo fa non è stato niente di che e ricordo che ho dovuto studiare e capire tutto da solo. Infine, i filtri non li abbiamo mai visti prima di ora. Io avevo solo sentito parlare dei filtri e immaginavo a cosa potessero servire, ma non li abbiamo mai trattati ne nel corso di elettrotecnica, ne in quello di elettronica :cry:

P.S. Non so se conoscete il criterio di Paley-Wiener che riguarda i sistemi lineari e stazionari la cui risposta in ampiezza è a quadrato integrabile:
\int_{-oo}^{+oo}} |H(f)|^2 df < oo
e quindi vale per i filtri passa basso e passa banda ideali. Si dice che il sistema lineare e stazionario è causale se è verificata la condizione necessaria \int_{-oo}^ {+oo}} \frac{|ln(|H(f)|)|}{1+(2\pi f)^2} df < oo e la risposta in frequenza H(f)=|H(f)|*e^{j*\Theta(f)} è quella di un sistema causale.
Purtroppo questa condizione è necessaria ma non sufficiente perché non viene detto come deve essere la funzione \Theta(f) che porti a un sistema causale.
La funzione integranda del secondo integrale è non convergente per le risposte in ampiezza nulle su intervalli di frequenza di ampiezza non nulla. Questo implica che il secondo integrale vale solo per una risposta in frequenza che si annulla solo per un insieme di punti della frequenza e quindi intervalli di frequenza di misura nulla.
A questo punto, perché la seconda funzione integranda non è limitata su intervalli di misura non nulla? Io penso che il motivo sia il seguente:
- se il modulo della risposta in frequenza è nullo in intervalli di ampiezza non nulla, allora possiamo spezzare l'integrale in più parti e abbiamo che, negli intervalli in cui la risposta in ampiezza è nulla, abbiamo al numeratore il |ln(0)| che naturalmente tende a più infinito e quindi l'integrale non è limitato in questi intervalli. Negli intervalli in cui la risposta in ampiezza è non nulla, allora abbiamo un valore non infinito, ma nella somma finale otterremmo comunque un valore infinito. Giusto?
- se invece la risposta in ampiezza è nulla soltanto in corrispondenza di determinati valori ( anche un'infinità numerabile) della frequenza, l'integrale improprio possiamo spezzarlo ancora e considerare i limiti per f che tende rispettivamente ai vari punti in cui la funzione si annulla e, avendo al numeratore una funzione di logaritmo, il risultato ottenuto facendo il limite sarà un valore non infinito.
E' giusto come lo vedo io? Non avevo capito inizialmente il perché l'integrale converga per risposte in ampiezza che si annullano in determinati punti della frequenza. Spero che sia questo il motivo... in caso contrario gradirei una vostra spiegazione ;-)
Avatar utente
Foto Utentealexlovesusa
-21 6
Frequentatore
Frequentatore
 
Messaggi: 159
Iscritto il: 27 set 2010, 18:12

1
voti

[8] Re: Filtro LC passa banda ed elimina banda

Messaggioda Foto UtenteLele_u_biddrazzu » 7 ago 2012, 13:12

alexlovesusa ha scritto:...questo è semplicemente un esempio che viene usato per chiarire un criterio detto di Paley-Wiener...

Curiosità... per caso stai studiando dal Luise - Vitetta :?: :mrgreen:
Emanuele Lorina

- Chi lotta contro i mostri deve fare attenzione a non diventare lui stesso un mostro. E se tu riguarderai a lungo in un abisso, anche l'abisso vorrà guardare dentro di te (F. Nietzsche)
- Tavole della legge by admin
Avatar utente
Foto UtenteLele_u_biddrazzu
8.154 3 8 13
Master EY
Master EY
 
Messaggi: 1288
Iscritto il: 23 gen 2007, 16:13
Località: Modena

2
voti

[9] Re: Filtro LC passa banda ed elimina banda

Messaggioda Foto UtenteRenzoDF » 7 ago 2012, 15:24

rusty ha scritto:... Ti ho mostrato un metodo possibile ...

Te ne faccio vedere un altro, quello "egizio"; partendo da una falsa V_{O}, risalgo verso V_{I} e calcolo il rapporto fra le due tensioni


\begin{align}
  & V_{O}=j\omega L\quad \Rightarrow I_{L}=\frac{V_{O}}{j\omega L}=1\quad \Rightarrow I_{C}=V_{O}j\omega C=-LC\omega ^{2} \\ 
 & \quad \Rightarrow I_{R}=I_{L}+I_{C}=1-LC\omega ^{2}\quad \Rightarrow V_{I}=RI_{R}+V_{O}=R(1-LC\omega ^{2})+j\omega L \\ 
\end{align}

\frac{V_{O}}{V_{I}}=\frac{j\omega L}{R-\omega ^{2}RLC+j\omega L}

Poi magari ti mostro come fare con il 2EET (Extra Element Theorem) di Middlebrook ;-)
"Il circuito ha sempre ragione" (Luigi Malesani)
Avatar utente
Foto UtenteRenzoDF
55,9k 8 12 13
G.Master EY
G.Master EY
 
Messaggi: 13189
Iscritto il: 4 ott 2008, 9:55

0
voti

[10] Re: Filtro LC passa banda ed elimina banda

Messaggioda Foto Utentealexlovesusa » 7 ago 2012, 15:24

@lele:Esattamente :ok: ( Ho letto che sei di Palermo, quindi essendo io studente di ingegneria informatica all'università di Agrigento ( quindi Palermo) , ho pensato che potremmo aver usato lo stesso libro :-) ) Comunque il libro non è che sia granchè. Nella mia carriera universitaria non ho mai avuto un libro decente :!:

@RenzoDF: che significa " partendo da una falsa Vo"? Come viene scelta?
Avatar utente
Foto Utentealexlovesusa
-21 6
Frequentatore
Frequentatore
 
Messaggi: 159
Iscritto il: 27 set 2010, 18:12

Prossimo

Torna a Elettrotecnica generale

Chi c’è in linea

Visitano il forum: Nessuno e 18 ospiti