- STN riflettivo, sfrutta la luce ambientale riflessa
- STN trasmissivo trasmissivi, funzione solo con retroilluminazione
- STN Transflettivo, possiede sia caratteristiche di riflessine della luce ambientale che una retroilluminazione a led
- FSTN Transflettivo, non ho capito bene le differenza rispetto al secondo
Ho un display lcd con retroilluminazione (caratteri bianchi e sfondo blu, non so di che tipo, potrebbe essere anche trasmissivo, cio che non funzione con la luce riflessa) e quando scollego la retrollilluminazione si legge a stento.
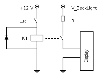
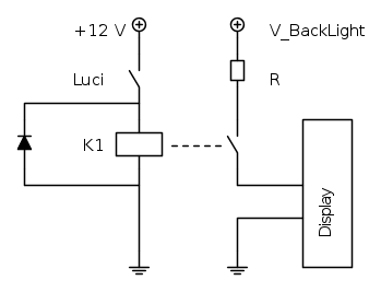
In pratica mi servirebbe un lcd tipo quello degli orologi, cioè che la retroilluminazione potesse entrare in funzione solo quando accendo le luci di posizione del mezzo e si potesse leggere correttamente di giorno come un riflettivo.
Potrei fare la prova ma ci vorrebbero altri 20 euro, il display ha caratteri grandi.
Qualcuno ha provato ad usare un transriflettivo senza retroilluminazione?

Elettrotecnica e non solo (admin)
Un gatto tra gli elettroni (IsidoroKZ)
Esperienza e simulazioni (g.schgor)
Moleskine di un idraulico (RenzoDF)
Il Blog di ElectroYou (webmaster)
Idee microcontrollate (TardoFreak)
PICcoli grandi PICMicro (Paolino)
Il blog elettrico di carloc (carloc)
DirtEYblooog (dirtydeeds)
Di tutto... un po' (jordan20)
AK47 (lillo)
Esperienze elettroniche (marco438)
Telecomunicazioni musicali (clavicordo)
Automazione ed Elettronica (gustavo)
Direttive per la sicurezza (ErnestoCappelletti)
EYnfo dall'Alaska (mir)
Apriamo il quadro! (attilio)
H7-25 (asdf)
Passione Elettrica (massimob)
Elettroni a spasso (guidob)
Bloguerra (guerra)





Dovresti provare a rivolgerla al Costruttore.
