Ciao, ho due dubbi che mi assillano e quindi chiedo se per cortesia mi fate capire come fare.
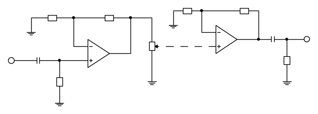
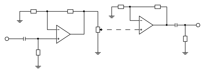
Ho questo schema di un piccolo preamplificatore con due operazionali e alimentazione duale 15V.,
il segnale audio proveniente da un semplice equalizzatore a 6 bande senza regolazione di volume, con il primo stadio applico un guadagno fisso di 5 volte, proseguo verso il prossimo stadio con un altro guadagno ma di 10 volte, ora arrivano i miei dubbi che sono :
come faccio a capire quale è il giusto valore del potenziomentro logaritmico da utilizzare ?
poi
dopo il cursore del potenziomentro (linea che ho tratteggiato) andando verso l'ingresso del
secondo stadio non devo inserire nessun componente entrando direttamente all'ingresso
dell'operazionale ? sia che la risposta sia positiva o negativa vorrei saperne il perché.
Ciao
Valore di un potenziometro tra due operazionali (?)
Moderatore:
IsidoroKZ
23 messaggi
• Pagina 1 di 3 • 1, 2, 3
0
voti
Qualsiasi valore di potenziometro va bene, da 1kohm in su! Sul collegamento tratteggiato non devi mettere nessun componente perche' li` praticamente non passa segnale e qualsiasi componente sarebbe inutile.
Potrebbe invece essere utile una resistenza fra cursore e 0V per ridurre l'effetto dei saltellamenti del cursore del potenziometro.
Potrebbe invece essere utile una resistenza fra cursore e 0V per ridurre l'effetto dei saltellamenti del cursore del potenziometro.
Per usare proficuamente un simulatore, bisogna sapere molta più elettronica di lui
Plug it in - it works better!
Il 555 sta all'elettronica come Arduino all'informatica! (entrambi loro malgrado)
Se volete risposte rispondete a tutte le mie domande
Plug it in - it works better!
Il 555 sta all'elettronica come Arduino all'informatica! (entrambi loro malgrado)
Se volete risposte rispondete a tutte le mie domande
0
voti
IsidoroKZ ha scritto: una resistenza fra cursore e 0V
Mi ritrovo a disposizione immediata un potenziometro logaritmico da 50K in plastica conduttiva;
la resistenza fra cursore e 0V va in base al valore del potenziometro ?
grazie
1
voti
Il pot va bene. La resistenza deve essere un po' piu` grande del pot: da 100kohm in su va bene. Al posto della resistenza potresti anche mettere un condensatore da 100pF.
Per usare proficuamente un simulatore, bisogna sapere molta più elettronica di lui
Plug it in - it works better!
Il 555 sta all'elettronica come Arduino all'informatica! (entrambi loro malgrado)
Se volete risposte rispondete a tutte le mie domande
Plug it in - it works better!
Il 555 sta all'elettronica come Arduino all'informatica! (entrambi loro malgrado)
Se volete risposte rispondete a tutte le mie domande
0
voti
Non ceramico, tutto il resto direi che vada bene. Ho supposto che l'operazionale fosse jfet. Qual e` la sua sigla?
Per usare proficuamente un simulatore, bisogna sapere molta più elettronica di lui
Plug it in - it works better!
Il 555 sta all'elettronica come Arduino all'informatica! (entrambi loro malgrado)
Se volete risposte rispondete a tutte le mie domande
Plug it in - it works better!
Il 555 sta all'elettronica come Arduino all'informatica! (entrambi loro malgrado)
Se volete risposte rispondete a tutte le mie domande
1
voti
Buongiorno,
Tl072 quando faccio le prove iniziali, che se lo brucio..pazienza..., se vedo che il circuito funziona e non ha corti o altro, poi lo rimpiazzo con NE5532, alle volte MAX412, è ok ?
ciao
Voglio provare cosi...
Tl072 quando faccio le prove iniziali, che se lo brucio..pazienza..., se vedo che il circuito funziona e non ha corti o altro, poi lo rimpiazzo con NE5532, alle volte MAX412, è ok ?
ciao
Voglio provare cosi...
1
voti
francos ha scritto:...il segnale audio proveniente da un semplice equalizzatore a 6 bande senza regolazione di volume, con il primo stadio applico un guadagno fisso di 5 volte, proseguo verso il prossimo stadio con un altro guadagno ma di 10 volte...
Sei sicuro che ti serva amplificare tanto? Se sei all'uscita di un equalizzatore il segnale dovrebbe già essere alto.
-

BrunoValente
39,6k 7 11 13 - G.Master EY

- Messaggi: 7796
- Iscritto il: 8 mag 2007, 14:48
0
voti
BrunoValente ha scritto:Sei sicuro che ti serva amplificare tanto?
L'equalizzatore ha un uscita decente, ma è bassa di livello, con tutte le bande al max va quasi bene,
ma è indecente come qualità, per questo ho deciso di fare questo circuito,
comunque voglio seguire il tuo consiglio e sul secondo stadio iniziero con una 12K anziche una 33K.
PS
l'uscita del circuito che sto per fare, collegata con un jack mono all'ingresso jack bilanciato di una cassa attiva da palco...non è consigliato... vero ?
23 messaggi
• Pagina 1 di 3 • 1, 2, 3
Torna a Elettronica e spettacolo
Chi c’è in linea
Visitano il forum: Nessuno e 6 ospiti

Elettrotecnica e non solo (admin)
Un gatto tra gli elettroni (IsidoroKZ)
Esperienza e simulazioni (g.schgor)
Moleskine di un idraulico (RenzoDF)
Il Blog di ElectroYou (webmaster)
Idee microcontrollate (TardoFreak)
PICcoli grandi PICMicro (Paolino)
Il blog elettrico di carloc (carloc)
DirtEYblooog (dirtydeeds)
Di tutto... un po' (jordan20)
AK47 (lillo)
Esperienze elettroniche (marco438)
Telecomunicazioni musicali (clavicordo)
Automazione ed Elettronica (gustavo)
Direttive per la sicurezza (ErnestoCappelletti)
EYnfo dall'Alaska (mir)
Apriamo il quadro! (attilio)
H7-25 (asdf)
Passione Elettrica (massimob)
Elettroni a spasso (guidob)
Bloguerra (guerra)




