Cos'è ElectroYou | Login Iscriviti

ElectroYou - la comunità dei professionisti del mondo elettrico

Problema circuito AC

Circuiti, campi elettromagnetici e teoria delle linee di trasmissione e distribuzione dell’energia elettrica

Moderatori: Foto Utenteg.schgor, Foto UtenteIsidoroKZ

0
voti

[1] Problema circuito AC

Messaggioda Foto Utentealex87alex » 14 set 2012, 19:46

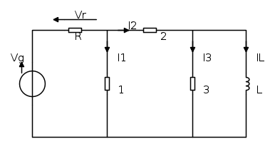
Ciao a tutti, avrei bisogno del vostro aiuto, non riesco a capire come procedere nella risoluzione di questo circuito a regime sinusoidale.

Il disegno è questo:


I dati sono:
N_{1}=100+300j
N_{2}=200-400j
N_{3}=100-200j
N_{g}=600+200j
Z_{eq}= 30+10j che è l'impedenza equivalente di tutto il circuito
\omega=1000rad/s

Mi chiede:
-L'ampiezza V_{m} del generatore di tensione
-La tensione V_{r} e la corrente I_{L}
-I valori della resistenza R e dell'induttanza L


Ora.. Io so che la potenza complessa

N_{i}=\frac{1}{2}V_{m}I_{m}cos(\varphi _{v}-\varphi _{i})+j\left [\frac{1}{2}V_{m}I_{m}sin(\varphi _{v}-\varphi _{i})  \right ]

Quindi prendiamo come esempio

N_{i}... \frac{\frac{100}{2}}{cos(tan^{-1}(\frac{300}{100}))}=158=V_{m1}I_{m1} dove tan^{-1}(\frac{300}{100})=\varphi _{v}-\varphi _{i}

Adesso come vado avanti? Dovrei procedere in modo diverso? Grazie a tutti :ok:
Avatar utente
Foto Utentealex87alex
45 3
New entry
New entry
 
Messaggi: 52
Iscritto il: 16 giu 2012, 16:15

1
voti

[2] Re: Problema circuito AC

Messaggioda Foto UtenteEdmondDantes » 14 set 2012, 19:49

Prima di iniziare a leggere lo svolgimento del tuo compito, vorrei sapere cosa sono N1 e famiglia e Zequ...
senza unità di misura sono solo dei numeri...complessi
Il Conte di Montecristo

Se non studio un giorno, me ne accorgo io. Se non studio due giorni, se ne accorge il pubblico.

Io devo studiare sodo e preparare me stesso perché prima o poi verrà il mio momento.
Abraham Lincoln
Avatar utente
Foto UtenteEdmondDantes
11,9k 8 11 13
Disattivato su sua richiesta
 
Messaggi: 3619
Iscritto il: 25 lug 2009, 22:18
Località: Marsiglia

0
voti

[3] Re: Problema circuito AC

Messaggioda Foto Utentealex87alex » 14 set 2012, 19:54

Scusa #-o

N1 è la potenza complessa assorbita dal bipolo 1; N2 e N3 potenze assorbite dai rispettivi bipoli 2 e 3; Ng è la potenza complessa erogata dal GIT Vg; Zeq è l'impedenza equivalente del circuito;

W,var sono le unità di misura della potenza complessa
ohm l'unità di misura della Zeq :ok:
Avatar utente
Foto Utentealex87alex
45 3
New entry
New entry
 
Messaggi: 52
Iscritto il: 16 giu 2012, 16:15

2
voti

[4] Re: Problema circuito AC

Messaggioda Foto Utentelillo » 14 set 2012, 20:02

alex87alex ha scritto:W,var sono le unità di misura della potenza complessa

la potenza complessa si misura in VA.
Avatar utente
Foto Utentelillo
20,5k 7 12 13
G.Master EY
G.Master EY
 
Messaggi: 4172
Iscritto il: 25 nov 2010, 11:30
Località: Nuovo Mondo

1
voti

[5] Re: Problema circuito AC

Messaggioda Foto UtenteRenzoDF » 14 set 2012, 20:03

alex87alex ha scritto: ... N1 è la potenza complessa assorbita dal bipolo

Possiamo sapere dove stai studiando ? ... ovvero dove si usa la lettera N per indicare la potenza complessa?
"Il circuito ha sempre ragione" (Luigi Malesani)
Avatar utente
Foto UtenteRenzoDF
55,9k 8 12 13
G.Master EY
G.Master EY
 
Messaggi: 13189
Iscritto il: 4 ott 2008, 9:55

0
voti

[6] Re: Problema circuito AC

Messaggioda Foto Utentealex87alex » 14 set 2012, 20:08

Vi parlo con notazioni a me congeniali:
N=P+jQ
L'unità di misura di P è in Watt
L'unità di misura di Q è in Volt-Ampere (Reattivi), la R sta per reattivi...

In realtà stò studiando su libro del tuo omonimo Renzo (sempre che non sei tu l'autore :mrgreen: ): Renzo Perfetti - Circuiti elettrici

Comunque l'esercizio non si trova li ma nelle dispense del mio prof :mrgreen:
Avatar utente
Foto Utentealex87alex
45 3
New entry
New entry
 
Messaggi: 52
Iscritto il: 16 giu 2012, 16:15

2
voti

[7] Re: Problema circuito AC

Messaggioda Foto Utentelillo » 14 set 2012, 20:12

alex87alex ha scritto:L'unità di misura di Q è in Volt-Ampere (Reattivi), la R sta per reattivi...

va bene, e puoi anche togliere le parentesi...
ma le tue N sono potenze complesse, e come tali si misurano in VA (senza R, che sta per reattivi...)
Avatar utente
Foto Utentelillo
20,5k 7 12 13
G.Master EY
G.Master EY
 
Messaggi: 4172
Iscritto il: 25 nov 2010, 11:30
Località: Nuovo Mondo

3
voti

[8] Re: Problema circuito AC

Messaggioda Foto UtenteRenzoDF » 14 set 2012, 20:15

alex87alex ha scritto:L'unità di misura di P è in Watt
L'unità di misura di Q è in Volt-Ampere (Reattivi), la R sta per reattivi...

... e aggiungo che la potenza attiva si misura in watt, non in Watt ... e la reattiva in var non Volt-Ampere (Reattivi)

alex87alex ha scritto: ... Comunque l'esercizio non si trova li ma nelle dispense del mio prof :mrgreen:

E pure il tuo Professore usa la N :?:
"Il circuito ha sempre ragione" (Luigi Malesani)
Avatar utente
Foto UtenteRenzoDF
55,9k 8 12 13
G.Master EY
G.Master EY
 
Messaggi: 13189
Iscritto il: 4 ott 2008, 9:55

0
voti

[9] Re: Problema circuito AC

Messaggioda Foto Utentealex87alex » 14 set 2012, 20:23

Sul testo dell'esercizio l'unità di misura è W, var, ma prendo nota per le prossime volte... Si il prof usa quella :ok:
Avatar utente
Foto Utentealex87alex
45 3
New entry
New entry
 
Messaggi: 52
Iscritto il: 16 giu 2012, 16:15

1
voti

[10] Re: Problema circuito AC

Messaggioda Foto UtenteRenzoDF » 14 set 2012, 20:30

Steso un velo sulla simbologia, per risolvere il tuo problema ti consiglio di usare Boucherot, ricordando che la potenza complessa S che viene assorbita o erogata (a seconda delle convenzioni) da ogni sotto-rete è esprimibile come

S = \frac{1}{2}V{I^*}


quando si usino i fasori a valore massimo e dove con l'asterisco intendo indicare il fasore complesso coniugato.
"Il circuito ha sempre ragione" (Luigi Malesani)
Avatar utente
Foto UtenteRenzoDF
55,9k 8 12 13
G.Master EY
G.Master EY
 
Messaggi: 13189
Iscritto il: 4 ott 2008, 9:55

Prossimo

Torna a Elettrotecnica generale

Chi c’è in linea

Visitano il forum: Nessuno e 53 ospiti