Problema 555 astabile
Moderatori:
carloc,
g.schgor,
BrunoValente,
IsidoroKZ
26 messaggi
• Pagina 1 di 3 • 1, 2, 3
0
voti
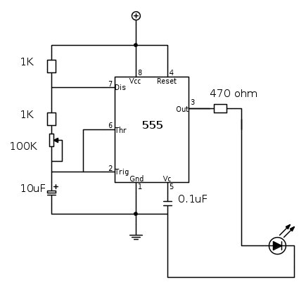
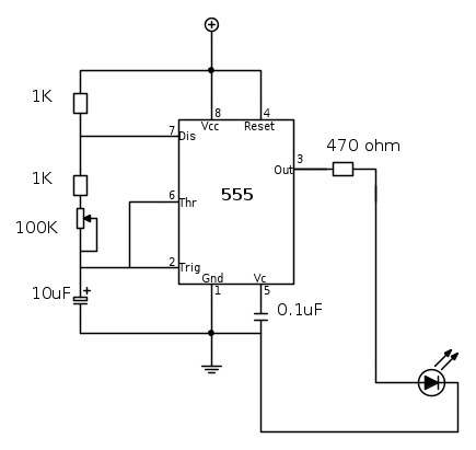
Ciao a tutti, ho realizzato il circuito per lampeggio led però il led fa un solo lampeggio poi si spegne e nulla finchec tolgo e ri-alimento tutto fa lo stesso. Sapete come mai?
-

RedEvil1991
14 5 - Frequentatore

- Messaggi: 104
- Iscritto il: 6 feb 2012, 21:10
0
voti
Ciao
RedEvil1991.
Ti consiglio di postare un disegno del tuo circuito usando FidoCADJ.
A questi link trovi alcune guide all' uso:
http://www.electroyou.it/darwinne/wiki/ ... electroyou
http://www.electroyou.it/darwinne/wiki/fidocadj
http://www.electroyou.it/elettrodomus/w ... -per-tonni
Ti consiglio di postare un disegno del tuo circuito usando FidoCADJ.
A questi link trovi alcune guide all' uso:
http://www.electroyou.it/darwinne/wiki/ ... electroyou
http://www.electroyou.it/darwinne/wiki/fidocadj
http://www.electroyou.it/elettrodomus/w ... -per-tonni
0
voti
no scusate, ora va, :9 avevo sbagliato un collegamento :)...ora se voglio controllare un relay da 12 volt come devo collegare i due piedini della bobina?
-

RedEvil1991
14 5 - Frequentatore

- Messaggi: 104
- Iscritto il: 6 feb 2012, 21:10
0
voti
Se hai 9V disponibili sara' difficile che tu possa controllare un rele da 12V; e' possibile che si ecciti ugualmente ma questo, eventualmente, dovresti provarlo prima.
marco
0
voti
Funziona il relè si eccita, ora ho collegato un capo della bobina del relè al piedino 3 e l'altro al piedino 1, ora ho 6 piedini liberi, devo controllare un'accensione di una lampada e uso un'alimentazione esterna (alimentatore) a 36 volt, come devo collegarmi con i piedini del relè?
-

RedEvil1991
14 5 - Frequentatore

- Messaggi: 104
- Iscritto il: 6 feb 2012, 21:10
0
voti
Prima bisogna che tu ci dica quali sono le caratteristiche del rele'; non sempre e' possibile collegarlo direttamente al pin 3 del 555 (che potrebbe danneggiarsi) e spesso si interpone un transistor o un piccolo mosfet per il pilotaggio.
marco
26 messaggi
• Pagina 1 di 3 • 1, 2, 3
Chi c’è in linea
Visitano il forum: Nessuno e 213 ospiti

Elettrotecnica e non solo (admin)
Un gatto tra gli elettroni (IsidoroKZ)
Esperienza e simulazioni (g.schgor)
Moleskine di un idraulico (RenzoDF)
Il Blog di ElectroYou (webmaster)
Idee microcontrollate (TardoFreak)
PICcoli grandi PICMicro (Paolino)
Il blog elettrico di carloc (carloc)
DirtEYblooog (dirtydeeds)
Di tutto... un po' (jordan20)
AK47 (lillo)
Esperienze elettroniche (marco438)
Telecomunicazioni musicali (clavicordo)
Automazione ed Elettronica (gustavo)
Direttive per la sicurezza (ErnestoCappelletti)
EYnfo dall'Alaska (mir)
Apriamo il quadro! (attilio)
H7-25 (asdf)
Passione Elettrica (massimob)
Elettroni a spasso (guidob)
Bloguerra (guerra)




